Но я не говорил что нет вообще
Просто надо поискать, поспрашивать, посоветоваться...
![]() |
roboforum.ruТехнический форум по робототехнике. |
|
Но я не говорил что нет вообще
ALHIMIK писал(а):в конце концов её можно просто написать

)СпасибоVovan писал(а):браво Сэр!
после окончания зарядки каковы дальнейшие "его" действия?
Vovan писал(а):из другой комнаты зарядку не находит?
Vovan писал(а):а зачем борьба с отражениями?
Vovan писал(а):усы "пантографы" это отдельный элемент или совмещён с бампером?

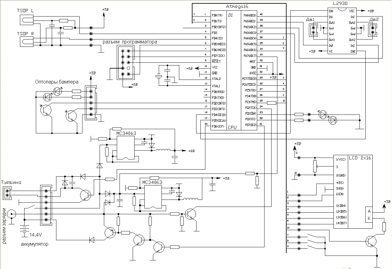
SMT писал(а):С PD6 на MC34063 управление напряжением на турбине?
Да.SMT писал(а):А PD7 - управление зарядкой?
а почему ресет без "обвяза"
Никогда не делаю.Не использую внутренний ИОН.нет лц цепи для AVCC
Да есть конечно, просто на схеме не нарисовал, каюськерамических конденсаторов на VCC
Не понял, а куда его ещё "тратить"?зачем тратить PA для управления движками ?
Сейчас этот форум просматривают: нет зарегистрированных пользователей и гости: 3