Большое спасибо всем за разъяснения!
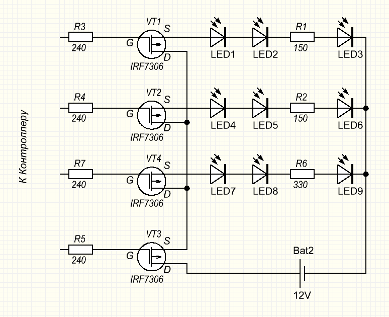
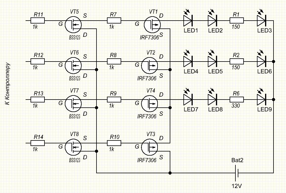
На схеме светодиод показан условно, вместо него 12В светодиодные ленточки в них 3 светика последовательно и резистор. 5В питание - тоже условно, на самом деле база транзистора будет подключена к выходу микроконтроллера через резистор. Суть схемы не управление яркостью (яркостью решил рулить через выход PWM на контроллере, и использовать ADC для определения положения ручки реостата), а возможности поочередно включать несколько лент, просто у меня задумка с РГБ ленточками



