Всё не по теме будет удаляться без предупреждений.
Общее описание.
Необходимо за деньги нарисовать, развести (в Eagle) и сдать в производство (например в Резонит) печатную плату для робота ClearDroid.
Функционал робота ClearDroid
- Уборка жилых помещений с помощью двух щеток и пылесоса
- Ориентирование по энкодерам и линии
- Автоматический поиск и заход на зарядку
- Управление и самоперепрограммирование по радиоканалу RoboRF
- Передача по 433МГц изображения видеокамеры на телевизор
- Возможность обработки данных с видеокамеры по методу Michael_K
- Управление минимум 4 сервами
- Вывод справочной информации на ЖКИ
Сообщение в стадии доработки
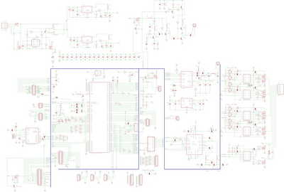
Текущая схема

для видеосигнала делайте нормальные разъемы с экраном 