roboforum.ru

Технический форум по робототехнике.

H-мост (H-bridge) и все о нем

Резисторы, транзисторы, конденсаторы, микросборки, чип компоненты ...
Вопросы согласования управляющих модулей с периферией.

Re: H-мост (H-bridge) и все о нем

Сообщение avr123.nm.ru » 04 авг 2009, 23:31

Если шимят всем мостом постоянно - т.е. 50 % ШИМ это мотор стоит на месте то при малой частоте ШИМ ток через стоячий мотор слишком большой будет.

Если ШИМ одной диагональю моста то низкая частота может давать звук и кроме того большие пульсации тока.
Аватара пользователя
avr123.nm.ru
отсылающий читать курс
 
Сообщения: 14195
Зарегистрирован: 06 ноя 2005, 04:18
Откуда: Москва
Предупреждения: -8

Re: H-мост (H-bridge) и все о нем

Сообщение Ito » 05 авг 2009, 00:38

Поигрался с низкой частотой, действительно противный писк. А нет ли скоростных оптопар в шестипиновых корпусах?
А может ну их эти оптопары из нижних плеч, если туда вместо них поставить каскад с ОЭ?
Ito
 
Сообщения: 157
Зарегистрирован: 26 июн 2009, 14:15
Откуда: Минск
прог. языки: C++, Assembler

Re: H-мост (H-bridge) и все о нем

Сообщение avr123.nm.ru » 05 авг 2009, 01:08

В низу они нафиг не нужны да и вверху тоже в таких низковольтных приложениях.
Аватара пользователя
avr123.nm.ru
отсылающий читать курс
 
Сообщения: 14195
Зарегистрирован: 06 ноя 2005, 04:18
Откуда: Москва
Предупреждения: -8

Re: H-мост (H-bridge) и все о нем

Сообщение Master » 05 авг 2009, 09:31

Поигрался с низкой частотой, действительно противный писк.

Противный писк :) сразу видно что вы не стояли возле индукционной печи с частотой работы 1кГц и мощностью 600 Вт.
Вот там действительно противный писк.
Аватара пользователя
Master
 
Сообщения: 4468
Зарегистрирован: 21 дек 2006, 19:56
Откуда: Украина, г.Одесса
прог. языки: Delphi и С

Re: H-мост (H-bridge) и все о нем

Сообщение Ito » 05 авг 2009, 11:24

Ну в верху оптопары это всётаки самый простой способ перейти от микроконтроллера к 24 вольтам.
Значит внизу меняем на каскад с ОЭ. bc546 сюда подойдёт?
Master, как хорошо, что я робота мощностью 600Вт не делаю :D
Ito
 
Сообщения: 157
Зарегистрирован: 26 июн 2009, 14:15
Откуда: Минск
прог. языки: C++, Assembler

Re: H-мост (H-bridge) и все о нем

Сообщение Duhas » 05 авг 2009, 11:50

должен сойти )
а я делаю )))
«Как сердцу выразить себя? … Мысль изреченная есть ложь!»
В этом мире меня подводит доброта и порядочность...
"двое смотрят в лужу, один видит лужу, другой отраженные в ней звезды"
Аватара пользователя
Duhas
 
Сообщения: 6338
Зарегистрирован: 15 сен 2007, 13:03
Откуда: Красноярск
прог. языки: ASM(МК), C(PC)
ФИО: Гагарский Андрей Александрович

Re: H-мост (H-bridge) и все о нем

Сообщение avr123.nm.ru » 05 авг 2009, 12:15

Ito писал(а):Ну в верху оптопары это всётаки самый простой способ перейти от микроконтроллера к 24 вольтам.
Значит внизу меняем на каскад с ОЭ.


каскад ОЭ - это и есть самый простой ИМХО - он значительно проще оптопар и БЫСТРЕЙ многократно.
Аватара пользователя
avr123.nm.ru
отсылающий читать курс
 
Сообщения: 14195
Зарегистрирован: 06 ноя 2005, 04:18
Откуда: Москва
Предупреждения: -8

Re: H-мост (H-bridge) и все о нем

Сообщение Ito » 05 авг 2009, 15:42

Что-то я запутался заменил оптопару на bc546(в коллекторе 1к, в цепи базы ставил 20к, 10к, 4,7к разницы не заметил) и пошли траблы. При шиме 90% на моторе падает только 5 вольт из 20ци. При чём при шиме 100% на моторе падает всё напряжение питания. Т.е. коммутация вроде работает, но как-то странно.
В чём у меня может быть проблема?
Ito
 
Сообщения: 157
Зарегистрирован: 26 июн 2009, 14:15
Откуда: Минск
прог. языки: C++, Assembler

Re: H-мост (H-bridge) и все о нем

Сообщение Master » 05 авг 2009, 16:56

Duhas писал(а):должен сойти )
а я делаю )))


Может создашь отдельную тему похвастаешься нароботками? Я тоже полгода занимался индукционным нагревом, даже есть действующий макет, разогревал болт М10 до красного свечения.
Аватара пользователя
Master
 
Сообщения: 4468
Зарегистрирован: 21 дек 2006, 19:56
Откуда: Украина, г.Одесса
прог. языки: Delphi и С

Re: H-мост (H-bridge) и все о нем

Сообщение avr123.nm.ru » 05 авг 2009, 17:14

Ito писал(а):В чём у меня может быть проблема?


Схему покажи.
Аватара пользователя
avr123.nm.ru
отсылающий читать курс
 
Сообщения: 14195
Зарегистрирован: 06 ноя 2005, 04:18
Откуда: Москва
Предупреждения: -8

Re: H-мост (H-bridge) и все о нем

Сообщение Duhas » 05 авг 2009, 17:34

Master писал(а):
Duhas писал(а):должен сойти )
а я делаю )))

Может создашь отдельную тему похвастаешься нароботками?

я про Н мосты ))) тележка общей мощей 500Вт в номинале ) правда пока не вышла на нее ибо с акумов 24В а надо порядка 50 для того чтоб в форсаж мона было уходить...
«Как сердцу выразить себя? … Мысль изреченная есть ложь!»
В этом мире меня подводит доброта и порядочность...
"двое смотрят в лужу, один видит лужу, другой отраженные в ней звезды"
Аватара пользователя
Duhas
 
Сообщения: 6338
Зарегистрирован: 15 сен 2007, 13:03
Откуда: Красноярск
прог. языки: ASM(МК), C(PC)
ФИО: Гагарский Андрей Александрович

Re: H-мост (H-bridge) и все о нем

Сообщение Ito » 05 авг 2009, 17:37

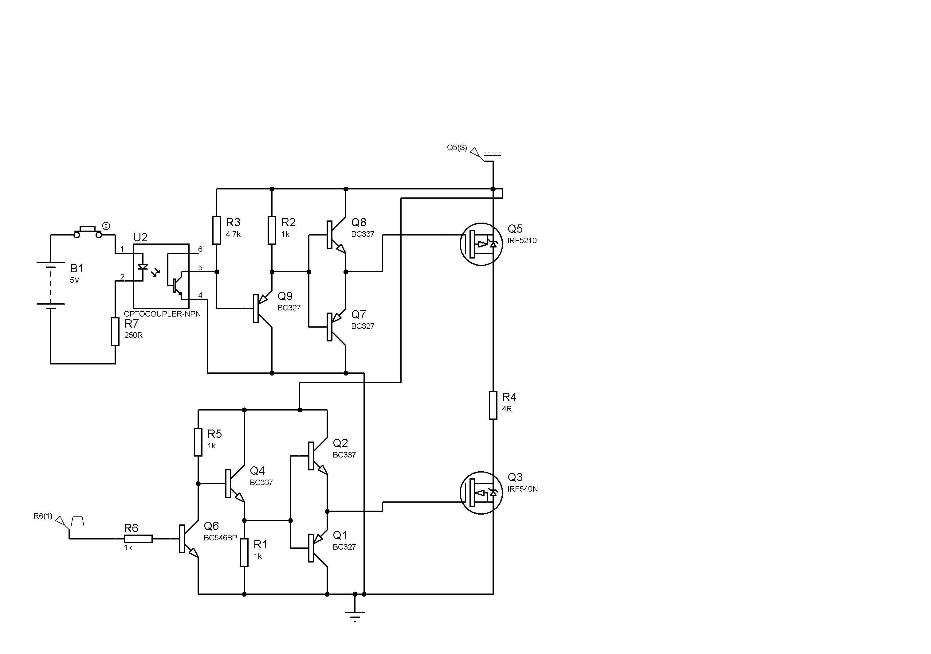
Сейчас это выглядит так:
Вложения
5.GIF
Ito
 
Сообщения: 157
Зарегистрирован: 26 июн 2009, 14:15
Откуда: Минск
прог. языки: C++, Assembler

Re: H-мост (H-bridge) и все о нем

Сообщение Duhas » 05 авг 2009, 17:47

крайне плохо выглядит.. "земля" верхнего повторителя должна бы быть на истоке верхнего ключа )
«Как сердцу выразить себя? … Мысль изреченная есть ложь!»
В этом мире меня подводит доброта и порядочность...
"двое смотрят в лужу, один видит лужу, другой отраженные в ней звезды"
Аватара пользователя
Duhas
 
Сообщения: 6338
Зарегистрирован: 15 сен 2007, 13:03
Откуда: Красноярск
прог. языки: ASM(МК), C(PC)
ФИО: Гагарский Андрей Александрович

Re: H-мост (H-bridge) и все о нем

Сообщение avr123.nm.ru » 05 авг 2009, 17:59

Рисуйте схемы в НОРМАЛЬНОМ масштабе ! Видно же что и в топике можно нормально увидеть.

Вот вам редактор хороший бесплатный 1.5 Мб но МОГУЧИЙ ! - Paint.NET

===========================

Уберите Q4 и R1 , резисторы по 1 ком нормально.

каково напряжение питания ?

верхний драйвер сделайте точно таким же как и нижний.

На входы драйверов добавьте резисторы по 10 кОм для создания "выключено" при отсутствии сигнала от МК.
Аватара пользователя
avr123.nm.ru
отсылающий читать курс
 
Сообщения: 14195
Зарегистрирован: 06 ноя 2005, 04:18
Откуда: Москва
Предупреждения: -8

Re: H-мост (H-bridge) и все о нем

Сообщение Ito » 05 авг 2009, 18:21

Напряжение питания 24 вольта. Верхний драйвер работает идеально, он нужен только для выбора направления.
10к подтянуть на +5?

Добавлено спустя 14 минут 33 секунды:
Выпаял Q4, R1 ничего не изменилось.
Ito
 
Сообщения: 157
Зарегистрирован: 26 июн 2009, 14:15
Откуда: Минск
прог. языки: C++, Assembler

Пред.След.

Вернуться в Электроника, электротехника

Кто сейчас на конференции

Сейчас этот форум просматривают: нет зарегистрированных пользователей и гости: 0

cron