![]()  | 
			
					roboforum.ruТехнический форум по робототехнике.  | 
			
				
					 | 
		
Duhas писал(а):а в протеусе столько всего работает что ОЙ
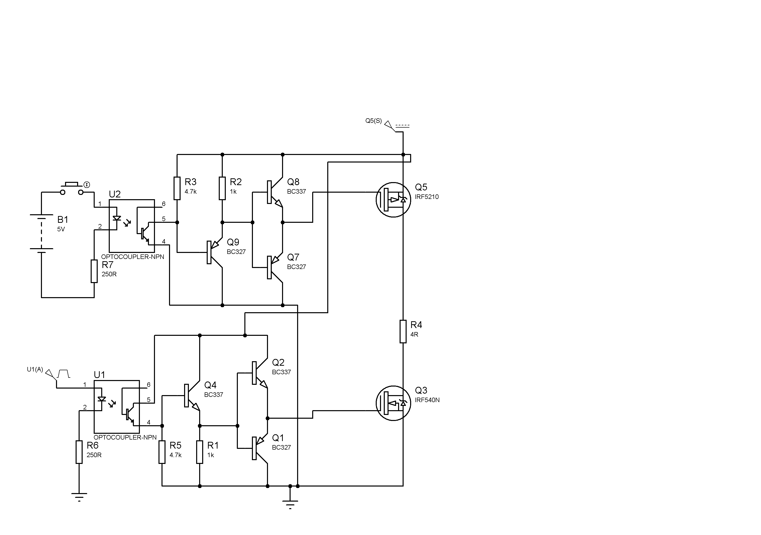
Какой примерно максимум тока при переключении мосфетов?


Ito писал(а):при нулевом напряжении на диоде на оптопаре падает 8 вольт а на резисторе 14. Отключаем базу следующего транзистора и на оптопаре падает все 22 вольта.
Ito писал(а):Но этот так. После впайки транзистора оптопара перестаёт закрываться, выпаиваю обратно опять закрыта. Тут явно какое-то хитрое смещение получается
Вернуться в Электроника, электротехника
Сейчас этот форум просматривают: нет зарегистрированных пользователей и гости: 0