denim писал(а):С резисторами текут паразитные токи через защитные диоды.
Это не очень правильно с точки зрения традиционной CMOS схемотехники
Я ставлю полевые транзисторы последовательно.
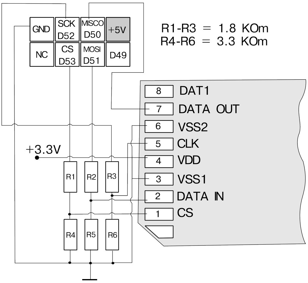
А схемку можно глянуть?
|  | roboforum.ruТехнический форум по робототехнике. |  | 
denim писал(а):С резисторами текут паразитные токи через защитные диоды.
Это не очень правильно с точки зрения традиционной CMOS схемотехники
Я ставлю полевые транзисторы последовательно.

ligor73 писал(а):denim писал(а):С резисторами текут паразитные токи через защитные диоды.
Это не очень правильно с точки зрения традиционной CMOS схемотехники
Я ставлю полевые транзисторы последовательно.
А схемку можно глянуть?




setar писал(а):у всех так, именно поэтому все мучаются деламинацией при raft less печати.
Добавлено спустя 24 секунды:
по хорошему нужно две головы и растворимый рафт ...



setar писал(а):на фотке не замечаю.
именно несоосно или смущает ромбическая форма ?


Сейчас этот форум просматривают: нет зарегистрированных пользователей и гости: 0