Master » 13 июл 2009, 01:19
Ниасилил, что за зверь?
Давай хоть на мобилу сфоткай.
Добавлено спустя 1 час 37 минут 59 секунд:
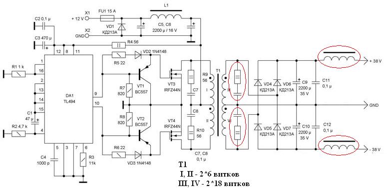
Решился таки улучшить блок питания. Вот схема, добавленные элементы обвел красным (дросселя и снабберные цепочки на выходе).
1. Транзисторы думаю заменить на IRFZ48N
2. Диоды КД213А заменю на импортные, что лучше шотки или Fast? Хватит ли 10 амперных (требования в 5-м пункте).
3. Как рассчитать снабберы? Нашел тему на другом форуме, но там картинки пропали.
4. Дросселя на выходе пойдут вот как в одной из статей? "можно намотать на отрезках ферритовых стержней диаметром 6 мм проводом ПЭВ 0,8 мм , число витков 20"
5. Каким должно быть суммарное сечение проводов которым мотается первичная и вторичная катушка? Хочу этим преобразователем питать MF1 стерео, т.е. суммарная пиковая мощность 2 TDA7294 200 Вт (это с запасом), ну а вообще 140 Вт.
- Вложения
-
