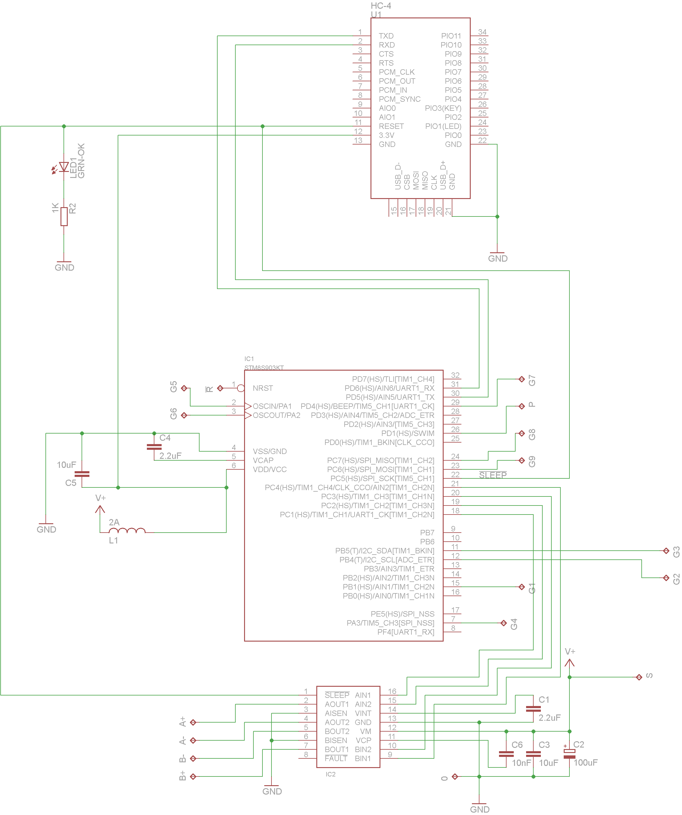
elmot писал(а):Duhas писал(а):диодик на питание проца и блюпупа, отвязать от питания движков
Отвязано фильтром ЭМИ и кондюками.
ферритовая бусина? ежели хватает и на макете все ок - я не против )
![]() |
roboforum.ruТехнический форум по робототехнике. |
|
elmot писал(а):Duhas писал(а):диодик на питание проца и блюпупа, отвязать от питания движков
Отвязано фильтром ЭМИ и кондюками.
Radist писал(а):На модульке 13 ножку землить не надо?

Сейчас этот форум просматривают: нет зарегистрированных пользователей и гости: 0