И вот, потратил некоторое количество мозгофф и пару вечеров, чтобы сделать прототип.
Пока на макетной плате, но уже ездит. Работы по дальнейшему уменьшению размеров ведутся.
В этой теме принимаются ко вниманию умные мысли и пожелания.
Итак, ТТХ:
- Электрические параметры:
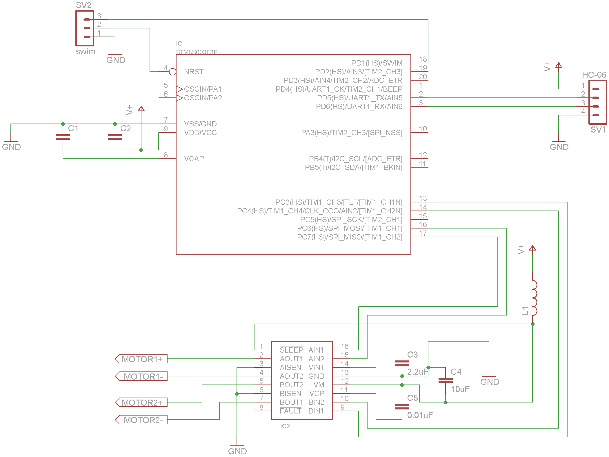
- Элементная база - stm8s903 + drv8833 + hc-06(*)
- Питание - 3..4.2В, предполагается 1S LiPo аккумулятор.
- Макс. постоянный ток на каждый мотор 1.0А.
- Возможности
- ШИМ управление 2 моторами
- Открытый код прошивки МК
- Открытый протокол управления
- Возможность управления по bluetooth с планшетов, ПК, не(оу)тбуков, сотовых телефонов и т.д.
- Возможность интеграции с роутерами под управлением or-wrt и управление по wifi(*)
- Возможность написания несложных программ на ассемблер-подобном языке(*)
- Поддержка датчиков и исполнительных устройств по шине i2c (*)
- Телеметрическая информация - напряжение бортовой батареи, значения с датчиков(*)
- Несколько (5-12)выходов GPIO для управления простыми внешними устройствами и датчиками(кнопки, светодиоды и пр)(*)
- Предполагаемое использование
- Скрепкоходы
- Виброходы
- Микроботы
- Любая ерундовина с моторчиками
- Размеры, ориентировочно - 25*45*7мм
- Цены, ориентировочно, c bluetooth модулем HC-06 или HC-05 (в скобках цена без модуля )
- Обычная цена 1200 руб
- Предзаказ с предоплатой 700 руб
- Обмен на смешного робота или прикольную запчасть робота 0-2000 руб (зависит от степени прикольности)
- Обмен на скрепыша 0(0)руб, то есть даром
- Обмен на программу ДУ(Windows, Mac, iPhone/iPad, Android, Linux) 0(0)руб, то есть даром
- Ожидаемый срок готовности устройства - 2-3 мес
Демонстрационная тележка
Прототип 1, bt работает.




