Года 3-4 назад (в этом форуме) я нещадно поливал грязью енти м\сх! и вот она - месть с их стороны
Мерил при 11в.
Отдельный источник - это не выход (даже без ИМХО), лучше уж из рассыпухи дрова собрать и предусмотреть более экономичную регулировку напряжения (для исключения глюков и "печек"). Кстати, правильный регулятор напряжения это проще всего, вариантов как минимум ещё два вижу и конечно этот вопрос решу с легкостью.
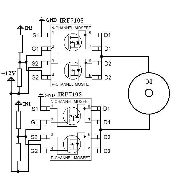
Запас по току всё же есть, потому что 400мА это когда рукой тормозишь причем сильно! При работе пылесоса (когда сам едет) ток скачет от 0,1А до 0,17А. Логик контрол м\схемы питается от того же 7805 что и мк и тсопы (как на схеме показано). При 11в рег. напр. (7805) конечно греется, но не сильно - меньше 60град (рука терпит).
Про радиатор я бы задумался если бы м\сх сильно грелась, а она чуть тепленькая (около 40град), к тому же под ней на средних ногах большая площадка из невытравленной фольги. Я считаю что всё сделано по правилам, а вот м\сх-ы (приобретал их в достаточно уважаемом магазине) подвели. И главное обе! правда и покупались они одновременно...
Начну подбирать достойный драйвер, благо драйвер у меня на отдельной плате с разъемами, поэтому ничего остального переделывать не нужно, а лишь поменять плату на другую (которой пока нет).
Рекомендации по конструкции простых и немОщных драйверов с током 0,5А (пик 1,5А) и напряжением до 14в - принимаю с удовольствием и благодарностью
(хоть на биполярник, хоть на мосфетах хоть на других доступных м\сх, но естесно с обязательным наличием входа ШИМ).
ЗЫ: привыкаешь быстро к хорошему. Вот и я успел привыкнуть к пылесосу и теперь прям как без рук без него... ёкарабаба
