![]() |
roboforum.ruТехнический форум по робототехнике. |
|
Ужос!

, но не жалаваюсь 
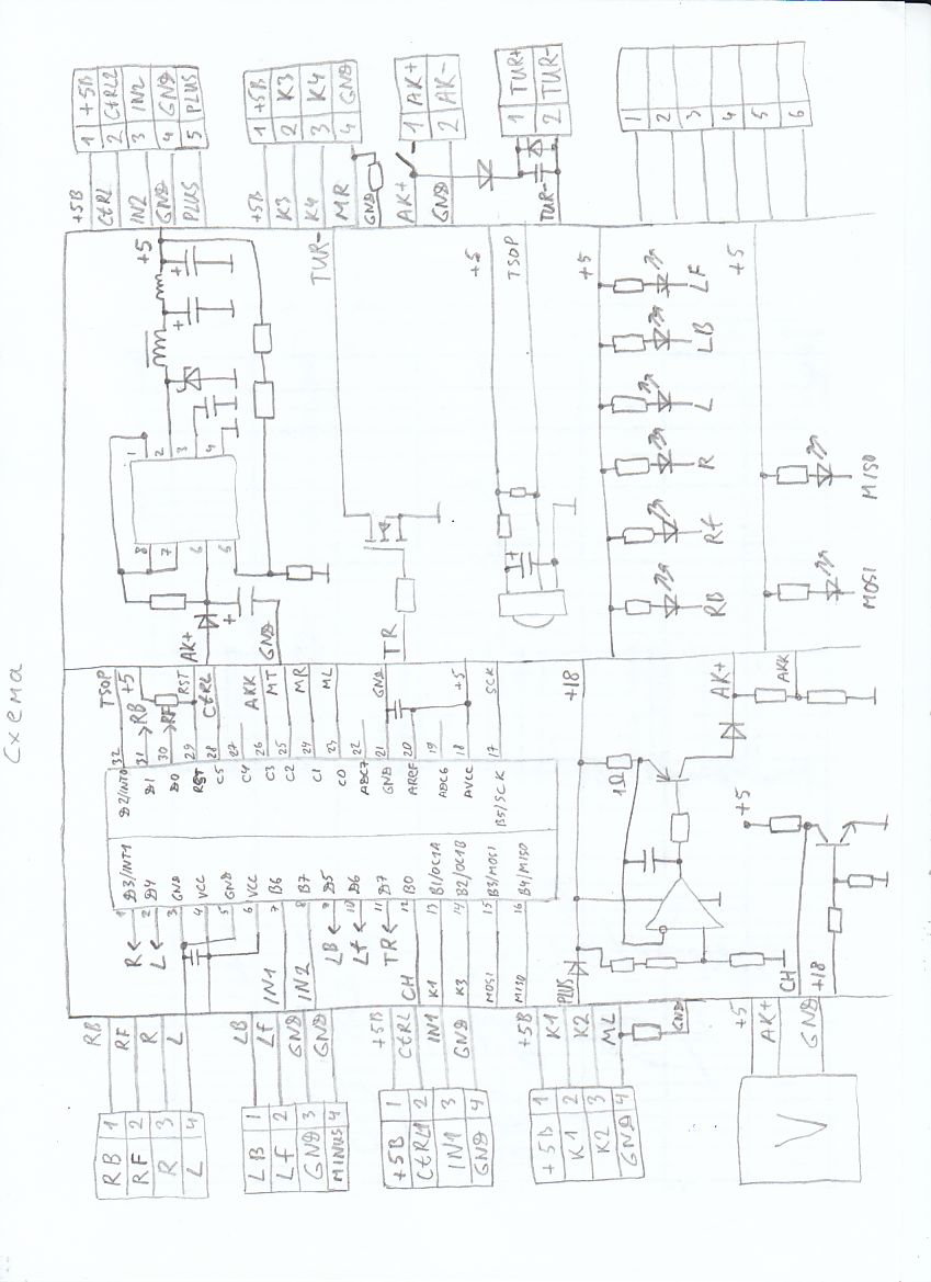
Гулять так гулять ! Схемки выложу когда все до конца соображу ( да пострашнее у меня схема , обусловлено строением конструкции ) . Исходники на басике будут .48 страниц исписАлиУжос!
2Radist, Gelios & others: я думаю неплохо было бы (раз пошла такая пьянка...) и схемы сюда выложить?
А может (впоследствии) и исходники?
, а не 48 
...
Vovan писал(а):полтинник отметим исходниками
напряжение может быть хоть 20в!, однако необходимый ток нужно выдерживать, поэтому и написано на схеме напряжение и ток, несмотря на то что само зарядное у меня 4-5А, но на зарядку я беру только 0,4А), а контроль напряжения это уже, как известно, АЦП робота, он и прекращает зарядку по достижении 8,4в
. Конечно, можно любое другое зарядное (интелектуальное или ещё как-то навороченное), но я решил пусть будет так, пусть подольше зарядка идёт, но я пока не спешу никуда 
Radist писал(а):А для чего измеряется зарядное напряжение?
Vovan писал(а):А в чем индикатор провинился?

Сейчас этот форум просматривают: нет зарегистрированных пользователей и гости: 0