![]() |
roboforum.ruТехнический форум по робототехнике. |
|
А батарейка да, шыкарная, раз так быстро такую кучу таких кандёров наполняет. За 90р вовсе не дорого (на мой взгляд). Заказывал с интернету, или рядом у тебя там где-то продаётся?Я часа полтора назад писал(а):И это... фотки поуменьшь раза в 2-3 - ни к чему такой гигантизм.

MegaBIZON писал(а):Вот я смотрел на таких "круглых", и до сих пор не понимаю, в чём их прикол - куда они едут?...
[/гы!]Простой , а ролик снимал специально с таким ракурсом чтобы было видно что он мигает!MegaBIZON писал(а):Он что, простой - не мигающий? По ролику видать, что он просто горит... нипанятна.
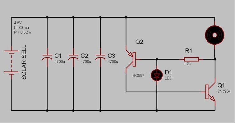
На рынке небыло 2N3906 продавец посоветовал как он сказал его аналог BC557 , взял BC557. И я вот что думаю он же не должен при прямых лучах тупо крутить, может надо резюк всетаки подобрать.MegaBIZON писал(а):И транзистор BC557 - аналог 2N3906? или что-то другое? Просто почти всегда там маячит именно 2N3906.
Какая пара кондеров быстрее наполнится током от батарейки - в ту сторону бот и накренится - шмяк.
Простой , а ролик снимал специально с таким ракурсом чтобы было видно что он мигает!

...он же не должен при прямых лучах тупо крутить...
Ток она даёт достаточный, кондёры полны перманентно, триггер не затыкается - мотор маслает до потери пульса. Тоесть пока из под солнца не убежит.SmorBoB писал(а):Интересно, а что будет если вместе резюка обрыв цепи сделать?
Замкнул резюк -перестал крутиться движок, просто горит светодиод и все. А так схема срабатывает при достижении на кондерах около 3-х вольт.SmorBoB писал(а):Интересно, а что будет если вместе резюка обрыв цепи сделать?

MegaBIZON писал(а):...Получаем греблю в одну сторону...
MegaBIZON писал(а):...но растележивать всю эту канитель по столу в 2.40 ночи как-то уже не хохота...
SmorBoB писал(а):...бот запросто теряет равновесие и перекатывается на другую случайную пару кондеров, тем самым меняя направление следующего дрыжка.
Сейчас этот форум просматривают: нет зарегистрированных пользователей и гости: 0