roboforum.ru

Технический форум по робототехнике.

Посоветуйте Аналоговую Схему для BEAM

Робот на простых аналоговых элементах.

Re: Посоветуйте Аналоговую Схему для BEAM

Сообщение Dmitry__ » 28 фев 2016, 19:30

dimamichev писал(а):Не, я всё таки двойку как учитель физики поставлю за сильное увеличение внутреннего сопротивления солевой батарейки.

Ну если ты еще и учитель физики, то я тебя поздравляю :)
Сопротивление увеличится за счет убирания элемента - конденсатор, который имеет ОЧЕНь низкое внутр. сопротивление.
Вот вам набросал правильную схему, могу обьяснить назначение каждого элемента.
BeamMicroPower.PNG
Аватара пользователя
Dmitry__
 
Сообщения: 8033
Зарегистрирован: 13 янв 2011, 15:25
Откуда: Санкт-Петербург

Re: Посоветуйте Аналоговую Схему для BEAM

Сообщение MegaBIZON » 28 фев 2016, 19:40

:pardon: мне это всё объяснять бесполезно - я не пойму и пары слов.. Лучше собери, и покажи как работает )
А я могу только собрать по схемке, которую кто-то поумней меня начеркал.

Одно вот заметил - кондёр в 16800 микрофарадиев?? Где такие посмотреть-то можно?

dimamichev писал(а):....Опять остаётся тока моя схема, но не волнуйтесь, она проверена лучшими радиоинженерами нашей страны (шутю - просто опубликована в древнем древнем радиолюбительском журнале, а там дядьки серьёзные, чуть что и отказ в публикации).

твоя - то какая?
я уже блин путаюсь тут ))
.............солнце светит, птички поют, я - зелёный бамбук меня тянет к солнцуЯ - зелёный бамбук, я - зелёный бамбук , меня тянет к солнцу. Я - не огурчик и не лягушка, я - зелёный бамбук. Меня курят...............
Аватара пользователя
MegaBIZON
 
Сообщения: 6285
Зарегистрирован: 12 янв 2007, 00:34
Откуда: Масква

Re: Посоветуйте Аналоговую Схему для BEAM

Сообщение dimamichev » 28 фев 2016, 20:07

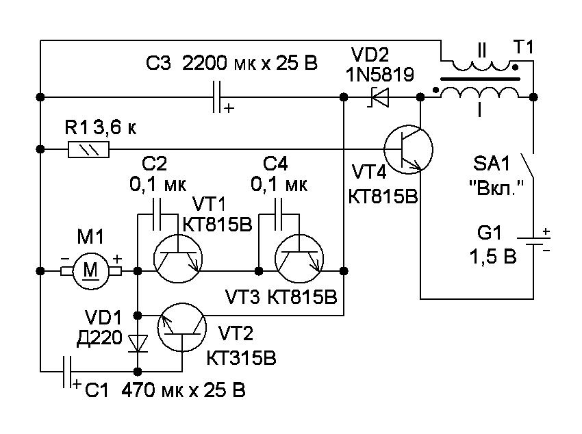
Дмитрий! Не злитесь и не обижайтесь. Схема интересная, её работу полностью не понимаю, если не трудно подробно опишите принцип работы. Смущает батарейка - это солнечная батарейка? Ёмкость конденсатора великовата. Типономиналы укажите, если не трудно,особенно про D2. А ЗА КОНДЕНСАТОР, КОТОРЫЙ ИМЕЕТ ОЧЕНЬ НИЗКОЕ СОПРОТИВЛЕНИЕ - ОПЯТЬ ДВОЙКА!
Мегабизон, вот схема из официального...
Вложения
рис . 1.jpg
Аватара пользователя
dimamichev
 
Сообщения: 1386
Зарегистрирован: 03 янв 2013, 16:27

Re: Посоветуйте Аналоговую Схему для BEAM

Сообщение Dmitry__ » 28 фев 2016, 20:42

dimamichev писал(а): А ЗА КОНДЕНСАТОР, КОТОРЫЙ ИМЕЕТ ОЧЕНЬ НИЗКОЕ СОПРОТИВЛЕНИЕ - ОПЯТЬ ДВОЙКА!

Ндравяца мне учителя, которые без обьяснений ставят двойки :D
Вот тебе внутр. сопротивление конденсаторов и солевых батареек:

http://electro.com.ru/esr-metr-kondensa ... imi-rukami
http://fcenter.ru/online/hardarticles/tower/23101
4700мкф имеет 0.23 миллиом против 150 миллиом для GP Ultra alkaline батарейки. Это алкалиновая, Карл! У солевых вообще 0.5 ома! Забери себе двойку :P
dimamichev писал(а):Смущает батарейка - это солнечная батарейка? Ёмкость конденсатора великовата.

Емкость конденсатора взял из схемы этой темы, батарейка, есно солнечная, мы обсуждаем что? Просто в программе нет готового элемента солнечной батареи. Назначение деталий потом опишу.
Аватара пользователя
Dmitry__
 
Сообщения: 8033
Зарегистрирован: 13 янв 2011, 15:25
Откуда: Санкт-Петербург

Re: Посоветуйте Аналоговую Схему для BEAM

Сообщение dimamichev » 28 фев 2016, 21:23

Простите, у меня к вам вопросов больше нет, читайте физику 11 класса, конденсаторы в цепях постоянного и переменного тока. С двойкой перебор, кто я такой чтобы вам её ставить.

Добавлено спустя 6 минут 50 секунд:
А схема интересная, если бы заработала, было здорово бы поэкспериментировать.
Аватара пользователя
dimamichev
 
Сообщения: 1386
Зарегистрирован: 03 янв 2013, 16:27

Re: Посоветуйте Аналоговую Схему для BEAM

Сообщение Dmitry__ » 28 фев 2016, 21:42

dimamichev писал(а):Простите, у меня к вам вопросов больше нет, читайте физику 11 класса, конденсаторы в цепях постоянного и переменного тока

Ты путаешь внутр. сопротивление конденсатора с реактивным сопротивлением в цепях переменного тока :)
Внутр. сопротивление зависит от сопротивления обкладок и подводящих проводов. И оно очень низкое десятые доли миллиома. Внутр. сопротивление конденсатора увеличивается при тяжелых условиях работы конденсатора - ухудшается контакт подводящих проводов к обкладкам. А вот реактивное сопротивление - совсем другая история, зависит от частоты переменного тока, и к beam не имеет никакого отношения, ибо там постоянное напряжение...
Вот така фигня...

Добавлено спустя 2 минуты 45 секунд:
Да, за отсыл к учебнику 11 класса, отсылаю тебя к вики :)

https://ru.wikipedia.org/wiki/%D0%AD%D0%BB%D0%B5%D0%BA%D1%82%D1%80%D0%B8%D1%87%D0%B5%D1%81%D0%BA%D0%B8%D0%B9_%D0%BA%D0%BE%D0%BD%D0%B4%D0%B5%D0%BD%D1%81%D0%B0%D1%82%D0%BE%D1%80

Эквивалентное последовательное сопротивление (ЭПС (англ. ESR), внутреннее сопротивление) обусловлено, главным образом, электрическим сопротивлением материала обкладок и выводов конденсатора и контакта(-ов) между ними, а также учитывает потери в диэлектрике. Обычно ЭПС возрастает с увеличением частоты тока, протекающего через конденсатор, вследствие поверхностного эффекта.
В большинстве практических случаев этим параметром можно пренебречь, но, иногда (напр., в случае использования электролитических конденсаторов в фильтрах импульсных блоков питания), достаточно малое его значение существенно для надёжности и устойчивости работы устройства.
Аватара пользователя
Dmitry__
 
Сообщения: 8033
Зарегистрирован: 13 янв 2011, 15:25
Откуда: Санкт-Петербург

Re: Посоветуйте Аналоговую Схему для BEAM

Сообщение dimamichev » 28 фев 2016, 21:57

Госпади! Ты, я, он, она - вместе дружная семья... Возьмите омметр и замерьте сопротивление конденсатора... сначала мало, мало, а потом ??? Это ваше "унутреннее" прибавляется к этому мало, мало - и мало что меняет в работе схемы. Если вы её соорудите, добавьте последовательно конденсатору резистор в доли миллиома, убедитесь что наличие или отсутствие этого сопротивления не влияет ни на что...
Аватара пользователя
dimamichev
 
Сообщения: 1386
Зарегистрирован: 03 янв 2013, 16:27

Re: Посоветуйте Аналоговую Схему для BEAM

Сообщение Dmitry__ » 28 фев 2016, 22:45

Госпадя, вот это учитель физики!
Заряди 10000мкф, поставь послед. резистор и попробуй им чего нибудь спалить, а потом убери резистор и проведи эксперимент повторно.
И ты говорил:
dimamichev писал(а):Не, я всё таки двойку как учитель физики поставлю за сильное увеличение внутреннего сопротивления солевой батарейки.

Если убрать конденсатор, то внутр. сопротивление источника тока увеличится в 1000 раз с 0.2 мОм до 150 мОм.
Электролитические конденсаторы по питанию и ставят для уменьшения сопротивления источника тока. Садись, два!
Аватара пользователя
Dmitry__
 
Сообщения: 8033
Зарегистрирован: 13 янв 2011, 15:25
Откуда: Санкт-Петербург

Re: Посоветуйте Аналоговую Схему для BEAM

Сообщение MegaBIZON » 28 фев 2016, 22:49

вы достали уже..
Ладно я ничего не понимаю... Но вы-то оба умные вроде люди, и от чего-то не можете к общему знаменателю прийти. Он же есть... где-то
.............солнце светит, птички поют, я - зелёный бамбук меня тянет к солнцуЯ - зелёный бамбук, я - зелёный бамбук , меня тянет к солнцу. Я - не огурчик и не лягушка, я - зелёный бамбук. Меня курят...............
Аватара пользователя
MegaBIZON
 
Сообщения: 6285
Зарегистрирован: 12 янв 2007, 00:34
Откуда: Масква

Re: Посоветуйте Аналоговую Схему для BEAM

Сообщение dimamichev » 28 фев 2016, 23:31

Давайте правда заканчивать. Если конденсатор зарядить например до 25 Вольт, то через резистор в 1 ом он спалит светодиод, например красный. Если конденсатор паралельно батарейке снижает внутреннее сопротивление до 0,2 миллиом, то при коротком замыкании такая батарейка даст ток в 7500 Ампер. Ну что я должен ещё сказать? Вы правы. (Лучше бы это никто не читал.)
Аватара пользователя
dimamichev
 
Сообщения: 1386
Зарегистрирован: 03 янв 2013, 16:27

Re: Посоветуйте Аналоговую Схему для BEAM

Сообщение Dmitry__ » 28 фев 2016, 23:59

dimamichev писал(а):Если конденсатор паралельно батарейке снижает внутреннее сопротивление до 0,2 миллиом, то при коротком замыкании такая батарейка даст ток в 7500 Ампер. Ну что я должен ещё сказать? Вы правы. (Лучше бы это никто не читал.)

Ну а тут-то какие противоречия? :shock: Конденсаторную сварку видел?
Заметь, заряжают через высокоомную лампочку, на выходе получают твои тыщи ампер:



На профи:

Аватара пользователя
Dmitry__
 
Сообщения: 8033
Зарегистрирован: 13 янв 2011, 15:25
Откуда: Санкт-Петербург

Re: Посоветуйте Аналоговую Схему для BEAM

Сообщение dimamichev » 29 фев 2016, 01:06

Ну хватит, честное слово. Если "батарейка" на 1,5 Вольта в толстый, толстый провод на КЗ даст 7500 Ампер, провод расплавится (во какая сила у параллельно включённого конденсатора !) - не будет этого. По видео - сварка за счёт накопленной (а это важно !) энергии конденсаторов (их ацки много и напряжение зарядки тоже не хилое). И получается "кратковременная батарейка" с большим "напряжением" на короткое замыкание в соединяемые детали.И ток ого-го, но лишь миг, ослепительный миг. Так что "гипотетически" кондёр могёть снижать внутреннее сопротивление батарейки как вы пишите , но на миг, ослепительный миг.
Аватара пользователя
dimamichev
 
Сообщения: 1386
Зарегистрирован: 03 янв 2013, 16:27

Re: Посоветуйте Аналоговую Схему для BEAM

Сообщение Dmitry__ » 29 фев 2016, 01:16

dimamichev писал(а):Так что "гипотетически" кондёр могёть снижать внутреннее сопротивление батарейки как вы пишите , но на миг, ослепительный миг.

Вот именно, на тот ослепительный миг чтоб спалить транзистор. За что ты мне двойку и поставил :)
Или ты думаешь, что я думаю, что конденсатором можно получить батрейку на тыщу ампер на все время работы батарейки?

Давай вспоминать:

Dmitry__ писал(а):Вот если убрать накопительный конденсатор, то как раз схема станет рабочей :), т.к. сильно увеличится внутр. сопротивление источника тока и сквозные токи перестанут быть фатальными...


dimamichev писал(а):Не, я всё таки двойку как учитель физики поставлю за сильное увеличение внутреннего сопротивления солевой батарейки.


Такшта действительно, хватит. :wink:
Аватара пользователя
Dmitry__
 
Сообщения: 8033
Зарегистрирован: 13 янв 2011, 15:25
Откуда: Санкт-Петербург

Re: Посоветуйте Аналоговую Схему для BEAM

Сообщение dccharacter » 29 фев 2016, 02:01

Чтобы не казаться глупым, предлагаю взять диод и приложить его анод к плюсу источника питания вольт эдак на пять, а катод - к минусу. Наблюдения записать.
Мой волшебник это я сам. Всю архитектуру программы придумал лично, а ребята помогли воплотить её. Я бы и сам мог написать, но лень учить язык и его конструкции.
Аватара пользователя
dccharacter
 
Сообщения: 4995
Зарегистрирован: 10 дек 2010, 13:16
Откуда: Красногорск МО
прог. языки: C, Python, wiring/processing
ФИО: Андрей

Re: Посоветуйте Аналоговую Схему для BEAM

Сообщение MegaBIZON » 29 фев 2016, 11:34

...хобот сатаны, да где вы вообще в солнечном биме видели эти ваши "тяжелые условия работы конденсатора", "10000мкф", и прочую тяжёлую артиллерию?
Надо вас каким-то образом гнать уже от высоких вольтажей, они на вас дурно влияют.

_______________надо вам срочно зубы заговаривать..

Вот вам для обмозговывания схемуля ваще без резисторов, зато на полностью непонятных для меня транзистрах с квадратными нарисованными внутренностями (в руки пока таких не брал).
И она мне больше нравится в плане экономичности, ибо фотодиоды, в отличие от фледов, тока не тратят, а даже наоборот.
И вообще, этот вариант оградит кого угодно от боевых фантазий о киловольтах и предельных режимах работы кондёров (а сам кондёр собран из двух керамических какашек.), так как работает всё на ссаненькой панельке от калькулятора (а это ваще слёзы - три вольта с копейками) - даже dccharacter не найдёт тут пяти вольт для экспериментов над диодами...
Идеально же!
1 схемка.png

2 монтажик.jpg

3 накед.jpg

4 готовый.jpg

______________
Я такого больше нигде по интернетам не видел, что тоже само по себе удивляет.
.............солнце светит, птички поют, я - зелёный бамбук меня тянет к солнцуЯ - зелёный бамбук, я - зелёный бамбук , меня тянет к солнцу. Я - не огурчик и не лягушка, я - зелёный бамбук. Меня курят...............
Аватара пользователя
MegaBIZON
 
Сообщения: 6285
Зарегистрирован: 12 янв 2007, 00:34
Откуда: Масква

Пред.След.

Вернуться в BEAM роботы

Кто сейчас на конференции

Сейчас этот форум просматривают: нет зарегистрированных пользователей и гости: 0

cron