Можно поумничать? 

dimamichev писал(а):"Теория здесь работает слабо", надо практически экспериментировать. Первая схема, в исходнике у Тилдена, вообще вместо светодиода содержит другой элемент. Я пробовал со светодиодами и мне она не понравилась. Не тянет она движки.
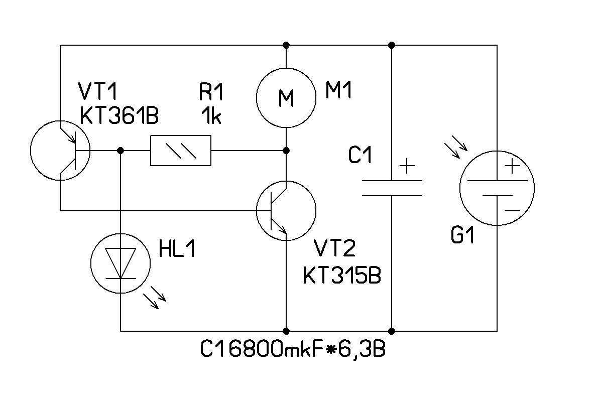
Вот смотрю на эту схему и офигеваю, она с ошибкой. Причем сделал поиск по картинке - весь инет с этой ошибкой  
 
 Во время открывания VT1 весь ток идет в базу-эмиттер VT2. T.e. питание батареи коротится через коллектор-эмиттер VT1 и переход база-эмиттер VT2. Спасает эту схему только то, что она срабатывает при напряжении на батарее равной падению напряжения светодиода HL1 + падение pn перехода VT1. Получается примерно +0.6V +0.6V= 1.2V. Короткое замыкание через транзисторы тоже поддерживается при падении напряжения коллектор-эмиттер 2-х биполярных транзисторов , т.е. те же 1.2V.
Но если заменить светодиод на стабилитрон, для поднятия напряжения срабатывания, ибо 1.2V явно мало для двигателей, то схема начнет коротить уже качественно. Одним словом - надо в базу VT2 поставить резистор от 1к до 10к, а диод лучше заменить на стабилитрон, соотв. изменив полярность. Тогда не будет КЗ и можно повышать напряжение срабатывания. Как тут, только обязательно резистор в базу:

Батарей лучше 2 последовательно той же площади что одна, т.к. половина мощности улетает в падение напряжения биполярного транзистора = 0.6V. Двигатель, соотв. взять более высокоомный, чтоб остались такие же обороты.
Flyfisherman писал(а):Мне думается что можно даже проще, вместо триггера шмидта можно поставить 74HС00 включив элементы 2И-НЕ в режиме инверторов,
Цифровые микросхемы в аналоговом режиме начинают много потреблять, т.к. одновременно открыты верхние и нижние транзисторы элемента.
Flyfisherman писал(а):Я если честно каких то особых проблем в этой схеме пока не вижу, но я не очень сильный схемотехник я тополог.
Нерабочая схема, выход закорочен со входом. С выхода надо ставить диод, чтоб он не шунтировал вход.
Я кончил, извините  
