
![]() |
roboforum.ruТехнический форум по робототехнике. |
|

Myp писал(а):хрень какая, чото я ничё не понимаю тогда
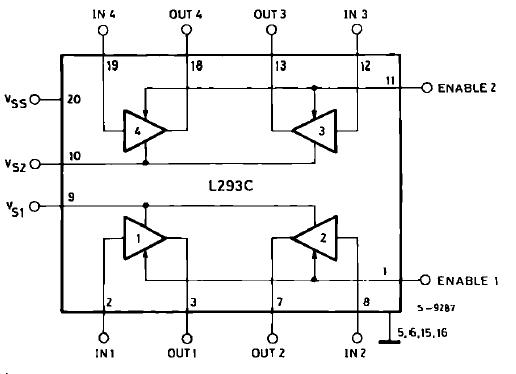
Там черным по английскому написано что на входах стоит стандартная TTL логика, а это значит, что неподсоединенный вход читается как логическая "1".
Ей плюс и минус подавай 
неподсоединенный вход читается как логическая "1"

space писал(а):Возьми лучше мегу 8 или 16. На них как то удобней тем более начинающему.

, что расположение ног одинаковое у этих мк.
space писал(а):Тогда для него думаю стояло упамянуть, что расположение ног одинаковое у этих мк.

Вернуться в Новичкам или основы основ роботостроения.
Сейчас этот форум просматривают: нет зарегистрированных пользователей и гости: 0