blindman писал(а):А как вам идея использовать в бампере вместо тсопа просто фотодиод? Сигнал усилить, оцифровать, прогнать через цифровой фильтр. Мог бы получиться дешевый датчик. Или бред?
это правильное предложение

![]() |
roboforum.ruТехнический форум по робототехнике. |
|
blindman писал(а):А как вам идея использовать в бампере вместо тсопа просто фотодиод? Сигнал усилить, оцифровать, прогнать через цифровой фильтр. Мог бы получиться дешевый датчик. Или бред?

blindman писал(а):А как вам идея использовать в бампере вместо тсопа просто фотодиод? Сигнал усилить, оцифровать, прогнать через цифровой фильтр. Мог бы получиться дешевый датчик. Или бред?

blindman писал(а):А как вам идея использовать в бампере вместо тсопа просто фотодиод? Сигнал усилить, оцифровать, прогнать через цифровой фильтр. Мог бы получиться дешевый датчик. Или бред?
Mazayac писал(а):... вот зачистка/лужение/пайка проводов ... Мучаюсь вот сейчас с этим регулярно, т.к. в двух моих серийных изделиях USB кабель спроектирован впаянным в плату ...

)nest писал(а):закупается зачищщеный, облуженный хвост с УСБ штекером на конце...
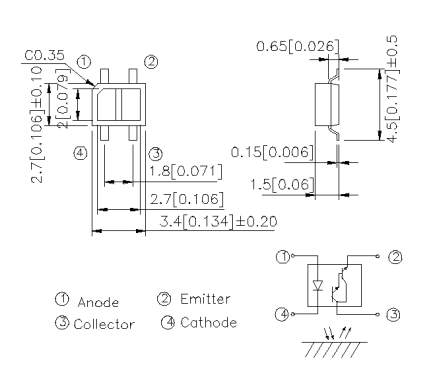
давайте сюда скидывать достаточно распространенные датчики на отражение?


Вернуться в Электроника, электротехника
Сейчас этот форум просматривают: нет зарегистрированных пользователей и гости: 5