Всем привет.
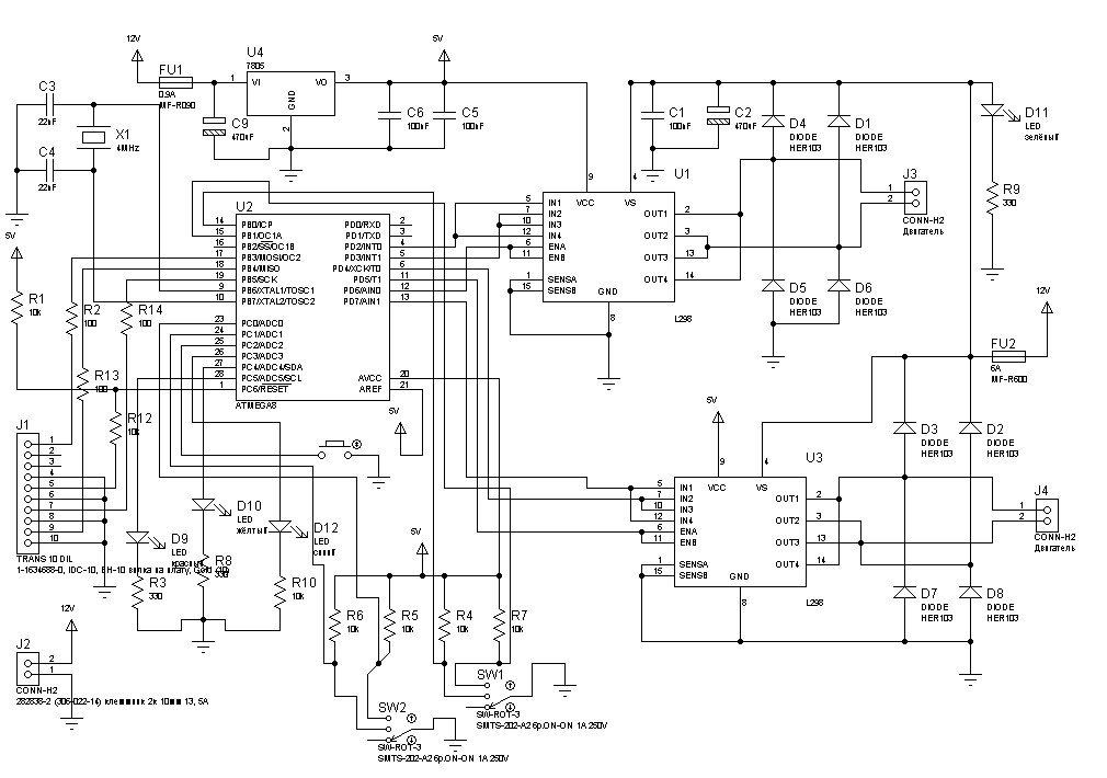
Сделал для интереса машинку.
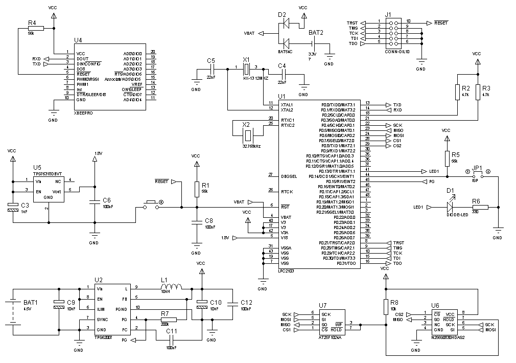
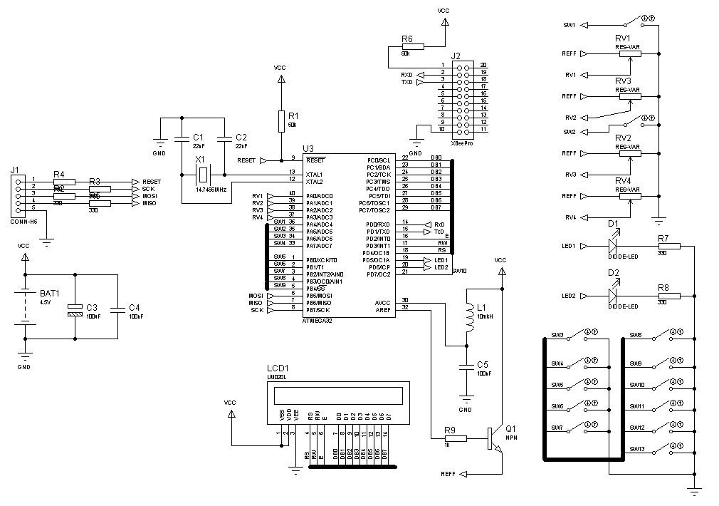
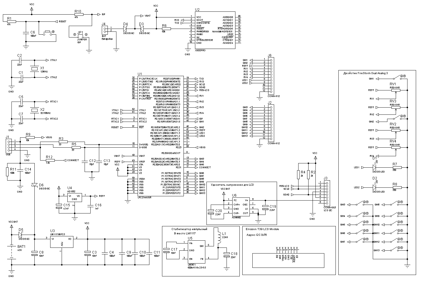
Управление делаю на ИК джойстике.
Фотки и схемы ниже.
			
				|  | roboforum.ruТехнический форум по робототехнике. |  | 

 
 
-= Александр =- писал(а):Кстати как управление?
 
 


 
 










Сейчас этот форум просматривают: нет зарегистрированных пользователей и гости: 0