CiSi » 29 янв 2010, 13:21
Пригодится!
============
Фотодатчик из компьютерной мыши.
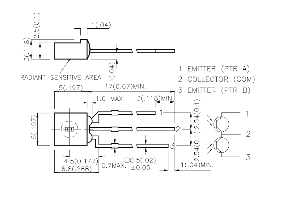
Датчик разделен на две части передающая (VD1) и принимающая (VD2). Передающая это светодиод работающий в инфракрасном диапазоне, а принимающая это два фотодиода в одном корпусе. Понятно, что два - для того чтобы можно было определить в какую сторону крутится колосеко мышки.
R1 - задает ток для светодиода. R2 служит для преобразования тока фотоприемника в напряжение (не использованная ножка VD2 это выход второго фотоприемника). Напряжение на этом сопротивлении меняется от 1.5В (нет света) до 3.4В (есть свет). Нижний предел в 1.5В слишком велик для переключения цифровой TTL схемы, в которой порог переключения составляет 0.8В. Поэтому используется операционный усилитель DA1 в режиме компаратора. Пороговое напряжение для него задает резистивный делитель R3, R4 которое составляет 2.5В. Можно считать, что с выхода DA1 идет уже цифровой сигнал.
Для уменьшения случайных наводок и ложных срабатывания, можно ввести гистерезис в уровни переключения DA1. Для этого нужно включить условно показанные резисторы R6, R7 (R6 в разрыв между R2 и DA1). Чем ближе номинал R6 к R7 тем шире будет петля гестерезиса или тем дальше друг от друга будут уровни переключения из "0" в "1" и из "1" в"0". Так при приведенных номиналах уровень переключения из "0" в "1" 2.8В, а из "1" в "0" 2.1В.
Далее для примера изображена простенькая схемка индикации из инвектора DD1 и светодиода. Когда между VD1 и VD2 будет находится предмет мешающий прохождению света, будет гореть светодиод VD3.
Необходимо учитывать возможность внешних, мешающих, воздействий. Датчик также хорошо принимает излучение, как на стороне передатчика так и с противоположной. Когда я испытывал схему, она реагировала на настольную лампу. Поэтому датчик нужно помещать в какой ни будь корпус, защищающий его от внешнего света.
====================================================================
Добавлено спустя 1 час 30 минут 9 секунд:
Вот как и предпологал, начались проблемы. Выпилил из мыши два таких датчика, приклеил их к механизму как надо. Припаял выводы диода и фотоприемника к плате. ИК диод подключил сначало через резистор (один резистор на два ик диода в 500 Ом) на питание (оно напомню 5В). Вобщем, диоды не горели, выпаял резистор, один диод загорелся (и то как то слабенько) при двух включонных не горит. Ну это еще ладно. Начал подключать приемник, подключил вроде как надо (через подтяжку и т.д.). Мерию напряжение на приемнике, вольтметр показывает 0.15В при включонном ИК диоде. При выключеном диоде 0.45В.
- Вложения
-

- mouse.gif (4.35 КиБ) Просмотров: 3982