roboforum.ru

Технический форум по робототехнике.

1 - преветы :) 2 - памагиите!!! (как, впрочем, многие)

Робот на простых аналоговых элементах.

Re: 1 - преветы :) 2 - памагиите!!! (как, впрочем, многие)

Сообщение Duhas » 11 июл 2009, 22:32

ну моторчики типа как во всяких плеерах я припаивал ) работали без проблем...
«Как сердцу выразить себя? … Мысль изреченная есть ложь!»
В этом мире меня подводит доброта и порядочность...
"двое смотрят в лужу, один видит лужу, другой отраженные в ней звезды"
Аватара пользователя
Duhas
 
Сообщения: 6338
Зарегистрирован: 15 сен 2007, 13:03
Откуда: Красноярск
прог. языки: ASM(МК), C(PC)
ФИО: Гагарский Андрей Александрович

Re: 1 - преветы :) 2 - памагиите!!! (как, впрочем, многие)

Сообщение MegaBIZON » 09 сен 2009, 21:20

Ятут :)
короче, "моргалки" я отринул, так как по моему разумению они на свои подмигивания энергию тратят, что в условиях питания от светобатареек - дас ист моветон.
А с теми деталюшками, которые по всему миру в этих целях используются, и про которые я на протяжении всей этой темы ревел, у меня не получается - какой-то я кривой видимо. Вот и забросил до поры.

И это... обсуждати как паяльником паяти - есть раздел "технологии", и в нём про паяла уже стока всего понаписано, что жуть.
нувыпоняли.
.............солнце светит, птички поют, я - зелёный бамбук меня тянет к солнцуЯ - зелёный бамбук, я - зелёный бамбук , меня тянет к солнцу. Я - не огурчик и не лягушка, я - зелёный бамбук. Меня курят...............
Аватара пользователя
MegaBIZON
 
Сообщения: 6285
Зарегистрирован: 12 янв 2007, 00:34
Откуда: Масква

Re: 1 - преветы :) 2 - памагиите!!! (как, впрочем, многие)

Сообщение MegaBIZON » 14 сен 2009, 03:08

В Челябу, кстати, уже второй год как добраться не могу... А там ведь столько делов&литров :roll:

Кстати, прикол: у меня ведь так и не получилось родить бима. Смешно же - столько сайтов с отлично работающими бимами, вёдра бимов! и только у меня никак... Ни того, с 1171, ни другого, с фледами. 5 (ПЯТЬ!) деталек спаять! и не работает. Это же мистика! Даже светодиодный вариант, который у меня в то время хоть как-то работал - и тот получаться отказывается! :cry:
Может я типа проклят? Ведь это же маразм! пять деталек не могу заставить работать... Всё спаять получается, кроме питания мотора от солярки.
снимите порчу, а?

люди, я в панике.
.............солнце светит, птички поют, я - зелёный бамбук меня тянет к солнцуЯ - зелёный бамбук, я - зелёный бамбук , меня тянет к солнцу. Я - не огурчик и не лягушка, я - зелёный бамбук. Меня курят...............
Аватара пользователя
MegaBIZON
 
Сообщения: 6285
Зарегистрирован: 12 янв 2007, 00:34
Откуда: Масква

Re: 1 - преветы :) 2 - памагиите!!! (как, впрочем, многие)

Сообщение Master » 14 сен 2009, 10:44

Выкладывай фотку бима, без фотки снять порчу не получится. А так мы ее распечатаем, яичком покатаем...
Аватара пользователя
Master
 
Сообщения: 4468
Зарегистрирован: 21 дек 2006, 19:56
Откуда: Украина, г.Одесса
прог. языки: Delphi и С

Re: 1 - преветы :) 2 - памагиите!!! (как, впрочем, многие)

Сообщение MegaBIZON » 14 сен 2009, 11:08

да стыдно этот стыд выкладывать... лана, вечерком попробую, если додома дойду (я щас не каждый день дома бываю)
.............солнце светит, птички поют, я - зелёный бамбук меня тянет к солнцуЯ - зелёный бамбук, я - зелёный бамбук , меня тянет к солнцу. Я - не огурчик и не лягушка, я - зелёный бамбук. Меня курят...............
Аватара пользователя
MegaBIZON
 
Сообщения: 6285
Зарегистрирован: 12 янв 2007, 00:34
Откуда: Масква

Re: 1 - преветы :) 2 - памагиите!!! (как, впрочем, многие)

Сообщение galex1981 » 14 сен 2009, 13:31

Может быть в этом оригинальность какая то есть, так что охота все таки посмотреть...
if(!Operate) Read(pDatasheet);
Аватара пользователя
galex1981
 
Сообщения: 4363
Зарегистрирован: 04 дек 2008, 22:44
Откуда: Камышин
Skype: galk-aleksandr1
прог. языки: Kotlin, Java, C, C++, Assm, BasCom, VB, php
ФИО: Галкин Александр Владимирович

Re: 1 - преветы :) 2 - памагиите!!! (как, впрочем, многие)

Сообщение MegaBIZON » 14 сен 2009, 19:32

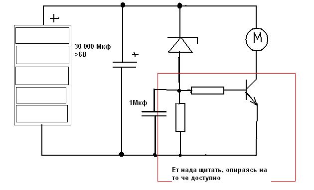
короче, дома меня нет, так что вот вам просто схема, по случаю найденая в сети. Напомню: это одна из наиболее часто встречаемых повсеместно, что говорит о надёжности (ну и о простоте конечно).
вот
Изображение
Вот и скажите мне, чему тут не работать? в чём тут могла поселиться мистика? тут же ничего толком нет...
.............солнце светит, птички поют, я - зелёный бамбук меня тянет к солнцуЯ - зелёный бамбук, я - зелёный бамбук , меня тянет к солнцу. Я - не огурчик и не лягушка, я - зелёный бамбук. Меня курят...............
Аватара пользователя
MegaBIZON
 
Сообщения: 6285
Зарегистрирован: 12 янв 2007, 00:34
Откуда: Масква

Re: 1 - преветы :) 2 - памагиите!!! (как, впрочем, многие)

Сообщение Aseris » 14 сен 2009, 23:53

Если диод или транзюк самый левый припаять криво либо солнечный елемент мало вольтов дает и нехватает диодик запустить который как я понимаю фоторезюк соблазняет, открываются транзюки поочередно и начинает крутится моторчик, в ето время диодик которого закоротили 2N3904 умирает (гаснет) и пока кондюк не сел у нас моторчик крутится ... вроде так если с направлением открывающих токов не напутал

Добавлено спустя 24 минуты 43 секунды:
Простая схемка на доступных деталях, тока транзюк и резюки не вписаны ибо не знаю что доступно, принцип работы простой, солнечка заряжает большой и толстый кондюк, иза природы кондюка пока он ненакопит енергию он не даст поднятся разнице потенциалов на его обкладках до напруги номинальной солнечки, но ему етого недаст сделать стабилитрон, ибо тот кусок схемы недаст кондюку зарядится выше напряжения пробоя стабилитрона (типа его номинал) + пары миливольт на резюке, те когда кондюк зарядится, стабилитрон пробивает, он заряжает кондюк поеньше, напруга на котором открывает транзистор (как говорится если полярность для базы не перепутал, если перепутал то берем не n-p-n a p-n-p транзюк) и пока не сядет етот маленький кондюк моторчик крутитцо и жрет енергию из большого и толстого кондюка.

придет вдохновение то мож для какого нить МПхх прощитаю схему
Вложения
shemka.JPG
Аватара пользователя
Aseris
 
Сообщения: 1142
Зарегистрирован: 01 сен 2009, 14:58
Откуда: Чехия
прог. языки: C/С++, VHDL, Verilog, ASM, Python

Re: 1 - преветы :) 2 - памагиите!!! (как, впрочем, многие)

Сообщение MegaBIZON » 15 сен 2009, 09:48

в стабилитронах ничё не понимаю, но вроде звучит логично... попробовать штоль...
лана, пойду стабилитронами тариться.
.............солнце светит, птички поют, я - зелёный бамбук меня тянет к солнцуЯ - зелёный бамбук, я - зелёный бамбук , меня тянет к солнцу. Я - не огурчик и не лягушка, я - зелёный бамбук. Меня курят...............
Аватара пользователя
MegaBIZON
 
Сообщения: 6285
Зарегистрирован: 12 янв 2007, 00:34
Откуда: Масква

Re: 1 - преветы :) 2 - памагиите!!! (как, впрочем, многие)

Сообщение Aseris » 15 сен 2009, 12:27

Какие транзюки доступны? там ведь резисторы для него пощитать нада

К стабилитронам - его основная характеристика ет ток пробоя на импортных маленьких стекляшках прям так и пишется 3,3V 5.1V , ...... типа напруга на которую он стабилитронить должен
Аватара пользователя
Aseris
 
Сообщения: 1142
Зарегистрирован: 01 сен 2009, 14:58
Откуда: Чехия
прог. языки: C/С++, VHDL, Verilog, ASM, Python

Re: 1 - преветы :) 2 - памагиите!!! (как, впрочем, многие)

Сообщение MegaBIZON » 15 сен 2009, 12:39

транзюки 2N3904, b 2N3906

Ты, я так понимаю, эту схему сам только что придёмал? тоесть не опробовал ещё.
Мне интереснее, почему может не работать та, которую я тут показал. По которой собрано уже тонны бимов.
.............солнце светит, птички поют, я - зелёный бамбук меня тянет к солнцуЯ - зелёный бамбук, я - зелёный бамбук , меня тянет к солнцу. Я - не огурчик и не лягушка, я - зелёный бамбук. Меня курят...............
Аватара пользователя
MegaBIZON
 
Сообщения: 6285
Зарегистрирован: 12 янв 2007, 00:34
Откуда: Масква

Re: 1 - преветы :) 2 - памагиите!!! (как, впрочем, многие)

Сообщение Aseris » 15 сен 2009, 14:46

Ну транзистор ето такая штука которая любит чтобы в схеме все его режим соблюдало, те, у тебя мотор может другой быть, солнечная не вытягивать, чтото перепутано местами.

Собраная схема вобще хоть какието признаки жизни подает??

Диодик светится/мигает, если есть возможность померять напругу на кондюке, еще в идеале токи что текут через транзюки, вариантов много


А схему че я наваял попробую вечером через симулятор прогнать. и выложу ее в облизаном виде, (ели не придет вдохновение ваять контролер ноги своего хексапода)
Аватара пользователя
Aseris
 
Сообщения: 1142
Зарегистрирован: 01 сен 2009, 14:58
Откуда: Чехия
прог. языки: C/С++, VHDL, Verilog, ASM, Python

Re: 1 - преветы :) 2 - памагиите!!! (как, впрочем, многие)

Сообщение MegaBIZON » 15 сен 2009, 14:55

хехе :) Да, вдохновение, оно такая штука, которая как транзистор - всё должно по еёному происходить, знаю :)

Короче, резистор у меня не 2.2К, а ровно 2К, что помоему не должно быть существенно, хотя, может в этом и причина. Моторов я перетыкал туда разных, и вибра там была, и поболее... всякие.
.............солнце светит, птички поют, я - зелёный бамбук меня тянет к солнцуЯ - зелёный бамбук, я - зелёный бамбук , меня тянет к солнцу. Я - не огурчик и не лягушка, я - зелёный бамбук. Меня курят...............
Аватара пользователя
MegaBIZON
 
Сообщения: 6285
Зарегистрирован: 12 янв 2007, 00:34
Откуда: Масква

Re: 1 - преветы :) 2 - памагиите!!! (как, впрочем, многие)

Сообщение Aseris » 15 сен 2009, 15:03

Подклись сцилочкой откуда сея схема, може та что умное увижу.
а 2,2К/ 2к ну... ток побольше течь будет... хотя транзюк вроед открытся должен если живой...

и вольтаж солнечки для схемы должен быть такой чеб через последовательно включеное двигло резюк 2К и диод тек ток, чтоб етот диод хоть както подавал признаки жизни, проверь полярность впайки диода, если он кверхногами впаян то ниче там течь не будет
Аватара пользователя
Aseris
 
Сообщения: 1142
Зарегистрирован: 01 сен 2009, 14:58
Откуда: Чехия
прог. языки: C/С++, VHDL, Verilog, ASM, Python

Re: 1 - преветы :) 2 - памагиите!!! (как, впрочем, многие)

Сообщение MegaBIZON » 15 сен 2009, 16:35

ФЛЕД моргает, всё намано. выдёргиваю мотор - вырубается флед.
Ток у солнечки... хм... короче, её впалне хватает зарядить кандёра так, чтоб от этого кандёра мотор делал вполне достаточный для данных нужд "дрыг".
Если нужно померять именно ток у самой панельки, подскажи как это сделать пограмотнее - я в этом дуб. Вольты понимаю, а амперы как-то неочень.
.............солнце светит, птички поют, я - зелёный бамбук меня тянет к солнцуЯ - зелёный бамбук, я - зелёный бамбук , меня тянет к солнцу. Я - не огурчик и не лягушка, я - зелёный бамбук. Меня курят...............
Аватара пользователя
MegaBIZON
 
Сообщения: 6285
Зарегистрирован: 12 янв 2007, 00:34
Откуда: Масква

Пред.След.

Вернуться в BEAM роботы

Кто сейчас на конференции

Сейчас этот форум просматривают: нет зарегистрированных пользователей и гости: 0

cron