схемка изъезженная, но надёжная.. лежит в топе
темы с готовыми бимами.

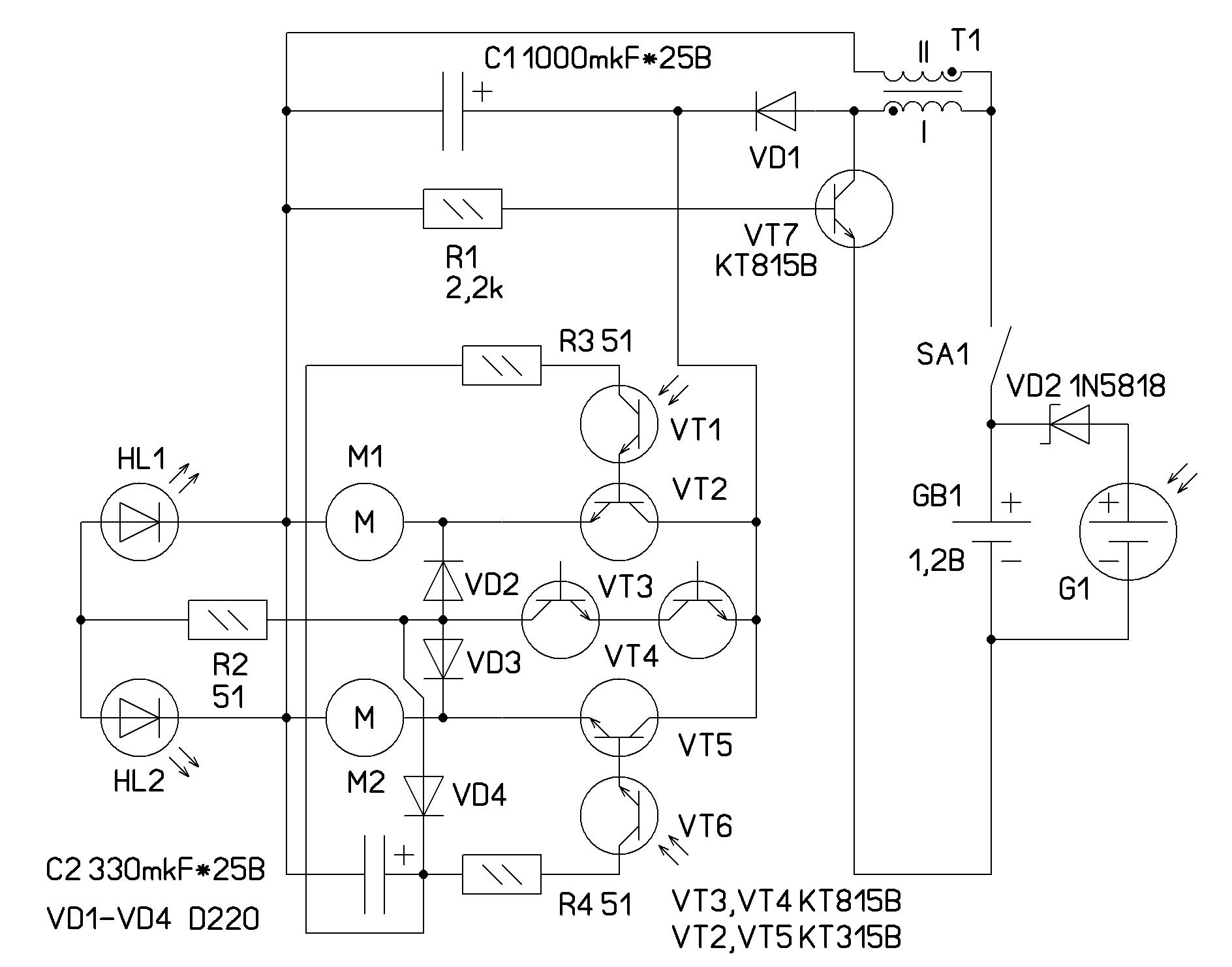
Светики вроде загранишные.. Я пробовал и с прозрачным корпусом, полагая, что "схватывать" освещённость они будут чётче - но они достаточно явно несколько раз успевали моргнуть, прежде чем дать толчок для работы триггера. Короче, впустую тратили энергию. Лучше брать такие вот матовые.
Логично уточнять при покупке вольтаж светодиодов, но до сей поры я как-то об этот моменте не задумывался. Тупо, согласен.
Панелька без нагрузки под солнцем показывает что-то под шесть вольт..
Кондёр 3300мф.. можно и поменьше-побольше.. не особо важно. Лучше, конечно, побольше - но они и потяжелее.