15 июн 2009 21:02 Пн была создана эта тема, и вот только вчера вечером я собрал корпус усилителя и запихал его туда. Провел тестовое включение и в 2 часа ночи лег спать. Как говорится не прошло и года, точнее прошло, но чуток больше. Спасибо всем кто помогал советом мне в этом тяжком деле.

Короче самое сложное и дорогое это корпус, я их для этого усилка сделал 3 штуки, пока нашел ту компоновку, которая мне понравилась.
Осталось дело за малым, поганять его хорошенько, и если все будет гуд, доделать еще 2 канала.
Фотки седня вечером выложу.
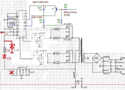
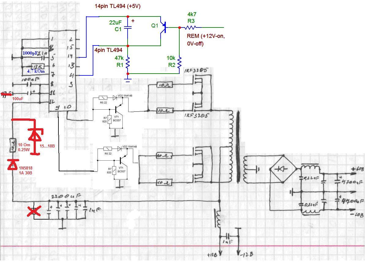
П.С. остался все же один момент о котором я писал и который меня смущает, в момент подачи питания на ИИП на его выходе появляется +-30В, хотя на линию REM (на схеме обозначена как +12В от магнитолы) ничего не подано.