![]() |
roboforum.ruТехнический форум по робототехнике. |
|
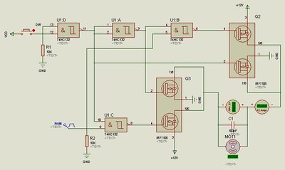
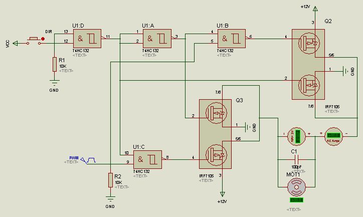
при питании выше примерно 8 вольт верхние транзисторы будут постоянно открыты.SMT писал(а):Прошу взглянуть на схему (взята из Минибот-а). Мне кажется не правильно у меня сделано.
$regfile = "m48DEF.dat"
$crystal = 7372800
$baud = 9600
'---------------------------порт А---------------------------------------------
Config Pinc.0 = Output : C0 Alias Portc.0
Config Pinc.1 = Output : C1 Alias Portc.1
Config Pinc.2 = Output : C2 Alias Portc.2
Config Pinc.3 = Output : C3 Alias Portc.3
Config Pinc.4 = Output : C4 Alias Portc.4
Config Pinc.5 = Output : C5 Alias Portc.5
Config Pinc.6 = Output : C6 Alias Portc.6
Config Pinc.7 = Output : C7 Alias Portc.7
Config Pind.0 = Input : УСАРТ_вход Alias Pind.0
Config Pind.1 = Output : УСАРТ_выход Alias Portd.1
Config Pind.5 = Output : Serva1 Alias Portd.5
Config Pind.6 = Output : Serva Alias Portd.6
'---------------------------Программа------------------------------------------
Config Timer1 = Pwm , Pwm = 8 , Prescale = 1 , Compare A Pwm = Clear Down , Compare B Pwm = Clear Down
Print "Test PWM"
Dim Speed As Byte
Speed = 20
Pwm1a = Speed
Pwm1b = Speed
C2 = 0
C1 = 0
C0 = 0
Do
For Speed = 20 To 220 Step 20
Pwm1a = Speed
Pwm1b = Speed
Waitms 200
Next I
Toggle C0
For Speed = 200 To 20 Step -20
Pwm1a = Speed
Pwm1b = Speed
Waitms 200
Next I
Toggle C0
Toggle C2
Toggle C1
Loop
Вернуться в Электроника, электротехника
Сейчас этот форум просматривают: нет зарегистрированных пользователей и гости: 0