mitart » 26 июн 2009, 18:32
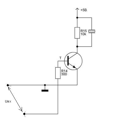
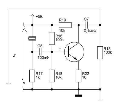
Я извиняюсь за непонятливость но есть пара вопросов по схемам приемника и передатчика, приведенным на третьей странице(вкладываю их сюда). Пьезоэлементы в схеме - это ик передатчик и приемник(в соответствующих схемах)? По схеме передатчика - в качестве Uвх надо подавать сигнал с частотой, на который работает передатчик? По схеме приемника - выходное напряжение снимать, как показано U1, или еще как? и подавать потом надо на ацп или обычный цифровой вход мк? извиняюсь, но в интернете не нашел литературу на эту тему(тока на англ. языке, а это проблема для меня).
- Вложения
-

- передатчик
- .jpeg (8.2 КиБ) Просмотров: 2309
-

- приемник
- .jpeg (14.44 КиБ) Просмотров: 2299