olesya писал(а):http://grathio.com/2009/11/secret-knock-detecting-door-lock.html это сикрет нок
а амплифаер я еще пока не спаяла - я думаю:) как что куда и зачем:)
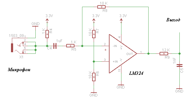
удобная схемка предварительного усилительного каскада на микрофон, но она нужна по моему мнению для полноценной обработки звука...для схемы дунул-крутится излишняя..
Добавлено спустя 2 минуты 6 секунд:
неа это разделитльный конденсатор (электролитически ,подключеный на делительнапряжения (резистивный)
Олеся искренне советую найти тут на форуме ветку по Протеус, это электронный симулятор электрических схем и деталей, и в нем покапаться вам это очень поможет))

по сути да
единственно мы воспринимаем её в логарифмической зависимости, хотя пожалуй это и не существенно в данном случае