А ты у нас тут сама понятливость/вежливость/прозрачность мыслей ?
![]() |
roboforum.ruТехнический форум по робототехнике. |
|
dimamichev писал(а):Допуск номиналов резисторов будет влиять, но не на 10 кнопок (а можа и не на 25).
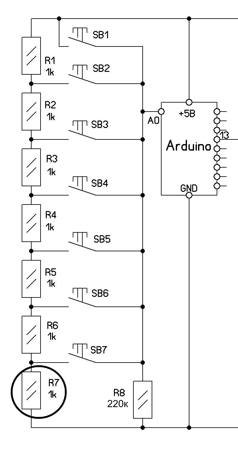
dimamichev писал(а):Идея отслеживания двух и более нажатых кнопок с дальнейшим запретом такая:на резисторе R7


Dmitry__ писал(а):Диалог слепых с глухими...
ilalexey писал(а):Это всё влияние пятницы.

Dmitry__ писал(а):Думаешь надо пойти бухнуть чтоб начать понимать? Сомневааааюююююююсь...
dimamichev писал(а):Итог (был вопрос зачем на один пин всё это)... добираюсь до команд goto и return, хочу 20 перделок
Dmitry__ писал(а):Кто-нибудь, понял что такое 20 перделок?

Вернуться в Arduino и другие Xduino
Сейчас этот форум просматривают: нет зарегистрированных пользователей и гости: 0