![]() |
roboforum.ruТехнический форум по робототехнике. |
|
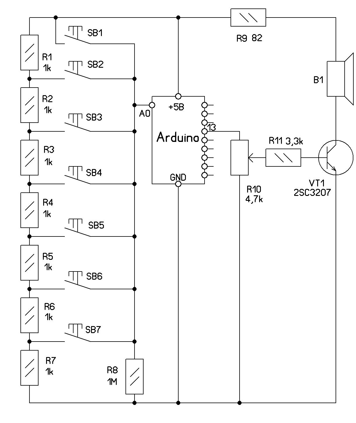
удачи, она вам понадобиться, что бы отдельные части пореже хоть полностью не переделывать.dimamichev писал(а):Вот идея клавиатуры - разгромите ежели не так...

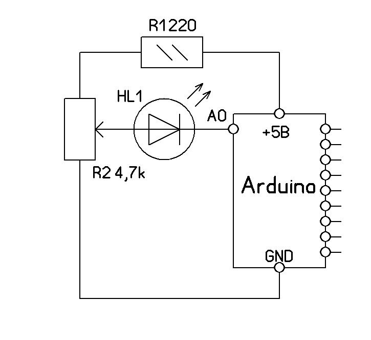
dimamichev писал(а):А как насчёт схемы? не вариант?
dimamichev писал(а):Пока планирую накопление "мыслей" с одним входо-выходом. Вот идея клавиатуры - разгромите ежели не так...

//////////////////////////////////////////////////////////////////////////////////////////////////////////////////////////////
//
// Arduino UNO
//
////////////////////////
//
//программа ЭМИ вариант 2 //
unsigned int n=0;
unsigned int x=0;
int tabl [8] ={0,261,293,329,349,392,
440,494 }; // зашифрованные данные нот – их частоты
void setup()
{
pinMode(13, OUTPUT);
digitalWrite(13, LOW);
pinMode(A0, INPUT);
}
void loop()
{
x=analogRead(A0); n=map(x, 0, 1025, 0, 8);
if ( n>0) {tone (13, tabl[n]);} // исполнение вызванной ноты
else { noTone(13) ;}
}
//
// Конец /
//
/////////////////////////////////////////////////////////////////////////////////////////////////////////////////////////////////

dimamichev писал(а):Семь нот - чижик-пыжик...
Вернуться в Arduino и другие Xduino
Сейчас этот форум просматривают: нет зарегистрированных пользователей и гости: 0