![]() |
roboforum.ruТехнический форум по робототехнике. |
|
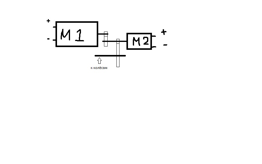
avr123.nm.ru писал(а):Вместо мотра резистор можно поставить или типа того.
А можно оба мотора на одну шестерню нагрузить.
Но с 1 мотором прикольней.
vadinator писал(а):Может лучше подумать о регулировке скорости одного мотора...


varava12 писал(а):Если уменьшать скорость уменьшением напряжения-уменьшиться и мощность, а я хочу как бы подобие коробки передач - пониженная и повышенная передачи.
какая ещё коробка передач для электромотора? шим видать просто так придумывали
да не используют [почти] коробки для электромоторов, ни на электрокарах, ни на rc моделях. управляют скоростью вращения именно моторов, а как можно на таком типе мотора управлять скоростью?
шимMegaBIZON писал(а):КПП как таковая электромотору в самом деле ни к чему.
не на всех электромобилях есть кпп, на то есть свои причины. в данном случае, она имхо наф не впала. 2 мотора идея тоже не из лучших.Angel71 писал(а)::) не на всех электромобилях есть кпп
кстати, а на каких серьезных электромобилях, по типу автомобилей общего пользования, её нету?
Сейчас этот форум просматривают: нет зарегистрированных пользователей и гости: 0