
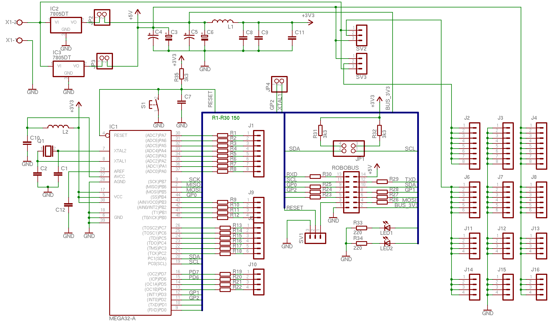
Чем короче дорожки до кварца - тем спокойнее спит разработчик

![]() |
roboforum.ruТехнический форум по робототехнике. |
|


Duhas писал(а):у некоторых стабов всякие возбуды и генерации встречаются
или уж на синий зуб пока поглядеть сделать на нём модуль?
щас открою тему, расскажу, что у меня на текущий момент получилось, и что планирую в итоге получить.
Вернуться в Разработка модулей
Сейчас этот форум просматривают: нет зарегистрированных пользователей и гости: 0