среда прошла давно, а фоток нет все..
ТС я надеюсь ты не бросил ИИ?
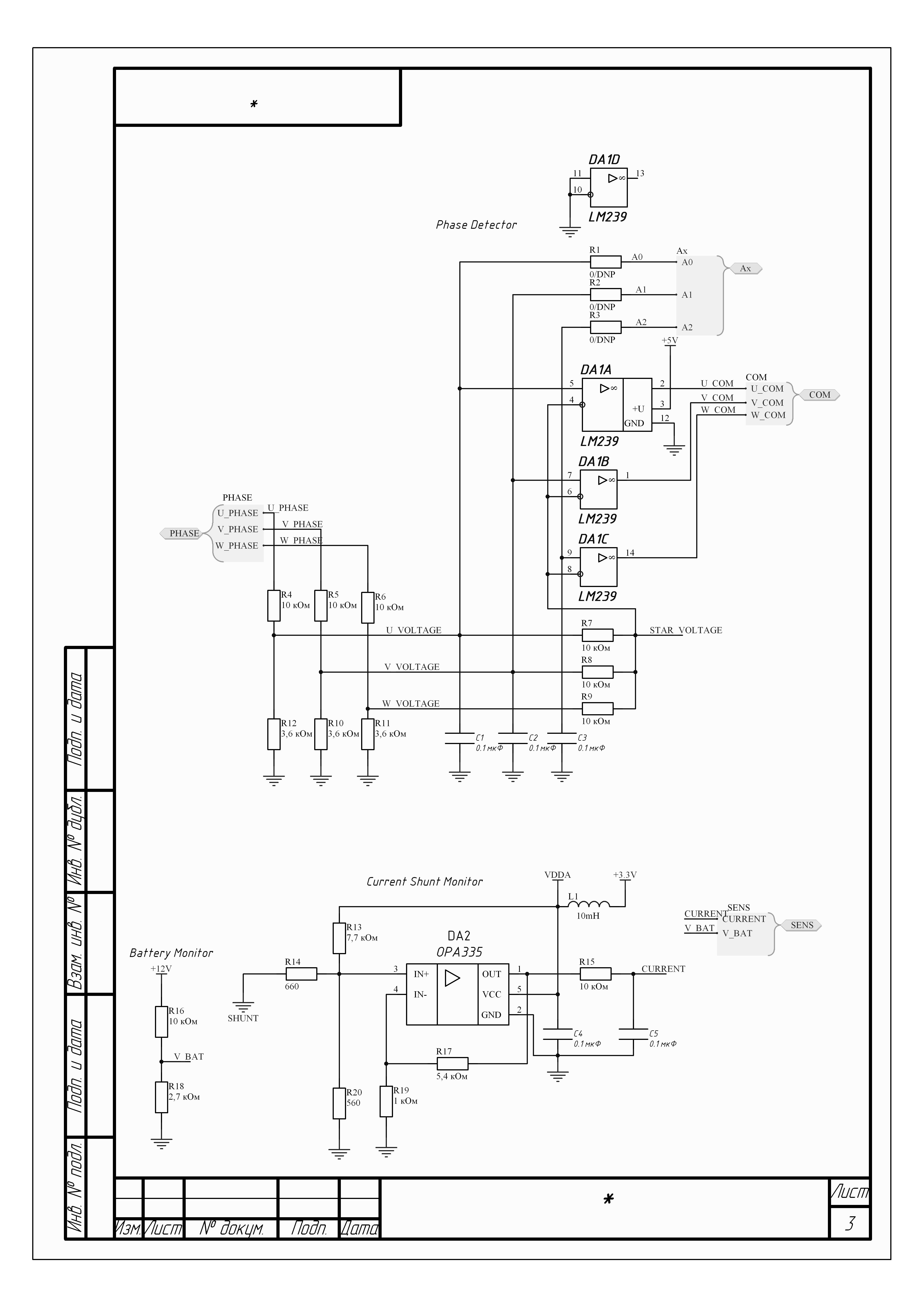
![]() |
roboforum.ruТехнический форум по робототехнике. |
|
. Ток - до 4 ампер. Потом сделаю модификацию для 150 ампер.dccharacter писал(а):а почему выбраны 207-е, а не сотки, как в чертежах по ЕСКД? МОжет надо на дискаверях делать - они по 9 долларов стоят! Если ты делаешь контроллер одного двигателя на ДВУХ недешевых евал-платах, то на всей системе сэкономишь около миллиона долларов.
gab писал(а):Да, dccharacter - ты задолбал. Я больше ничего не публикую. Сами разбирайтесь кто у вас самый крутой в песочнице.
dccharacter писал(а):ну так я что, говорю что ли что? давно уже ниц пал и лишь робко задаю уточняющие вопросы.

. Мы все грустим. Айда с нами.gab писал(а):учите матчасть.
Сейчас этот форум просматривают: нет зарегистрированных пользователей и гости: 0