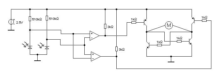
Во первых строках хочу принести извинения схеме, предложенной Мегабизоном. Сегодня вышло солнце, проверил при нем - все работает с обе стороны (А вчера вечером от ламп проверял). Можно собирать второго бима.
А насчет той чешской схемы я готов дать комментарии (много думал как она работает), а то, что она работает подтверждает видео. Но чуть попозже.
			
		





