Полное не понимание бутсрапного питания ! Оно возможно только при ШИМ переключающим ПОСТОЯННО диагонали Н-моста. При управлении Н-мостом - "направление - ШИМ" бутстрапное питание НЕ РАБОТАЕТ !!! дак как включается и выключается только ОДНА диагональ Н-моста. < avr123.nm.ru >
1) Необходимо сделать нормальное питание верха ! Например: генератор на LM555 и трансформатор на феритовом колечке с двумя выходами - изолироваными вторичными обмотками - на впрямители на одном 1n4148 для нормального питания драйверов верхних ключей. Либо ( считаю не удобней ) без феррита по схеме удвоения напряжения - пример схема рис. 4 AN1078 OnSemi.com - желательно 2 шт. LM555
2) Защита потоку не аппаратная а через контроллер и МЕДЛЕННЫЙ Lm358 ! Это не правильно. Контроллер может и проглючить и он может не успевать. Нужно делать защиту на компараторе LM339 - это счетверенный БЫСТРЫЙ достаточно и ДЕШОВЫЙ компаратор - его выход должен выключать драйверы MOSFET НЕПОСРЕДСТВЕННО !!! (схема ниже)
Если использовать управление - ШИМ без направления - т.е. 50% ШИМ - мотор стоит на месте то :
3) Нужен "Deadtime" - паузы гарантирующей отсутствие сквозноготока через верхн и ниж транзисторы одной стороны.
Драйверы IR2184 IR21844 имеют аппаратную паузу ! Можно использовать мою схему ниже - НО ПРОВЕРИВ её !
4) бутстрапный конденсатор нужно дополнить керамическим на 0.1 - 0.33 мкФ припаяным (как можно ближе) к ногам драйвера !
5) бутстрапный диод лучше заменить на 1n4148 последовательно с резистором 33 Ом.
6) питание этого драйвера не должно опускаться ниже 12 вольт !!!
7) ШИМ должен быть больше 5 % и не превышать 95 % - нельзя просто включать драйвер в одном направлении без ШИМ.
vas38 писал(а):с ШИМом и при 75% ШИМ ключи сдохли.
Причина выше ! наверняка.
РЕКОМЕНДУЮ ЧИТАТЬ: топик про Н-мост.
=======================
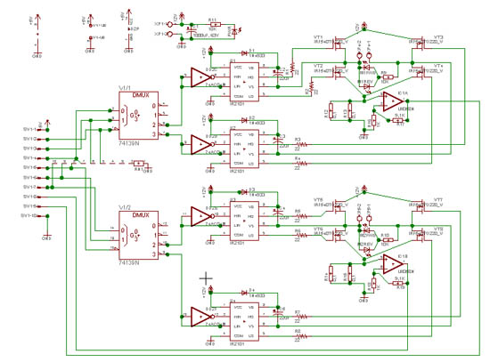
Вот нарисовал вариант: АППАРАТНЫЕ ! защита по току и пауза перед
включением ключей + защит от одновременного включения верха и низа.

=================
Собственно еще здесь не PR-лся

Характеристики:
Напряжение питания двигателей: 12В
Ток на каждый двигатель: до 10А
Сигналы управления на каждый двигатель:
* PWM - вход для ШИМ;
* DIR - направление вращения;
* STOP - принудительная остановка независимо от состояния PWM и DIR;
Особенности:
Датчик тока, отдельно на каждый двигатель;
Недостатки:
Драйвер может работать только в режиме ШИМ, подача постоянного высокого сигнала на вход PWM может привести к выходу платы из строя (в принципе некоторые промышленные драйверы также имеют такую версию, хотя есть и версии с возможностью полного ШИМ, но они дороже). Скорее всего буду делать версию поддерживающую полный ШИМ.
Готов и в целом протестирован первый экземпляр драйвера двигателей.
Буду рад услышать разный конструктив

