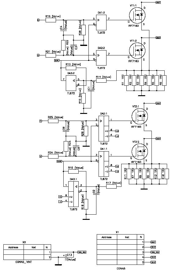
вот думаю тут драйвер шаговика.. оцените ) пока хочу макетик собрать ...
			
		|  | roboforum.ruТехнический форум по робототехнике. |  | 


 и кстати, а чего на меге, а не на специализированных микросхемах?
 и кстати, а чего на меге, а не на специализированных микросхемах?







Он без оптопар !nest писал(а):что то не пойму... Duhas, а нафига ?
есть же готовый:
.







 
 
Сейчас этот форум просматривают: нет зарегистрированных пользователей и гости: 0