roboforum.ru

Технический форум по робототехнике.

USB-осциллограф

Обсуждаем рождающиеся мысли и результаты экспериментов.

Re: USB-осциллограф

Сообщение =DeaD= » 04 фев 2009, 15:07

zubr писал(а):Приглашаю в вики. Или потрепимся еще малость?
[[Осциллограф]]

А чего там делать? Схему уже рисовать?

Добавлено спустя 11 минут 21 секунду:
Наверное есть смысл схему осцика накидать с интерфейсными местами, потом эти интерфейсные места формализовать, а потом отдельные блоки реализовывать, тогда в будущем можно будет модифицировать осцик частями, сохраняя все остальные наработки.
Проект [[Open Robotics]] - Универсальные модули для построения роботов
Аватара пользователя
=DeaD=
 
Сообщения: 24218
Зарегистрирован: 06 окт 2004, 18:01
Откуда: Ебург
прог. языки: C++ / PHP / 1C
ФИО: Антон Ботов

Re: USB-осциллограф

Сообщение zubr » 04 фев 2009, 15:10

=DeaD= писал(а):
zubr писал(а):Приглашаю в вики. Или потрепимся еще малость?
[[Осциллограф]]

А чего там делать? Схему уже рисовать?


Ну люди все разные. И думают по разному.
Надо написать что и как хотелось бы реализовать. Схема или исходный код - это вообще супер.

Добавлено спустя 1 минуту 1 секунду:
вово - я какраз модульность и имел в виду.
За здравый смысл у нас принимается мнение большинства.
zubr
 
Сообщения: 431
Зарегистрирован: 20 ноя 2008, 19:31
Откуда: Чернобыль
прог. языки: асмемблер
ФИО: Валентин Семенович

Re: USB-осциллограф

Сообщение =DeaD= » 04 фев 2009, 16:04

zubr писал(а):вово - я какраз модульность и имел в виду.

Тогда с этого и надо начать, чтобы было понятно где какая инфа гоняется, где какие требования к компонентам, памяти и рабочим частотам.

Добавлено спустя 16 минут 51 секунду:
Почистил тему немного от флуда.

Добавлено спустя 18 минут 7 секунд:
Еще почистил тему, тёрки перенёс, вот только ссылочку сюда оставлю, которую bolt запостил, может быть пригодится: http://rf.atnn.ru/s10/digital_osc.html

Добавлено спустя 16 минут 48 секунд:
2zubr: Модули осцика:

Блок 1:
* Препроцессинг сигнала;

Блок 2:
* АЦП + Запись в память
* Первичная обработка

Блок 3:
* Передача в устройство вторичной обработки (ПК или модуль на борту осциллографа);

Блок 4 на ПК:
* Драйвер сбора данных HiSpeed USB или обычный COM-порт;
* Софт для визуализации, обработки и хранения данных;

Блок 4 на борту осцика:
* Софт для визуализации, обработки и хранения данных без привязки к устройствам;
* Библиотека GUI без привязки к экрану;
* Драйвер экрана;
* Драйвер устройства хранения (оперативного и на флэшке);
* Драйвер канала передачи информации в ПК;

Как-то так?
Проект [[Open Robotics]] - Универсальные модули для построения роботов
Аватара пользователя
=DeaD=
 
Сообщения: 24218
Зарегистрирован: 06 окт 2004, 18:01
Откуда: Ебург
прог. языки: C++ / PHP / 1C
ФИО: Антон Ботов

Re: USB-осциллограф

Сообщение zubr » 04 фев 2009, 16:16

Просто супер.
Теперь есть таблица куда можно добавлять разные фичи.
Каждой фиче обязательно поставим коэффициент полезности/важности.

Ну и мелкие замечания типа ТЗ:
- Например обычный USB тоже полезен.
- Беспроводные интерефейсы вписать. (бесполезно но интересно :))
- Отметить что софту не только вундузятники должны радоваться.
- накопитель и экран кнопок точно потребуют
За здравый смысл у нас принимается мнение большинства.
zubr
 
Сообщения: 431
Зарегистрирован: 20 ноя 2008, 19:31
Откуда: Чернобыль
прог. языки: асмемблер
ФИО: Валентин Семенович

Re: USB-осциллограф

Сообщение -= Александр =- » 04 фев 2009, 18:06

Кстати не повредит посмотреть как устроены входные каскады в промышленных моделях... Есть схемы С1-114 и С1-94, только тяжелые очень. Если надо - пережму и выложу.
Ниндзя - круче всех. Они умеют ходить по воде, делить на ноль и угадывать шаффл в АйПоде.
Аватара пользователя
-= Александр =-
Мастер Самоделкин
 
Сообщения: 3678
Зарегистрирован: 11 окт 2004, 19:20
Откуда: Россия, СПб
прог. языки: C/C++, Python, asm
ФИО: Курмис Александр Андреевич

Re: USB-осциллограф

Сообщение zubr » 04 фев 2009, 18:24

-= Александр =- писал(а):Кстати не повредит посмотреть как устроены входные каскады в промышленных моделях... Есть схемы С1-114 и С1-94, только тяжелые очень. Если надо - пережму и выложу.

супер. прямо в вику плиз.
За здравый смысл у нас принимается мнение большинства.
zubr
 
Сообщения: 431
Зарегистрирован: 20 ноя 2008, 19:31
Откуда: Чернобыль
прог. языки: асмемблер
ФИО: Валентин Семенович

Re: USB-осциллограф

Сообщение =DeaD= » 05 фев 2009, 00:37

Добавил в вику ссылок - [[Осциллограф]]
Сейчас блок схему накидаю.

Добавлено спустя 7 минут 42 секунды:
Структуру в вику скинул, дальше думаю надо подробно разобрать тот открытый осцик на 2 канала на 5 MSPS и только потом дальше самим что-то проектировать, после того, как будет понятно, зачем что у них сделано.

Добавлено спустя 22 минуты 49 секунд:
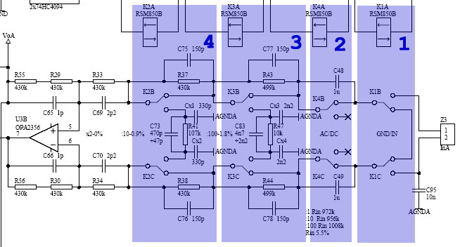
Начал копаться, и пока вот чего не понял в схеме той:
1. Зачем там К1А реле - зачем щуп отцеплять от цепи?

Приблизительно понял, что:
2. К2А - это для отрезания постоянной составляющей;
3. К3А, К4А - делители в 50 и в 10 крат;

Прав по последним?

Еще приблизительно, на выходе с усилителя -подключаемые RC-фильтры для отрубания верхних частот (1КГц до 1МГц).
Проект [[Open Robotics]] - Универсальные модули для построения роботов
Аватара пользователя
=DeaD=
 
Сообщения: 24218
Зарегистрирован: 06 окт 2004, 18:01
Откуда: Ебург
прог. языки: C++ / PHP / 1C
ФИО: Антон Ботов

Re: USB-осциллограф

Сообщение zubr » 05 фев 2009, 00:57

ну гдето так.
отцеплять - чтоб калибровать 0.
За здравый смысл у нас принимается мнение большинства.
zubr
 
Сообщения: 431
Зарегистрирован: 20 ноя 2008, 19:31
Откуда: Чернобыль
прог. языки: асмемблер
ФИО: Валентин Семенович

Re: USB-осциллограф

Сообщение =DeaD= » 05 фев 2009, 10:18

Итах первый блок препроцессинга для дифференциального входа:

1. Калибровочный блок, замыкающий для калибровки дифференциальный входы между собой;
2. Подключаемый блок отсечения постоянной составляющей сигналов;
3. Делитель 50 кратный;
4. Делитель 10 кратный;

(3-4 - если ничего не напутал, и не понял - зачем там везде кондёры параллельно резисторам и к земле?)
Вложения
osc-in.jpg
Проект [[Open Robotics]] - Универсальные модули для построения роботов
Аватара пользователя
=DeaD=
 
Сообщения: 24218
Зарегистрирован: 06 окт 2004, 18:01
Откуда: Ебург
прог. языки: C++ / PHP / 1C
ФИО: Антон Ботов

Re: USB-осциллограф

Сообщение avr123.nm.ru » 05 фев 2009, 14:19

Вот интересный самодельнй запоминающий осциллограф, есть схема и фото платы
http://forum.roboclub.ru/IPBoard/index. ... 131&st=340
Аватара пользователя
avr123.nm.ru
отсылающий читать курс
 
Сообщения: 14195
Зарегистрирован: 06 ноя 2005, 04:18
Откуда: Москва
Предупреждения: -8

Re: USB-осциллограф

Сообщение Mazayac » 05 фев 2009, 15:05

=DeaD= писал(а):(3-4 - если ничего не напутал, и не понял - зачем там везде кондёры параллельно резисторам и к земле?)

Кондеры - для коррекции АЧХ, я так понимаю.
Аватара пользователя
Mazayac
 
Сообщения: 377
Зарегистрирован: 25 апр 2008, 17:40
Откуда: Нижний Новгород
ФИО: Непочатов Алексей Николаевич

Re: USB-осциллограф

Сообщение bolt » 05 фев 2009, 15:26

Вот интересный самодельнй запоминающий осциллограф, ...

Это не осциллограф, а скорее пробник. Встроенный ADC имеет 15..50kSPS, т.е. не больше 50 точек при оцифровке 1kHz сигнала.
Аналогичный пробник можно найти здесь http://mkeia1340.republika.pl/Oscyloskopy/moc1k_en.htm, здесь http://www.semifluid.com/?p=9 и Радио №6 за 2004г.
bolt
 
Сообщения: 281
Зарегистрирован: 01 дек 2008, 19:21

Re: USB-осциллограф

Сообщение Duhas » 05 фев 2009, 17:00

вы взялись разрабатывать или как? если да то огласите питание и прочие "детали"...
«Как сердцу выразить себя? … Мысль изреченная есть ложь!»
В этом мире меня подводит доброта и порядочность...
"двое смотрят в лужу, один видит лужу, другой отраженные в ней звезды"
Аватара пользователя
Duhas
 
Сообщения: 6338
Зарегистрирован: 15 сен 2007, 13:03
Откуда: Красноярск
прог. языки: ASM(МК), C(PC)
ФИО: Гагарский Андрей Александрович

Re: USB-осциллограф

Сообщение =DeaD= » 05 фев 2009, 17:01

2Duhas: Это ты к кому сейчас? :pardon:
Проект [[Open Robotics]] - Универсальные модули для построения роботов
Аватара пользователя
=DeaD=
 
Сообщения: 24218
Зарегистрирован: 06 окт 2004, 18:01
Откуда: Ебург
прог. языки: C++ / PHP / 1C
ФИО: Антон Ботов

Re: USB-осциллограф

Сообщение Duhas » 05 фев 2009, 17:04

тебе, как зачинателю данной темы)
«Как сердцу выразить себя? … Мысль изреченная есть ложь!»
В этом мире меня подводит доброта и порядочность...
"двое смотрят в лужу, один видит лужу, другой отраженные в ней звезды"
Аватара пользователя
Duhas
 
Сообщения: 6338
Зарегистрирован: 15 сен 2007, 13:03
Откуда: Красноярск
прог. языки: ASM(МК), C(PC)
ФИО: Гагарский Андрей Александрович

Пред.След.

Вернуться в Идеи

Кто сейчас на конференции

Сейчас этот форум просматривают: нет зарегистрированных пользователей и гости: 0

cron