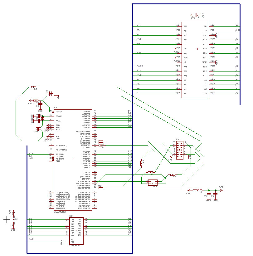
Вот пока рабочий рисунок платки
Добавлено спустя 3 минуты 38 секунд:
По ходу возникла проблема - как этот модуль сделать рабочим по UART в обоих вариантах (master \ slave) - придумалось следующее - делается сдвоенный джампер 2x2. По диагонали подключаются RX,TX контроллера и по другой диагонали RX,TX шины. Можно выставив перемычки в "||" или в "=" сделать прямое или обратное подключение UART'а.



