roboforum.ru

Технический форум по робототехнике.

Помогите пожалуйста реализовать идею.

Раздел создан специально для людей которым интересна робототехника, но в силу разных причин они не знают с чего начать.
Задавайте ваши вопросы, какими бы простыми они не казались, постоянные посетители форума постараются ответить на них по мере своих сил.
Робот своими руками. Самодельный робот.

Re: Помогите пожалуйста реализовать идею.

Сообщение Klim222 » 26 окт 2015, 03:12

Zusul86 писал(а):Попробую накидать на днях. Только основную часть,без процессора так как его по сути программисту выбирать.



Спасибо
Klim222
 
Сообщения: 13
Зарегистрирован: 23 окт 2015, 01:00

Re: Помогите пожалуйста реализовать идею.

Сообщение TedBeer » 26 окт 2015, 14:01

Angel71 писал(а):TedBeer, понятия не имею как оно там работает. на первой странице с рамками ещё понятно, а дальше что там как происходит не в курсе. по вашему видео шаговик проворачивает и этот шаговик ещё что-то тягает. так вот, всё зависит от того, сколько раз за цикл нужно шаговик тягать и сколько этот шаговик проворачивается. предположим проворачивает туда и обратно шаговик + утянуть его к следующей нити это пол секунды.

Вы цифры какие-то от балды выдаете. Я выше написал расчет. За 1 секунду все 50-60 курков будут передернуты. Один мотор отвечает _только_ за взвод/спуск курков и совсем другой мотор (который не нарисован) будет тягать каретку с механизмом взвода вперед-назад.
ЗЫ. Но топик стартер уже похоже определился со своим вариантом.
Аватара пользователя
TedBeer
 
Сообщения: 1129
Зарегистрирован: 08 авг 2012, 00:38
Откуда: Нидерланды, Алмере
Skype: edwbes
ФИО: Эдуард

Re: Помогите пожалуйста реализовать идею.

Сообщение Zusul86 » 27 окт 2015, 00:23

Klim222 писал(а):Спасибо
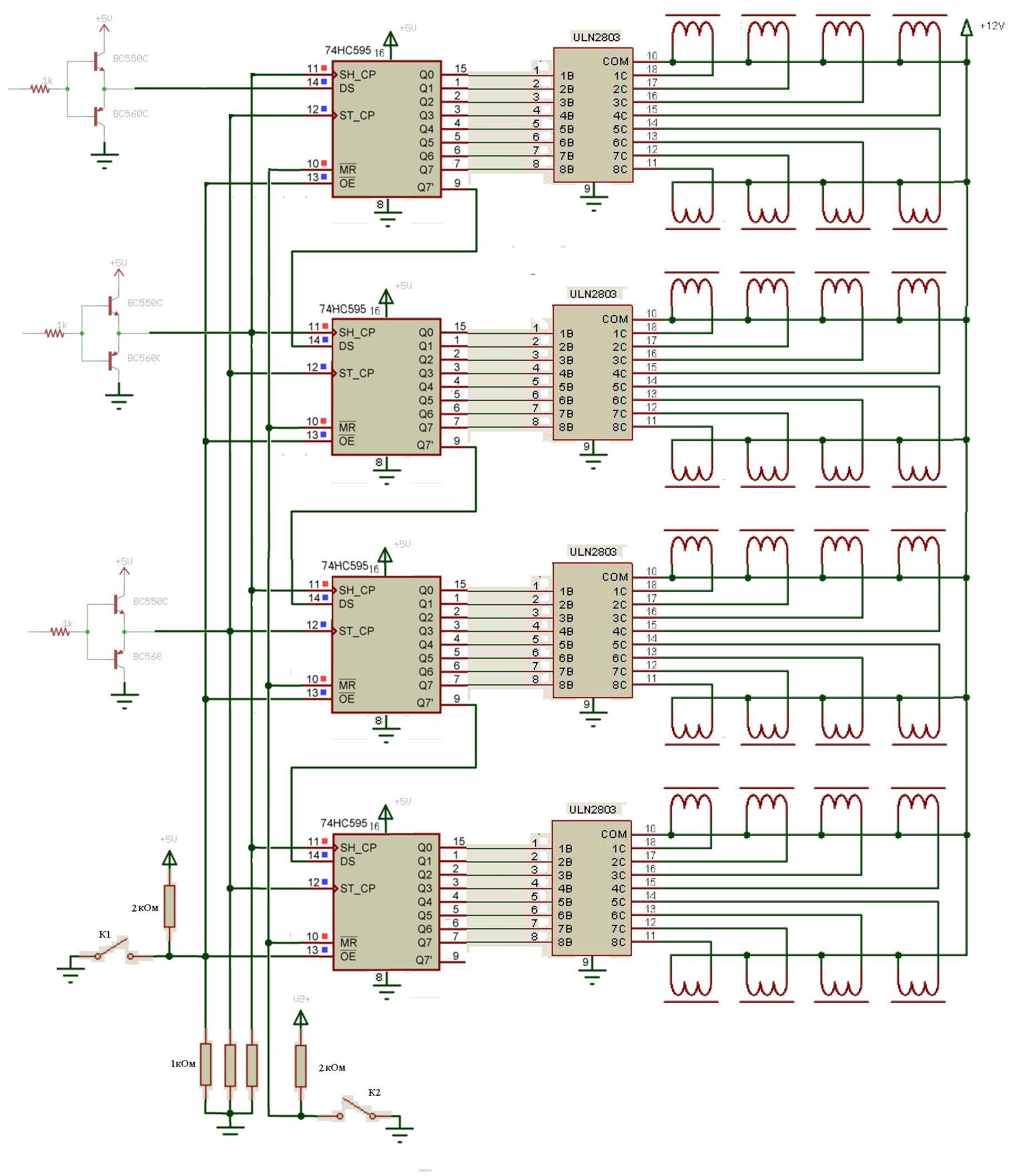
Схему продлеваешь до нужного размера, плату лучше разбить на несколько сегментов и питание из одной точки подводить отдельно к каждому сегменту. При 12В питании соленоидов БП 250ВТ, можно попробовать меньшее напряжение если усилие не требуется. КРЕНку или еще чего то для получения 5В из 12В. По питанию каждого регистра керамику 100нФ. Возможно опторазвязку по входам поставить, что бы не жгло порты при подключении к компу. Землю и 12В к ULN2803 вести шиной 1мм2.

По задумке - ТОЛЬКО ПРИ ПРЯМОМ прохождении приводом зоны где осуществляется сцепление с рамками, какой то хитрой планкой замыкается концевик К1 включающий соленойды и выключающий при выходе из этой зоны. Затем при достижении приводом некого положения замыкается К2 стирающий данные в регистре. В нулевом положении привода так же можно поставить концевик, при нажатии на который управляющая система автоматом забьет новую строку.
В принципе так как по правильному сцепление рамок с приводом разнесено по времени, К1 можно поставить для каждого регистра свой (разрезав цепь)...
Как то так.
Вложения
текстильный станок.png
Zusul86
 
Сообщения: 775
Зарегистрирован: 10 авг 2014, 15:02
Откуда: Саров

Re: Помогите пожалуйста реализовать идею.

Сообщение Angel71 » 27 окт 2015, 01:14

TedBeer, за 16-20мс и передёрнет и передвинет к следующему? реально, но как подобное соберёте, потом расскажите, во сколько обошлось.
Аватара пользователя
Angel71
 
Сообщения: 10668
Зарегистрирован: 18 апр 2009, 22:18
Предупреждения: -1

Re: Помогите пожалуйста реализовать идею.

Сообщение Klim222 » 27 окт 2015, 01:20

Zusul86 писал(а):Схему продлеваешь до нужного размера, плату лучше разбить на несколько сегментов и питание из одной точки подводить отдельно к каждому сегменту. При 12В питании соленоидов БП 250ВТ, можно попробовать меньшее напряжение если усилие не требуется. КРЕНку или еще чего то для получения 5В из 12В. По питанию каждого регистра керамику 100нФ. Возможно опторазвязку по входам поставить, что бы не жгло порты при подключении к компу. Землю и 12В к ULN2803 вести шиной 1мм2.

По задумке - ТОЛЬКО ПРИ ПРЯМОМ прохождении приводом зоны где осуществляется сцепление с рамками, какой то хитрой планкой замыкается концевик К1 включающий соленойды и выключающий при выходе из этой зоны. Затем при достижении приводом некого положения замыкается К2 стирающий данные в регистре. В нулевом положении привода так же можно поставить концевик, при нажатии на который управляющая система автоматом забьет новую строку.
В принципе так как по правильному сцепление рамок с приводом разнесено по времени, К1 можно поставить для каждого регистра свой (разрезав цепь)...
Как то так.



Спасибо огромное!!!!
Буду разбираться)))
Klim222
 
Сообщения: 13
Зарегистрирован: 23 окт 2015, 01:00

Re: Помогите пожалуйста реализовать идею.

Сообщение TedBeer » 27 окт 2015, 11:18

Angel71 писал(а):TedBeer, за 16-20мс и передёрнет и передвинет к следующему? реально, но как подобное соберёте, потом расскажите, во сколько обошлось.

Смысла не вижу ради доказательства, что это возможно.
ТС отметил другую вещь, которая является очевидной для него, но не было на этом заострено внимание изначально - разная прочность ниток. Поэтому если дергать рамку быстро, то можно порвать нитку. Поэтому да, нужно не дергать, а тянуть рамку и чтобы сократить время, тянуть/опускать рамки надо одновременно. Кстати решение с соленоидами по этому параметру тоже может провалиться, так как нет возможности регулировать его скорость работы. У него только два режима вкл/выкл. Надо ставить какой-то замедлитель, медленно наращивать ток или еще как, я не знаю. Ну или менять на двигатель, который можно крутить или быстро или медленно.
Аватара пользователя
TedBeer
 
Сообщения: 1129
Зарегистрирован: 08 авг 2012, 00:38
Откуда: Нидерланды, Алмере
Skype: edwbes
ФИО: Эдуард

Re: Помогите пожалуйста реализовать идею.

Сообщение Klim222 » 27 окт 2015, 13:14

TedBeer писал(а):Смысла не вижу ради доказательства, что это возможно.
ТС отметил другую вещь, которая является очевидной для него, но не было на этом заострено внимание изначально - разная прочность ниток. Поэтому если дергать рамку быстро, то можно порвать нитку. Поэтому да, нужно не дергать, а тянуть рамку и чтобы сократить время, тянуть/опускать рамки надо одновременно. Кстати решение с соленоидами по этому параметру тоже может провалиться, так как нет возможности регулировать его скорость работы. У него только два режима вкл/выкл. Надо ставить какой-то замедлитель, медленно наращивать ток или еще как, я не знаю. Ну или менять на двигатель, который можно крутить или быстро или медленно.


соленоиды ни чего не тянут. есть так называемая ось, расположенная горизонтально, выдвигающаяся в вертикальной плоскости. ее скорость и силу нажатия регулирует ткач медалью ( это все просто механика). есть крюки на которые подвязаны рамы и которые всего на 1-1,5 см выталкивают в горизонтальной плоскости соленоиды. в нулевом положении между осью и крюками есть зазор, то есть при нажатии на педаль ось не цепляет крюки. при срабатывании соленоида крюк выдвигается, и ось тянет его в низ.

минимум затрат скорости, полный контроль поднятия рам.
Klim222
 
Сообщения: 13
Зарегистрирован: 23 окт 2015, 01:00

Re: Помогите пожалуйста реализовать идею.

Сообщение Angel71 » 27 окт 2015, 14:03

TedBeer, так вы не доказывайте, а читайте написано. сами же процитировали "реально, но". если можно сделать простую надёжную конструкцию, с неё и нужно начинать.
Аватара пользователя
Angel71
 
Сообщения: 10668
Зарегистрирован: 18 апр 2009, 22:18
Предупреждения: -1

Пред.

Вернуться в Новичкам или основы основ роботостроения.

Кто сейчас на конференции

Сейчас этот форум просматривают: нет зарегистрированных пользователей и гости: 0

cron