roboforum.ru

Технический форум по робототехнике.

Принцип работы драйвера и контроллера Шагового Двигателя

Раздел создан специально для людей которым интересна робототехника, но в силу разных причин они не знают с чего начать.
Задавайте ваши вопросы, какими бы простыми они не казались, постоянные посетители форума постараются ответить на них по мере своих сил.
Робот своими руками. Самодельный робот.

Re: Принцип работы драйвера и контроллера Шагового Двигателя

Сообщение TomaT » 13 май 2012, 17:44

Дополнительно, в принципе, ничего не нужно. Не забудь подать 5В на Vdd драйвера и отрегулировать потенциометр ограничения тока.
Например для твоего двигателя напряжение Vref (на ползунке потенциометра и 17-й ноге 4988 соотв. относительно GND) должно быть:
Vref = 8 * Rs * I = 8 * 0.05[Ом] * 1.2[А] = 0.48[В]
Аватара пользователя
TomaT
 
Сообщения: 354
Зарегистрирован: 25 июл 2007, 10:38
Откуда: Москва (Троицк, МО)
ФИО: Антон Миронов

Re: Принцип работы драйвера и контроллера Шагового Двигателя

Сообщение kvadrat » 16 май 2012, 01:55

Внимательно изучаю инструкцию: http://www.pololu.com/catalog/product/1182
Здесь сказано что то о применении конденсаторов в схеме:
Power connections
The driver requires a logic supply voltage (3 – 5.5 V) to be connected across the VDD and GND pins and a motor supply voltage of (8 – 35 V) to be connected across VMOT and GND. These supplies should have appropriate decoupling capacitors close to the board, and they should be capable of delivering the expected currents (peaks up to 4 A for the motor supply).

Поясните пожалуйста.

Добавлено спустя 1 час 39 минут 16 секунд:
TomaT писал(а):Дополнительно, в принципе, ничего не нужно. Не забудь подать 5В на Vdd драйвера и отрегулировать потенциометр ограничения тока.
Например для твоего двигателя напряжение Vref (на ползунке потенциометра и 17-й ноге 4988 соотв. относительно GND) должно быть:
Vref = 8 * Rs * I = 8 * 0.05[Ом] * 1.2[А] = 0.48[В]


а как теперь подкрутить потенциометр до 0.48В? нужно запустить двигатель, и крутить потенциометр измеряя мультиметром значение на контакте Vref?
kvadrat
 
Сообщения: 30
Зарегистрирован: 11 мар 2012, 22:11

Re: Принцип работы драйвера и контроллера Шагового Двигателя

Сообщение TomaT » 16 май 2012, 19:59

А ну да, там же только керамика на плате... Прямо в плату в отв. VMOT и GND (рядышком) впаяй электролит мкФ ~220...470, вольт на 25 (у тебя ж 12-и вольтовый БП двигла?) и мкФ ~47...100 на 16В между VDD и GND (то ж рядом). Должно хватить.
Подкрутить нужно подключив 5В питание на Vdd и НЕ подавая питание на двигатель. Ну или не подключая двиг.
Потом подать питание/подключить двиг. и в режиме FullStep (MS1, MS2, MS3 - все на землю) для проверки померить ток через обмотки.
Либо сразу мерить ток через обмотки предварительно вывернув ручку против часовой и потихоньку подкручивая. Как удобнее.
Аватара пользователя
TomaT
 
Сообщения: 354
Зарегистрирован: 25 июл 2007, 10:38
Откуда: Москва (Троицк, МО)
ФИО: Антон Миронов

Re: Принцип работы драйвера и контроллера Шагового Двигателя

Сообщение kvadrat » 17 май 2012, 02:09

я правильно понял что красный щуп надо поместить на 17 ногу ЧИПА, а черный на GND микросхемы (а не чипа) ?
херня какая то получается - большую часть пути поворота потенциометра напряжение очень плавно меняется в пределах от ~0.85 до 0.72 а в определенном секторе резко падает до 0.30. как ни крутил в диапазон между 0.3 и 0.72 не попал - даже если прокутить на нереально маленький градус. в чем может быть дело?
kvadrat
 
Сообщения: 30
Зарегистрирован: 11 мар 2012, 22:11

Re: Принцип работы драйвера и контроллера Шагового Двигателя

Сообщение TomaT » 17 май 2012, 12:49

Гмм.. Должно меняться от ~0.8 до нуля. Мож не там меряешь? А чем чип от микросхемы?
К стати, там спецом есть тестпоинт. На обратной стороне платы после слова "Pololu" кружочком обведен. Вот это 17-я нога и есть. А GND она там везде GND, это одна земля.
Аватара пользователя
TomaT
 
Сообщения: 354
Зарегистрирован: 25 июл 2007, 10:38
Откуда: Москва (Троицк, МО)
ФИО: Антон Миронов

Re: Принцип работы драйвера и контроллера Шагового Двигателя

Сообщение kvadrat » 25 май 2012, 00:08

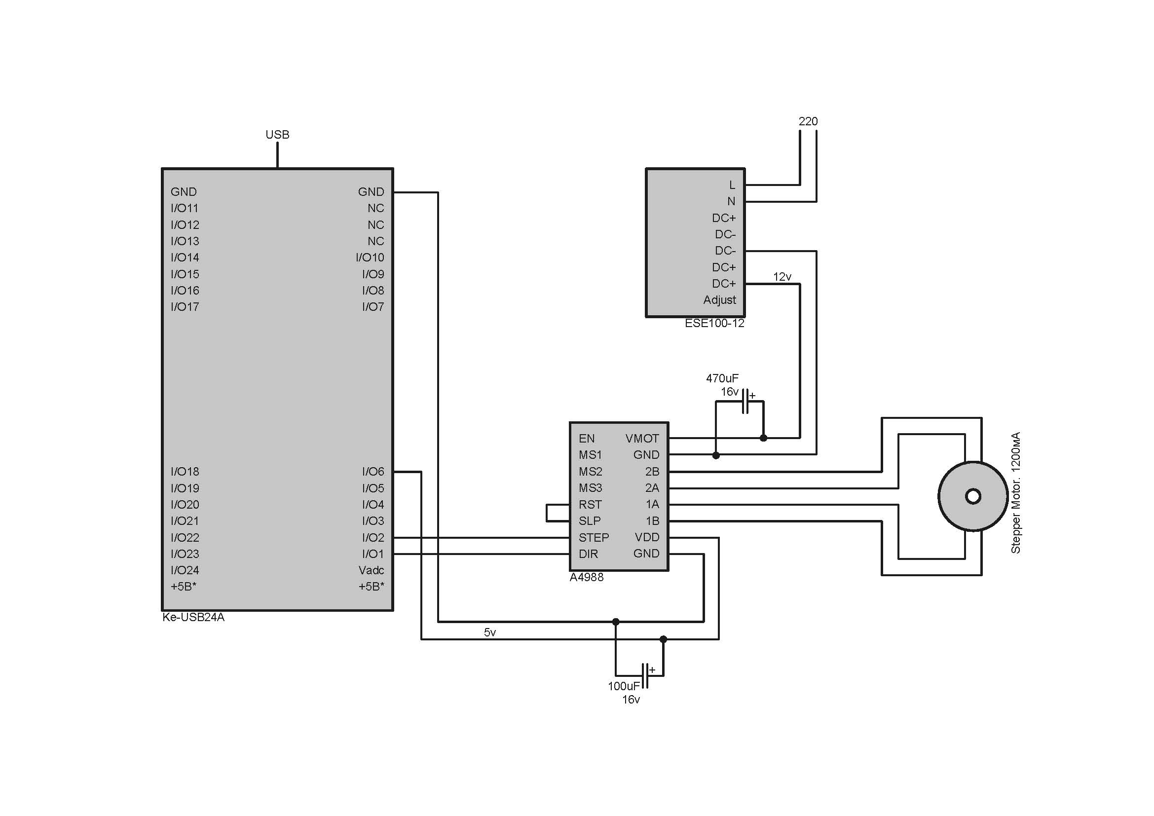
Собрал схему (см. приложение)
Но стоит подать питание на двигтаель (пин VMOT А4988 ), как раздается звук извлчения устройства в винде. Сначала я подумал что сжег Ke-USB24A, от того и звук.
И дейсвительно, Ke-USB24A перестает отвечать на все команды, ну и конечно ниакой сигнал послать нельзя ей теперь. До перезагрузки. Полсе снова работает, до тех пор пока не подать опять питание на вход VMOT A4988.
Я предполагаю, что при подаче питания именно на VMOT, винада перестает видеть Ke-USB24A, но видит новое устройство Ke-USB24A+А4988 (или просто А4988).
В чем на самом деле проблема может быть?

А4988 - http://www.pololu.com/catalog/product/1182
Stepper Motor - http://www.pololu.com/catalog/product/1200
ESE 100-12 - http://www.compel.ru/infosheet/EAGLE/ESE100-12/
http://www.kernelchip.ru/Ke-USB24A.php
Вложения
Р-01 Схема_1.jpg
kvadrat
 
Сообщения: 30
Зарегистрирован: 11 мар 2012, 22:11

Re: Принцип работы драйвера и контроллера Шагового Двигателя

Сообщение Myp » 25 май 2012, 11:41

говорил же, надо было ардуину брать =)

наверно где-то провода перепутал или перемкнул
винда может видеть только те устройства которые подключены к порту и они при этом должны быть предназначены для подключения.
так что у тебя всё просто дохнет до тех пор пока ты не отключишь всё.
<telepathmode>На вопросы отвечает Бригадир Телепатов!</telepathmode>
Всё уже придумано до нас!
Аватара пользователя
Myp
скрытый хозяин вселенной :)
 
Сообщения: 18018
Зарегистрирован: 18 сен 2006, 12:26
Откуда: Тверь по прозвищу Дверь
прог. языки: псевдокод =) сила в алгоритме!
ФИО: глубокоуважаемый Фёдор Анатольевич

Re: Принцип работы драйвера и контроллера Шагового Двигателя

Сообщение TomaT » 25 май 2012, 12:37

Вынь никаким образом А4988 не увидит, это уже твоя забота по программированию Ке.
Почему у тебя питание +5В на А4988 идет с I/O6? Это не правильно.
Правильно было бы вообще его от отдельного источника 5В брать. Или по крайней мере с 1 или 32 ноги Ке.
Аватара пользователя
TomaT
 
Сообщения: 354
Зарегистрирован: 25 июл 2007, 10:38
Откуда: Москва (Троицк, МО)
ФИО: Антон Миронов

Re: Принцип работы драйвера и контроллера Шагового Двигателя

Сообщение Myp » 25 май 2012, 13:29

ой и правда питание неоттуда нарисовано.
надо с крайней ноги +5 брать.
<telepathmode>На вопросы отвечает Бригадир Телепатов!</telepathmode>
Всё уже придумано до нас!
Аватара пользователя
Myp
скрытый хозяин вселенной :)
 
Сообщения: 18018
Зарегистрирован: 18 сен 2006, 12:26
Откуда: Тверь по прозвищу Дверь
прог. языки: псевдокод =) сила в алгоритме!
ФИО: глубокоуважаемый Фёдор Анатольевич

Re: Принцип работы драйвера и контроллера Шагового Двигателя

Сообщение kvadrat » 25 май 2012, 14:04

по идее питание не должно быть подключено к I/O6 ведь это логический выход, а не питание (к крайней ноге нельзя тем более подключать - по документации эти крайние ноги для альтернативного питания Ке, а не других устройств, т.е. НА них подается питание), но когда я проверяю мультиметром напряжение на VDD и GND A4988 вижу там стабильно 5В. Попробую конечно запитать отдельно.

написал производителю Ke-USB24A о проблеме. ответ:

"Подозреваю что дело в шаговом двигателе, который своими помехами
забивает модуль. Предлагаю следующую последовательность действий:

1. Оставить схему как есть, только отключить двигатель и убедиться что
в этом случае система работает стабильно.

2. Если пункт.1 подтверждается, попробовать применить меры, описанные
в данной статье:

http://www.kernelchip.ru/articles/KA001.php"

наверное это похоже на мою ситуацию. Попробую на сегодня если буду в состоянии

как в моем случае применить способ, описанный в статье? у меня будет два конденсатора - по одном на обмотку? как расчитать необходимую емкость в моем случае?
kvadrat
 
Сообщения: 30
Зарегистрирован: 11 мар 2012, 22:11

Re: Принцип работы драйвера и контроллера Шагового Двигателя

Сообщение Myp » 25 май 2012, 15:27

про помехи в данной ситуации бред.

вначале собери схему правильно, драйвер ШД запитай нормальными +5 вольт. можешь от соседнего USB порта запитаться.
зачем ты пытался запитать драйвер двигателя от выхода контроллера непонятно...
<telepathmode>На вопросы отвечает Бригадир Телепатов!</telepathmode>
Всё уже придумано до нас!
Аватара пользователя
Myp
скрытый хозяин вселенной :)
 
Сообщения: 18018
Зарегистрирован: 18 сен 2006, 12:26
Откуда: Тверь по прозвищу Дверь
прог. языки: псевдокод =) сила в алгоритме!
ФИО: глубокоуважаемый Фёдор Анатольевич

Re: Принцип работы драйвера и контроллера Шагового Двигателя

Сообщение kvadrat » 26 май 2012, 18:58

С нераспознованием устройства разобрался. То есть причину так и не выяснил, но нашел способ, как заново заставить винду видеть устройство.
Запитал А4988 отдельно. Теперь другая проблема. На выходах 1A,1B,2A,2B нет напряжения. На VDD - 5В, на VMOT - 10В. Посылаю серию сигналов на STEP, а до 1A,1B,2A,2B ток не доходит.
Как можно проветрить, в рабочем ли состоянии А4988 ?
kvadrat
 
Сообщения: 30
Зарегистрирован: 11 мар 2012, 22:11

Re: Принцип работы драйвера и контроллера Шагового Двигателя

Сообщение Myp » 26 май 2012, 21:01

так и проверить
подключаешь ШД к микросхеме, подаёшь на микросхему питание.
и при подаче 5 вольт на STEP, можно просто кнопку поставить, нажимать и отпускать её, ШД должен как минимум дёргаться, в идеале поворачиваться на один шаг.
замыкая DIR можно изменить направление вращения

косвенно можно проверить сравнив усилие
тоесть крутишь вал ШД пальцами в холостую, а потом включаешь схему в питание и проверяешь, под напряжением вал должен иметь гораздо большее усилие для поворота.
<telepathmode>На вопросы отвечает Бригадир Телепатов!</telepathmode>
Всё уже придумано до нас!
Аватара пользователя
Myp
скрытый хозяин вселенной :)
 
Сообщения: 18018
Зарегистрирован: 18 сен 2006, 12:26
Откуда: Тверь по прозвищу Дверь
прог. языки: псевдокод =) сила в алгоритме!
ФИО: глубокоуважаемый Фёдор Анатольевич

Re: Принцип работы драйвера и контроллера Шагового Двигателя

Сообщение TomaT » 26 май 2012, 22:45

Там на выходах постоянное дрыганье должно быть и просто так мультиметром только погоду на марсе увидишь.
Нужно смотреть осцилом и с подключенным движком. Без двигателя то же чего нибудь будет, но нужно очень хорошо понимать внутреннее устройство драйвера, чтобы понять что ты видишь :)

Добавлено спустя 8 минут 32 секунды:
И проверь на всякий случай уровни на входах Reset, Sleep, Enable.
Аватара пользователя
TomaT
 
Сообщения: 354
Зарегистрирован: 25 июл 2007, 10:38
Откуда: Москва (Троицк, МО)
ФИО: Антон Миронов

Re: Принцип работы драйвера и контроллера Шагового Двигателя

Сообщение kvadrat » 30 май 2012, 17:50

действительно сжег. осторожно с ней нужно быть. купил новую. запустил наконец. прокрутил несколько раз на разных скоростях - весело. даже 10000 Hz пробовал не знаю поспевал ли движок)
проблема (а как же без нее) теперь такая - движок адово греется даже на малых оборотах(10Hz). через минуту после включения его корпус разогревается градусов до 40-50С по ощущениям. Это нормально вообще для шаговых двигателей? теперь боюсь включать, что бы не сжечь, пока не выясню все
kvadrat
 
Сообщения: 30
Зарегистрирован: 11 мар 2012, 22:11

Пред.След.

Вернуться в Новичкам или основы основ роботостроения.

Кто сейчас на конференции

Сейчас этот форум просматривают: нет зарегистрированных пользователей и гости: 0

cron