infoman писал(а):(при разогреве, при остановке печати, во время ретрактов, во время торможения, во время перехода на новый слой) то печать будет чище, я не прав Мур?
ты высасываешь проблему из пальца.
объём расплава во время печати в хотенде постоянный, вышеописанный на видео эффект существует только в момент прогрева
после старта печати пробка на одном месте находится
жидкий пластик от кончика сопла до среза тефлоновой вставки (или кольцевой проточки у цельнометаллического барьера) и во время печати объём расплава держится на одном уровне.
далее про ретракт.
ретракт это процесс убирания давления на пруток
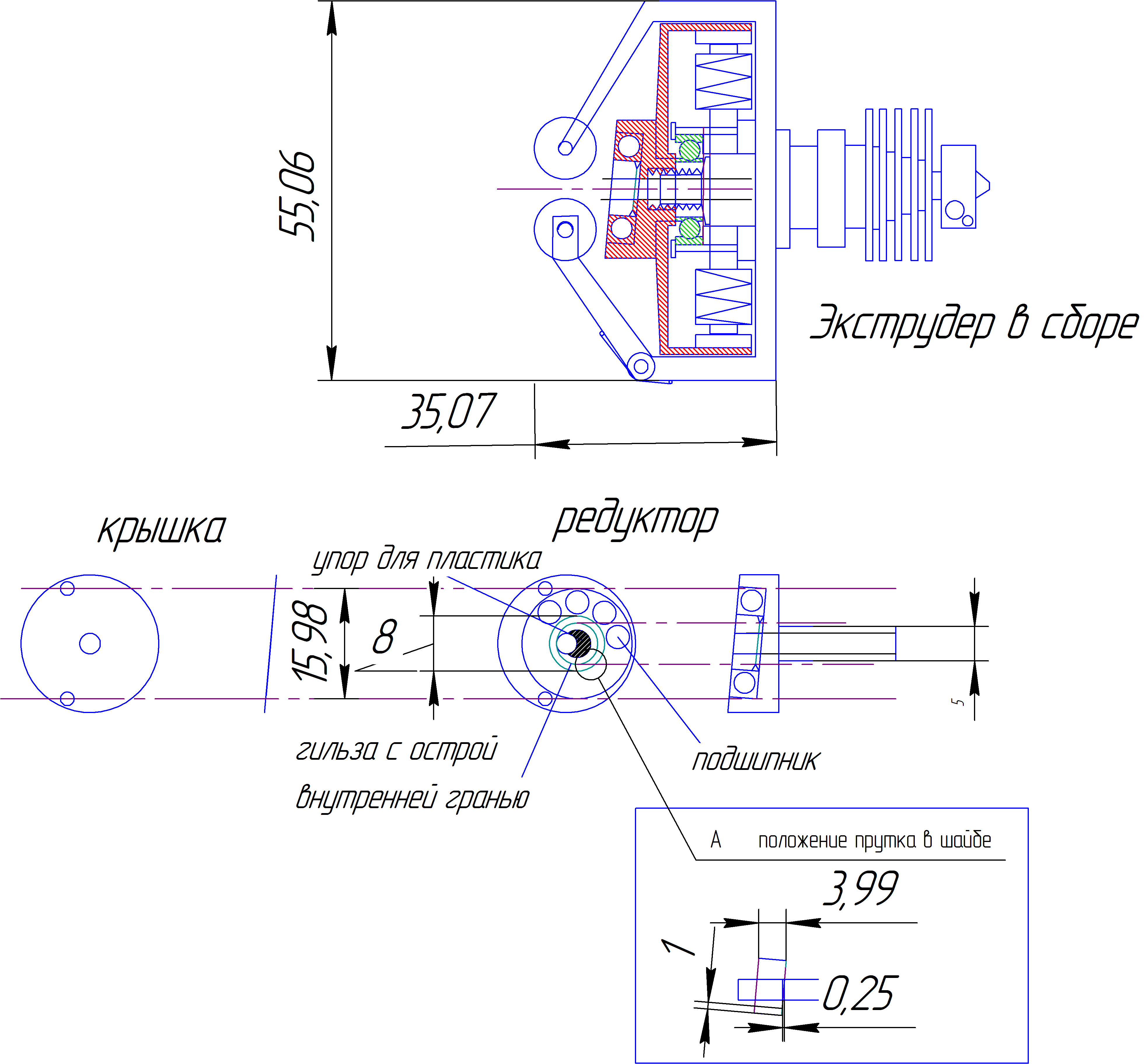
во время печати механика экструдера слегка пружинит, если просто остановить мотор то за счёт того что механизм нагружен, он ещё выдавит дополнительный пруток пока разгрузится
ретракт снимает напряжение с механизма подачи и подача прекращается.
если у нас энкодер на прутке на входе с хотенд то ретракт скорей всего вобще будет не нужен, т.к. сервопривод не даст себе пропихнуть лишнего за счёт упругости механизма подачи, он сам сделает разгрузку и уберёт давление на пруток.
Добавлено спустя 1 минуту 45 секунд:
infoman писал(а):излишнее давление в кубике никуда не денется до тех пор пока сопло не выплюнет перегретый пластик наружу
чушь
пластик несжимаем
наружу выходит ровно столько пластика сколько подано на вход.
подали 0.1 мм3 на вход, получили 0.1 мм3 на выходе, независимо от температуры.








