
Добавлено спустя 4 минуты 14 секунд:
Ну корпус не такой уж и небольшой, тем более, что верхний кузов я крепить не буду, а оставлю голое шасси, т.е. вот так:
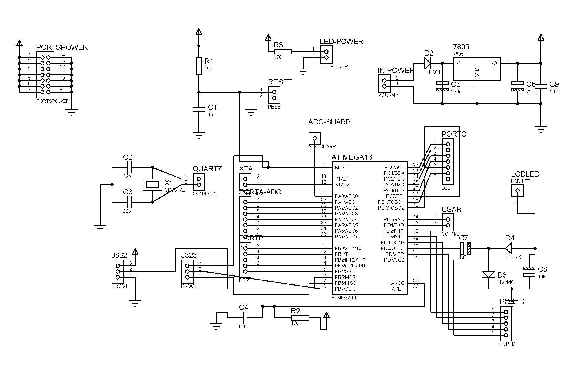
Над двигателем сделаю небольшую платформу, куда и буду крепить платы
![]() |
roboforum.ruТехнический форум по робототехнике. |
|

Мы тут занимаемся серьёзными научными исследованиями!!! 

Сейчас этот форум просматривают: нет зарегистрированных пользователей и гости: 0