Эх, время летит, вон и снег сыпет

Ну да ладно.. Это ж не мешает нам творить..

Видимо русская душа требует мощности

вот и решил немного разогнать бловер, перемотал обмотки статора заменил провод 0,04мм. на 0,18мм., мотал до заполнения примерно 60 витков

Запустился нормально, но при 12V ток потребления был 0,96А, в общем не доглядел и спалил


Плюнул и пошёл проверенной дорогой, разобрал первый попавшийся хард и извлёк двигатель.

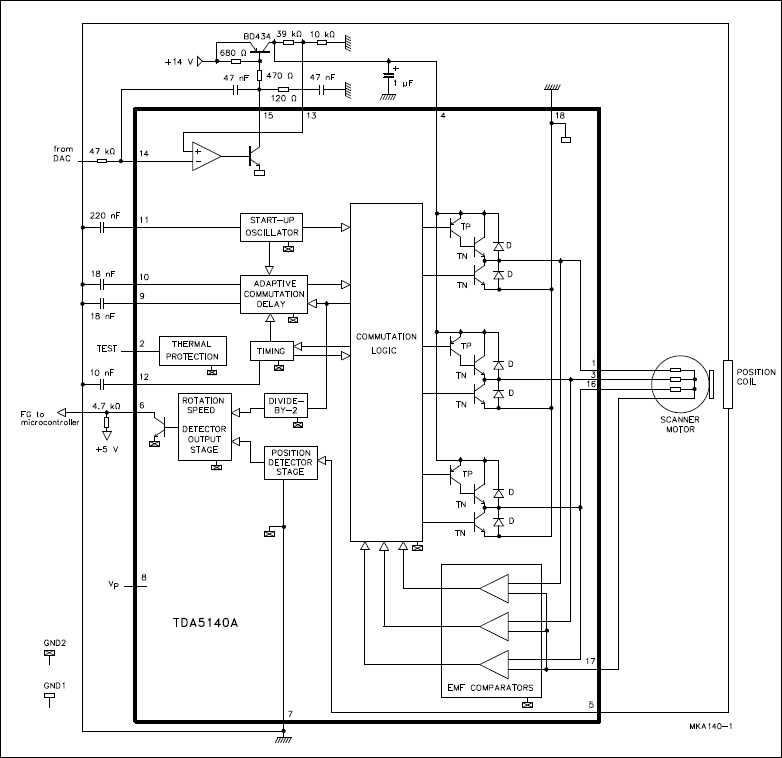
Быстренько на макетке собрал драйвер бесколлекторника на TDA5140A

Поколдавал с пусковым конденсатором и всё успешно запустилось

Приступаем к интеграции двигателя и "улитки"

Удаляем лишнее

Приступаем к разбору крыльчатки, удаляем магнитное кольцо

Срезаем лишние рёбра, и устанавливаем кольцо оставшееся от разбора "блинов"

Собираем всё вместе


Габариты практически не изменились, двигатель выступает на 3мм.

Запускаем


Есть небольшое биение, но всё исправимо..

Немного модифицируем улитку, отрезаем край на 1см., вытачиваем из плекса заглушку с двумя отверстиями под воздуховоды.

Клеим

Любуемся результатом
Итоги:Запас по мощности более чем двухкратный (развиваемые обороты пока не замерял), стабильное выдувание пузырей при 6,4V(0,2А)
Впечатления очень приятные, да и внешний вид мне нравится

из минусов - стоимость увеличилась на 97руб.(TDA5140A)