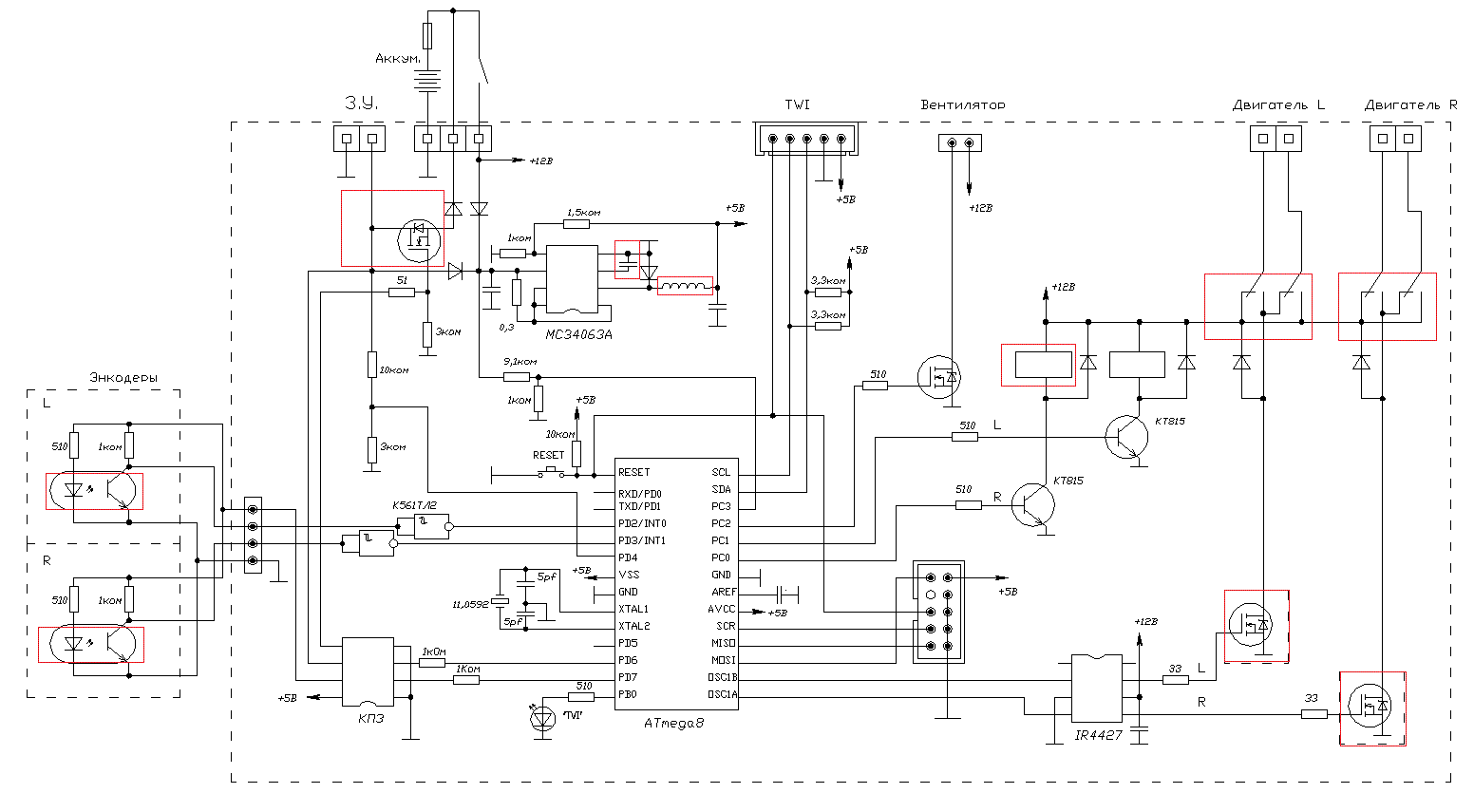
yak-40 писал(а):Вот почему-то все про это говорят, а никто не делает. Сделайте пожалуйста, выложите материалы и исходники, а я повторю с радостью
У меня руки кривые и сделать такого робота, как Ваш я не смогу. А рисовать графику и писать софт не для себя, нет желания
Как говорится "Спасение утопающих — дело рук самих утопающих"



