TG9e на Хоббисити
Так как я вижу, что существует сильный дефицит информации о сервах,
(начиная с важных размеров, кончая электрическими параметрами, устройством и т.п.),
то в этой теме я постараюсь описать ее максимально подробно.
Самые первые фотки и видео:
Сервы пришли в пакетиках. Комплект на картинке:
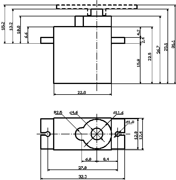
Размеры снял штангеном.
ВНИМАНИЕ!!! Размеры ТОЛЬКО для справки.
Корпус сделан экструзией и имеет не совсем перпендикулярные стенки,
поэтому размер вдоль сервы "гуляет" на пару "десяток".
Проверка и сообщения об ошибках приветствуются.
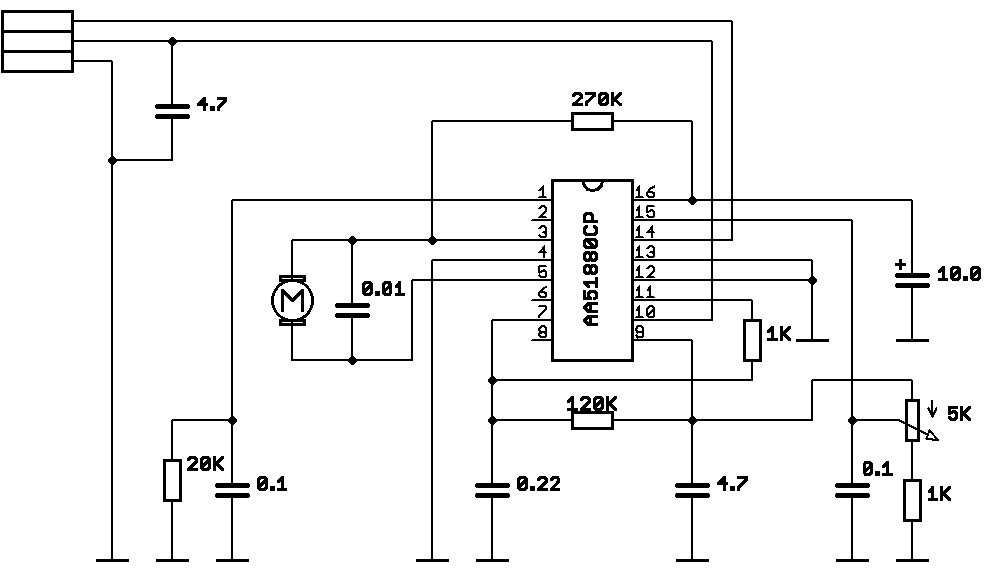
Серва собрана на микросхеме AA51880
Даташит:
Плата:
Схема (мог наглючить), номиналы емкостей - практически "на глаз"

Редуктор:
Сразу же обнаружилась мелкая неприятность. Выходная шестерня насажена на вал потенциомера
"на трении". Вал потенциометра не имеет шлица - только довольно мелкую накатку.
Потенциометр вынимается в сторону редуктора.
Шестерни:
Четырехступенчатая передача:
9/48 - 10/38 - 8/32 - 8/32
5.33 * 3.8 * 4 * 4 = 324.26666666
Очевидно, можно попробовать выкинуть шестеренку, чтобы ускорить серву в 3.8 * 4 = 15.2 раза.
Получим порядка полутора тысяч оборотов в минуту при моменте сто грамм на сантиметр...
Это может пригодиться для мелкой "живности".
______________________________
Я решил начать с переделки сервы для постоянного вращения.
Для этого разбираем ее:
Откусываем ноги потенциометра, отпаиваем провода потенциометра от платы.
Аккуратно спиливаем движок и ограничители хода с оси потенциометра.
На плату допаиваем два резистора (мне под руку попались двухкилоомные).
Вот что у меня получилось:
Плата с одной стороны.
Виден срез движка потенциометра (вправо-вниз от оси).
Дополнительный резистор - самый левый на плате с маркировкой "202" - 2 килоома.
Плата с другой стороны. Еще один "лишний" резистор на плате слева-сверху.
Пришлось зачистить маску прямо на дорожке, чтобы его припаять.
Откусываем ограничитель хода с последней шестеренки.
Мне пришлось еще чуть-чуть подчистить лезвием.
На фотке шестерня уже без ограничителя.
Собираем:
Что не понравилось. Практически невозможно поймать "стоячее" положение.
Оно плавает. Серва может медленно крутиться в одну сторону в среднем положении,
потом постоять и начать ползти в другую сторону.
Следующим шагом будет попытка увеличить мертвую зону и зону управления скоростью.
______________________________
Итак, чтобы увеличить мертвую зону и надежно попадать в стоячее положение,
нужно увеличивать резистор, который идет с ноги 11 на ногу 7.
На плате он стоИт рядом с восьмой ногой микросхемы. Я заменил его на 4K7.
Стоячее положение стало получаться надежно. В принципе на этом можно было бы остановиться.
Но хотелось еще получить более плавное управление скоростью.
Для этого пришлось уменьшить резистор идущий с ноги 3 на ногу 16.
На плате он стоит рядом с 16-й ногой микросхемы.
Я впаял ему в параллель сто килоом.
При этом уползло (сместилось) среднее положение.
Пришлось подобрать резисторный делитель (который я поставил вместо потенциометра).
Результат - на видео.
В данном примере ширина импульса изменяется примерно от 600 микросекунд до 2100
(это соответствует максимальным скоростям в одну и в другую сторону).
В следующем опыте я попробую ускорить серву, выкинув одну шестеренку.
______________________________
Опыт с выкидыванием шестеренки прошел неудачно.
Этот моторчик просто не в состоянии крутить выходной вал сервы с таким малым передаточным числом.
(Вернее крутит, но только на больших скоростях - плавно управлять скоростью при этом не получается
- дергается).
Надо сказать, что было предприняты три попытки склеивания-расклеивания шестерней,
использованы все типы смазки, которые нашлись под рукой (от "мономолекулярного"
силиконового спрея до банальной графитки), "притирочные" прогоны и т.п.
Оказалось, что основным тормозом является вовсе не потенциометр (как я думал вначале),
а банальное трение выходной шестерни о корпус сервы...
Тем не менее, несмотря на все издевательства, серва выжила, за что была возвращена в
"первоначальный" (то есть до склеивания шестерней) вид.
Напоследок маленькое видео, оригинальная и модифицированная сервы
крутятся от одного и того же сигнала.
Завтра попробую снять электрические характеристики.


 
 


 и какие чипы в ней?
 и какие чипы в ней?




