roboforum.ru

Технический форум по робототехнике.


Разработка Open Robotics: Контроллер общ. назн., SMD-вариант

Правила форума
Правила раздела OpenRobotics

Re: Проект OpenRobotics

Сообщение blindman » 16 сен 2008, 15:03

Будут они доступны - тогда и ставить их и кварц соответствующий. На схему это ровным счетом никак не повлияет
Проект [[Open Robotics]] - универсальные модули для построения роботов
Модули Open Robotics можно приобрести в магазине shop.roboforum.ru

Day OFF? You must be pulling my leg! Stop making humor before someone sees you, fool!

Аватара пользователя
blindman
 
Сообщения: 4130
Зарегистрирован: 29 апр 2008, 21:15
Откуда: Хабаровск
прог. языки: C,C++,Assembler,PHP,Javascript,Ruby, SPIN,Java(?)
ФИО: Андрей Юрьевич

Re: Проект OpenRobotics

Сообщение =DeaD= » 16 сен 2008, 15:36

Запроектировать пока модуль ДД на релюшках что-ли... или такой же модуль на 8-й меге для начинающих... ?
:)
Проект [[Open Robotics]] - Универсальные модули для построения роботов
Аватара пользователя
=DeaD=
 
Сообщения: 24218
Зарегистрирован: 06 окт 2004, 18:01
Откуда: Ебург
прог. языки: C++ / PHP / 1C
ФИО: Антон Ботов

Re: Проект OpenRobotics

Сообщение avr123.nm.ru » 16 сен 2008, 16:01

=DeaD= писал(а):Запроектировать пока модуль ДД на релюшках что-ли ...

Квадратные колеса прикольнее круглых ! эт точнА !
Аватара пользователя
avr123.nm.ru
отсылающий читать курс
 
Сообщения: 14195
Зарегистрирован: 06 ноя 2005, 04:18
Откуда: Москва
Предупреждения: -8

Re: Проект OpenRobotics

Сообщение blindman » 16 сен 2008, 16:32

Какая емкость должна быть у электролитов, которые сразу после регуляторов стоят?
Проект [[Open Robotics]] - универсальные модули для построения роботов
Модули Open Robotics можно приобрести в магазине shop.roboforum.ru

Day OFF? You must be pulling my leg! Stop making humor before someone sees you, fool!

Аватара пользователя
blindman
 
Сообщения: 4130
Зарегистрирован: 29 апр 2008, 21:15
Откуда: Хабаровск
прог. языки: C,C++,Assembler,PHP,Javascript,Ruby, SPIN,Java(?)
ФИО: Андрей Юрьевич

Re: Проект OpenRobotics

Сообщение =DeaD= » 16 сен 2008, 16:34

2avr123: Можно уже и успокоится пора?

Считаем сколько денег будет на обычный ДД в ценах розничных (кроме МК):

мосфеты IRF530N - 20р/шт
реле сдвоенное TR99-12VDC-SB-CD реле 12V / 5A, 28VDC - 60р/шт
драйвера IR2101 - 30р/шт
драйвера IR4427 - 30р/шт

8мосфетов + 4 микры драйверов + микры логики:
20*8 + 4*30 + 10 = 290р

и для ДД на релюшках:

4 реле + 2 мосфета + 4 канала драйверов:
2*60 + 2*20 + 2*30 = 220р

Это как один из мелких факторов типа цены.
Проект [[Open Robotics]] - Универсальные модули для построения роботов
Аватара пользователя
=DeaD=
 
Сообщения: 24218
Зарегистрирован: 06 окт 2004, 18:01
Откуда: Ебург
прог. языки: C++ / PHP / 1C
ФИО: Антон Ботов

Re: Проект OpenRobotics

Сообщение avr123.nm.ru » 16 сен 2008, 17:25

=DeaD= писал(а):драйвера IR2101 - 30р/шт
драйвера IR4427 - 30р/шт.

А еще дороже оптоизолированые драйверы !

А дешевле ПОУЧИТСЯ У КИТАЙЦЕВ !!! и использовать транзисторные драйверы как в контроллерах мотор-ступиц на 600 и 1000 Вт для электровелосипедов.

А на худой конец у ФИЛИПСА по апноуту AN10661 ПОЗЫРИТЬ .

Да и транзисторы можно подешевле купить - http://efind.ru/icsearch/?c=asis&stock= ... ch=IRF530N

А на 55 вольт еще дешевле - почти по 7 рубчиков - http://efind.ru/icsearch/?c=asis&stock= ... ch=IRFZ24N
Аватара пользователя
avr123.nm.ru
отсылающий читать курс
 
Сообщения: 14195
Зарегистрирован: 06 ноя 2005, 04:18
Откуда: Москва
Предупреждения: -8

Re: Проект OpenRobotics

Сообщение =DeaD= » 16 сен 2008, 18:10

2avr123: Про дешевые мосфеты - ок, запишем. 10руб/шт в розницу (7руб это только в питере - поедем?)

Но и реле можно получше поискать и взять отдельные 833H-1C-C 05VDC реле 12В / 7A, 250V за 20р.

драйвера IR2101 - 30р/шт
драйвера IR4427 - 30р/шт

8мосфетов + 4 микры драйверов + микры логики:
10*8 + 4*30 + 10 = 210р

и для ДД на реле:

4 реле + 2 мосфета + 4 канала драйверов:
4*20 + 2*10 + 2*30 = 160р

Дальше думаю больше, если начать оптимизировать драйвера линий. Учитывая что наверху 8 каналов драйверов из которых 4 верхних, а внизу 4 канала и все нижние.

Добавлено спустя 6 минут 10 секунд:
2avr123: Я не спорю - на мосфетах лучше, но вариант на реле тоже имеет право на существование и единственное что может стать серьезное проблемой - отсутствие однотипных распространенных недорогих реле. Потому что переделывать печатку каждый раз - нафиг надо. Вот это меня пока больше всего волнует и может быть из-за этого я оставлю это занятие.
Проект [[Open Robotics]] - Универсальные модули для построения роботов
Аватара пользователя
=DeaD=
 
Сообщения: 24218
Зарегистрирован: 06 окт 2004, 18:01
Откуда: Ебург
прог. языки: C++ / PHP / 1C
ФИО: Антон Ботов

Re: Проект OpenRobotics

Сообщение avr123.nm.ru » 16 сен 2008, 18:15

=DeaD= писал(а):2avr123: Про дешевые мосфеты - ок, запишем. 10руб/шт в розницу (7руб это только в питере - поедем?)

спешал фо ЮЮЮЮЮ !!!

Kimkit (Россия, Москва)

Китайцы и филипсовцы БЕЗ ДРАЙВЕРОВ обходятся. выше написал ужО.

Добавлено спустя 3 минуты 12 секунд:
=DeaD= писал(а):я оставлю это занятие.

Я тоже за КРУГЛЫЕ колеса.
Аватара пользователя
avr123.nm.ru
отсылающий читать курс
 
Сообщения: 14195
Зарегистрирован: 06 ноя 2005, 04:18
Откуда: Москва
Предупреждения: -8

Re: Проект OpenRobotics

Сообщение =DeaD= » 16 сен 2008, 18:18

avr123.nm.ru писал(а):
=DeaD= писал(а):2avr123: Про дешевые мосфеты - ок, запишем. 10руб/шт в розницу (7руб это только в питере - поедем?)

спешал фо ЮЮЮЮЮ !!!.

1. Я в Ебурге.
2. И че? Поедем на другой конец Москвы чтобы сэкономить 3*8=24 рубля? Отличный ПЛАН!

Короче я уже сказал что от затеи скорее всего откажусь. Все советы по использованию Мосфетов никуда не пропали, однако не чуствую себя настолько крутым спецом, чтобы сейчас влезть в разработку ДД. А вот для своих нужд местных тут ДД как раз нужен и достаточно будет на реле. И думаю что другим будет полезна конструкция, чтобы можно было быстренько повторить каждому кто хочет, пока не появилось нормального ДД на мосфетах за разумные деньги (ибо то что предлагает техновижн - нереально дорого).
Проект [[Open Robotics]] - Универсальные модули для построения роботов
Аватара пользователя
=DeaD=
 
Сообщения: 24218
Зарегистрирован: 06 окт 2004, 18:01
Откуда: Ебург
прог. языки: C++ / PHP / 1C
ФИО: Антон Ботов

Re: Проект OpenRobotics

Сообщение blindman » 16 сен 2008, 19:03

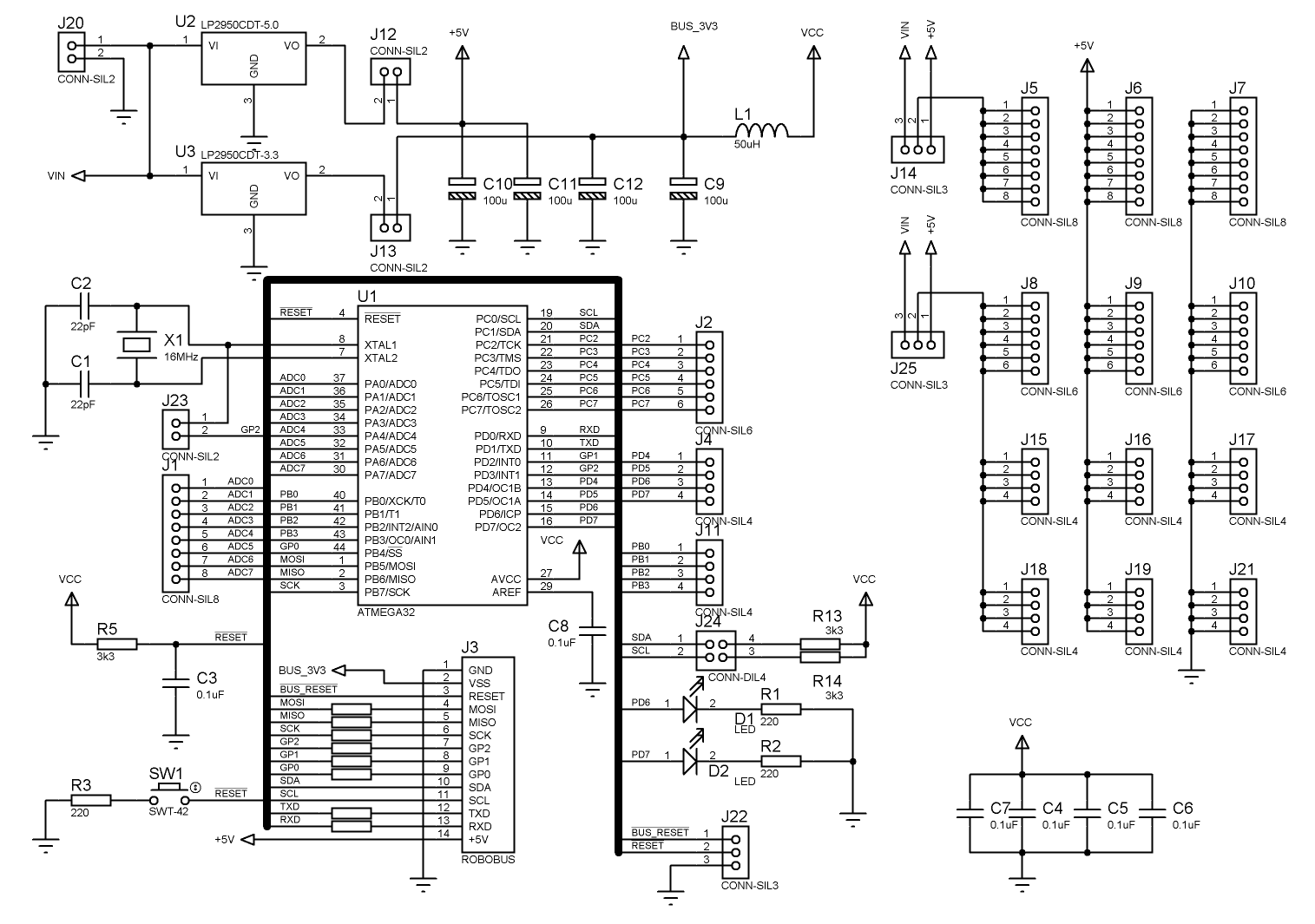
Подкорректировал номиналы, добавил отдельный джампер питания для порта А. Защитные резисторы на шине 100 Ом - нормально?
Размер платы 64х64 мм (2,5х2,5"). Можно поставить и выводные, и чип конденсаторы (типа и нашим и вашим :D )

Критикуйте
Вложения
main.PNG
Схема
main.pdf
Схема в PDF
(45.7 КиБ) Скачиваний: 13
layout.PNG
Плата
Последний раз редактировалось blindman 16 сен 2008, 20:04, всего редактировалось 1 раз.
Проект [[Open Robotics]] - универсальные модули для построения роботов
Модули Open Robotics можно приобрести в магазине shop.roboforum.ru

Day OFF? You must be pulling my leg! Stop making humor before someone sees you, fool!

Аватара пользователя
blindman
 
Сообщения: 4130
Зарегистрирован: 29 апр 2008, 21:15
Откуда: Хабаровск
прог. языки: C,C++,Assembler,PHP,Javascript,Ruby, SPIN,Java(?)
ФИО: Андрей Юрьевич

Re: Проект OpenRobotics

Сообщение =DeaD= » 16 сен 2008, 20:34

Правильно ли я по дополнительным сквозным отверстиям понимаю, что это уже разведенная плата? :oops:
Проект [[Open Robotics]] - Универсальные модули для построения роботов
Аватара пользователя
=DeaD=
 
Сообщения: 24218
Зарегистрирован: 06 окт 2004, 18:01
Откуда: Ебург
прог. языки: C++ / PHP / 1C
ФИО: Антон Ботов

Re: Проект OpenRobotics

Сообщение blindman » 16 сен 2008, 20:49

Правильно. Дорожки убрал чтобы не засорять картинку - сейчас хотелось бы услышать замечания по схеме и расположению разъемов. А то я тут что-то нарисовал - и все молчат, все идеально, чтоли :) ?
Проект [[Open Robotics]] - универсальные модули для построения роботов
Модули Open Robotics можно приобрести в магазине shop.roboforum.ru

Day OFF? You must be pulling my leg! Stop making humor before someone sees you, fool!

Аватара пользователя
blindman
 
Сообщения: 4130
Зарегистрирован: 29 апр 2008, 21:15
Откуда: Хабаровск
прог. языки: C,C++,Assembler,PHP,Javascript,Ruby, SPIN,Java(?)
ФИО: Андрей Юрьевич

Re: Проект OpenRobotics

Сообщение =DeaD= » 16 сен 2008, 21:03

Дак разъемов то - раз-два и обчёлся, с одной стороны питание, с другой - линейка 4-пиновых.
Если есть возможность - я бы только порт А вытащил вверх, если нет - пофиг.
Проект [[Open Robotics]] - Универсальные модули для построения роботов
Аватара пользователя
=DeaD=
 
Сообщения: 24218
Зарегистрирован: 06 окт 2004, 18:01
Откуда: Ебург
прог. языки: C++ / PHP / 1C
ФИО: Антон Ботов

Re: Проект OpenRobotics

Сообщение blindman » 16 сен 2008, 21:50

Поменял местами PORTA, PORTB

Добавлено спустя 2 минуты 40 секунд:
Если делать вариант с выводным МК - нужна ли нам взаимозаменяемость в плане размеров? Или делаем SMD компактным, а DIP - сколько получится?
Проект [[Open Robotics]] - универсальные модули для построения роботов
Модули Open Robotics можно приобрести в магазине shop.roboforum.ru

Day OFF? You must be pulling my leg! Stop making humor before someone sees you, fool!

Аватара пользователя
blindman
 
Сообщения: 4130
Зарегистрирован: 29 апр 2008, 21:15
Откуда: Хабаровск
прог. языки: C,C++,Assembler,PHP,Javascript,Ruby, SPIN,Java(?)
ФИО: Андрей Юрьевич

Re: Проект OpenRobotics

Сообщение =DeaD= » 16 сен 2008, 22:27

Думаю да, DIP - сколько получится в разумных пределах (в рамках 80х80мм например);

Добавлено спустя 11 минут 36 секунд:
2blindman: А ты в чем рисуешь схемки? Я наверное даже готов с EAGLE переползти по такому поводу... :roll:
Проект [[Open Robotics]] - Универсальные модули для построения роботов
Аватара пользователя
=DeaD=
 
Сообщения: 24218
Зарегистрирован: 06 окт 2004, 18:01
Откуда: Ебург
прог. языки: C++ / PHP / 1C
ФИО: Антон Ботов

Пред.След.

Вернуться в Разработка модулей

Кто сейчас на конференции

Сейчас этот форум просматривают: нет зарегистрированных пользователей и гости: 0

cron