blindman писал(а):Выводные только разъемы и кварц. Смысл ставить выводные электролиты ?
Тупо дешевле и доступней.
Добавлено спустя 2 минуты 41 секунду:blindman писал(а):2 пина особо погоды не сделают наверно - на шине они по-моему нужнее. А шестиногу все-таки специальный вариант с оптимальным для него расположением разъемов?
Это уже пользователю пусть решать - где они нужнее. Я бы сделал, а там - хочешь пользуй, не хочешь не распаивай. Вообще изначально и при поставке не распаивать, так сказать недокументированную возможность оставить 

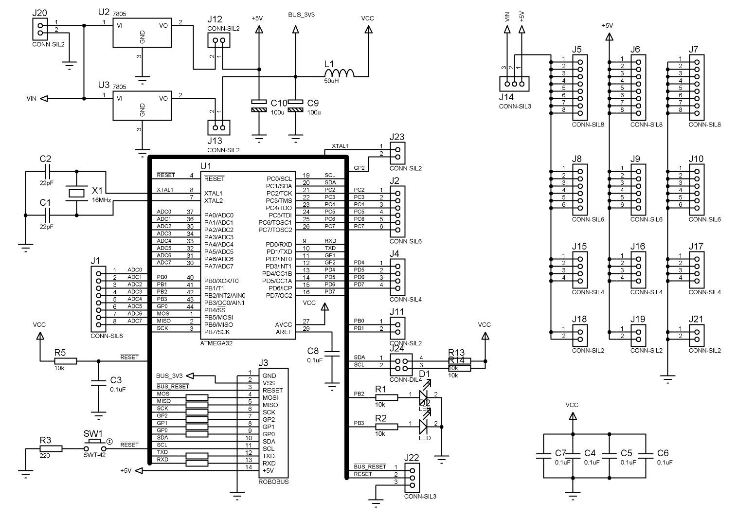
blindman писал(а):Там тогда можно у светодиодов пины отобрать.Но можно в принципе и вывести. По размеру как-то огранициваемся или как получится? Если добавить 2 пина - надо выше миллиметров на 5 минимум делать, сверху место оставлено чтоб относительно широкие провода питания и землю подвести.
Это я знаю зачем там место, однако пусть этот контроллер тоже для 6-нога подходит и просто надо 2 пина вывести, их же сейчас 20, я правильно считаю? 

blindman писал(а):Еще один момент - на шине резисторы последовательные прописали, может имеет смысл их иметь и на тех, что на штыри выведены?
В принципе можно, хотя паять заколебешься тогда 
