![]() |
roboforum.ruТехнический форум по робототехнике. |
|
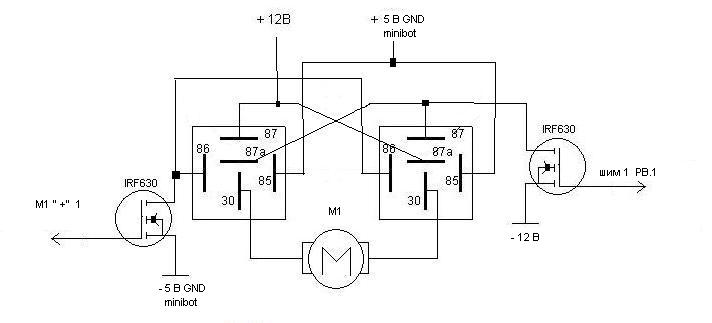
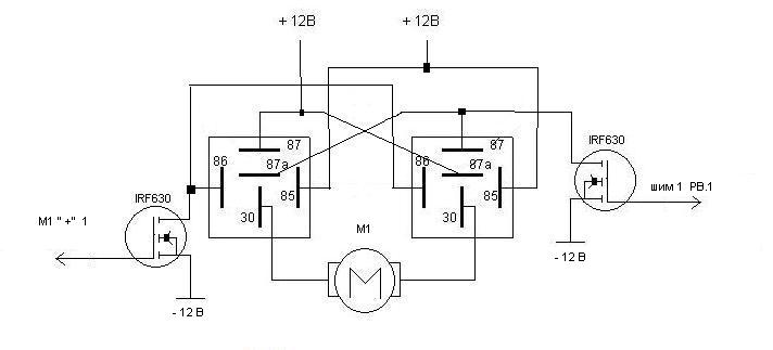
. Вы нам , уважаемый, скажите эта схема работать точно будет в нашем контексте задачи. если нет, то укажите на АшиПки. На левый мосфет -12 или -5 подавать. может таГ



Вернуться в МиниБот — национальный класс роботов
Сейчас этот форум просматривают: нет зарегистрированных пользователей и гости: 1