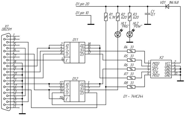
Подскажите пожалуйста, я запутался в конец

какая из этих схем правильная?
![]() |
roboforum.ruТехнический форум по робототехнике. |
|
avr123.nm.ru писал(а):Советую собрать прогер на USB.
Сейчас этот форум просматривают: нет зарегистрированных пользователей и гости: 2