roboforum.ru

Технический форум по робототехнике.

Фотоэлементы

Робот на простых аналоговых элементах.

Re: Фотоэлементы

Сообщение Lockdog » 01 июл 2008, 00:01

MegaBIZON, что-то не арбайтен твоя схема, которая на первой странице нарисована, движки вращаются, даже если на базу ничего не подаётся... ты её проверял?
Аватара пользователя
Lockdog
 
Сообщения: 650
Зарегистрирован: 06 июл 2006, 20:42
Откуда: Москва
прог. языки: C/C++, Python

Re: Фотоэлементы

Сообщение MegaBIZON » 20 июл 2008, 18:51

Да, вполне номано шныряла...
Пара встречных вопросов: ты свои транзюки вааще проверял? И то ли ты припаял на роль глазок?
.............солнце светит, птички поют, я - зелёный бамбук меня тянет к солнцуЯ - зелёный бамбук, я - зелёный бамбук , меня тянет к солнцу. Я - не огурчик и не лягушка, я - зелёный бамбук. Меня курят...............
Аватара пользователя
MegaBIZON
 
Сообщения: 6285
Зарегистрирован: 12 янв 2007, 00:34
Откуда: Масква

Re: Фотоэлементы

Сообщение Vladimir[nn] » 24 фев 2009, 04:08

Подниму тему.....
Помогите, плз, опознать фототранзистор - хотя бы серию (вроде, он русский)
И какая сторона у него рабочая - та, что с полусферой или та, что плоская?
ИзображениеИзображение
Аватара пользователя
Vladimir[nn]
 
Сообщения: 18
Зарегистрирован: 22 фев 2009, 15:46
Откуда: Нижний Новгород

Re: Фотоэлементы

Сообщение MiBBiM » 24 фев 2009, 18:23

мне почему-то кажется что это ИК-светодиод из мыша.
излучатель - выпуклая поверхность
Tomorrow will be. Better
Аватара пользователя
MiBBiM
 
Сообщения: 1866
Зарегистрирован: 29 окт 2007, 18:11
Откуда: Пермь
прог. языки: Brainfuck/Basic/Delphi/C++/Lisp/x86asm/JavaScript

Re: Фотоэлементы

Сообщение Duhas » 24 фев 2009, 18:27

это вполне могет быть и транзюком.. а "рабочая" сторона выпуклая...
«Как сердцу выразить себя? … Мысль изреченная есть ложь!»
В этом мире меня подводит доброта и порядочность...
"двое смотрят в лужу, один видит лужу, другой отраженные в ней звезды"
Аватара пользователя
Duhas
 
Сообщения: 6338
Зарегистрирован: 15 сен 2007, 13:03
Откуда: Красноярск
прог. языки: ASM(МК), C(PC)
ФИО: Гагарский Андрей Александрович

Re: Фотоэлементы

Сообщение Myp » 24 фев 2009, 18:31

поадть напряжение и посмотреть через мобильник светится ли он =)
тода узнаем светодиод или транзюк


вобщет советские фотодиоды такого формфактора кажись красного цвета делали...
<telepathmode>На вопросы отвечает Бригадир Телепатов!</telepathmode>
Всё уже придумано до нас!
Аватара пользователя
Myp
скрытый хозяин вселенной :)
 
Сообщения: 18018
Зарегистрирован: 18 сен 2006, 12:26
Откуда: Тверь по прозвищу Дверь
прог. языки: псевдокод =) сила в алгоритме!
ФИО: глубокоуважаемый Фёдор Анатольевич

Re: Фотоэлементы

Сообщение Vladimir[nn] » 24 фев 2009, 18:42

Это точно транзистор - проверено )))
Только когда покупал его - забыл записать марку.. Теперь безуспешно хочу найти характеристики.. :(
Аватара пользователя
Vladimir[nn]
 
Сообщения: 18
Зарегистрирован: 22 фев 2009, 15:46
Откуда: Нижний Новгород

Re: Фотоэлементы

Сообщение Myp » 24 фев 2009, 21:19

<telepathmode>На вопросы отвечает Бригадир Телепатов!</telepathmode>
Всё уже придумано до нас!
Аватара пользователя
Myp
скрытый хозяин вселенной :)
 
Сообщения: 18018
Зарегистрирован: 18 сен 2006, 12:26
Откуда: Тверь по прозвищу Дверь
прог. языки: псевдокод =) сила в алгоритме!
ФИО: глубокоуважаемый Фёдор Анатольевич

Re: Фотоэлементы

Сообщение Vladimir[nn] » 24 фев 2009, 23:09

Очень похож. Спасибо большое!
Аватара пользователя
Vladimir[nn]
 
Сообщения: 18
Зарегистрирован: 22 фев 2009, 15:46
Откуда: Нижний Новгород

Re: Фотоэлементы

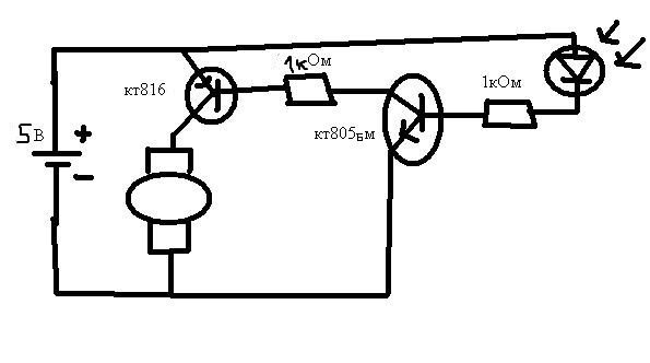
Сообщение almazkazan » 23 окт 2009, 20:52

Спасибо за схемку. Собрал вот так. Работает. :good:
Хм, а как чувствительность уменьшить? ну чтоб на довольно яркий свет только реагировал? :oops:
Вложения
untitled.jpg
“Но мы же еще ​живы, чувак, это же круто…”
Аватара пользователя
almazkazan
 
Сообщения: 97
Зарегистрирован: 04 окт 2008, 17:47
Откуда: казань, респ. Татарстан, россия
прог. языки: c++, c#, asm

Re: Фотоэлементы

Сообщение boez » 24 окт 2009, 00:23

Резистор от диода на минус питания. Десятки-сотни кОм. Чем меньше резистор - тем ниже будет чувствительность. Также не помешает резистор между базой и эмиттером кт816 в пару кОм, снизит потери в покое.
boez
 
Сообщения: 1981
Зарегистрирован: 27 авг 2008, 10:45
Откуда: Харьков
прог. языки: С/С++

Re: MegaBIZON

Сообщение flyroman » 24 окт 2009, 01:25

MegaBIZON писал(а):Это транзисторы. Хрен его знает, чем они такие оссобенные.

ТРАНЗИСТОР - ВЕЛИКОЕ ОТКРЫТИЕ!! БЕЗ НЕГО НЕ БЫЛО БЫ НИ НАШИХ КОМПЬЮТЕРОВ, ни микроконтроллеров, и айподов , мобильников и всяго всяго всяго!!!
Изображение

СЛАВА ТРАНЗИСТОРУ!!!
«Это невозможно» — сказала Причина. «Это безрассудно!» — заметил Опыт. «Это бесполезно!» — отрезала Гордость.
«Попробуй» — шепнула Мечта…
Аватара пользователя
flyroman
 
Сообщения: 1266
Зарегистрирован: 12 янв 2009, 21:39
Откуда: Чебоксары, Чувашская Республика
Skype: roman.buhalov
прог. языки: Basic, VisualBasic,Pascal, Delphi, ASM
ФИО: Роман Сергеевич

Re: Фотоэлементы

Сообщение Skywalker » 05 май 2010, 20:00

а ента - в схеме последней не надо бы еще диодик обратно к питанию на двигатель - дабы последний не сделал транзистору плохо?
Хотя, конечно по схемам управления светом даже в некоторых "канонических" (:D) книгах, как к примеру Н.С. Брага "Создание роботов в домашних условиях" - в схемах такого не видел:
Изображение
Изображение
Аватара пользователя
Skywalker
 
Сообщения: 14
Зарегистрирован: 28 май 2009, 01:06
Откуда: Энгельс, Сарат. обл

Re: Фотоэлементы

Сообщение galex1981 » 06 май 2010, 08:30

Вроде все нормально со схемой - я обычно в Протеусе проверяю, хотя программа не аксиома
if(!Operate) Read(pDatasheet);
Аватара пользователя
galex1981
 
Сообщения: 4363
Зарегистрирован: 04 дек 2008, 22:44
Откуда: Камышин
Skype: galk-aleksandr1
прог. языки: Kotlin, Java, C, C++, Assm, BasCom, VB, php
ФИО: Галкин Александр Владимирович

Re: Фотоэлементы

Сообщение sana98 » 02 мар 2011, 15:19

я сделал схему на первой странице на 2n3906 и 2n2222 работает норм но мощності нехватает на двигателі что делать???
двигатель от китайської ігрушки а когда взял неволяшку с редуктором то ледь їхало и моторчик нужно било трохи покрутити и тоді робив
sana98
 
Сообщения: 3
Зарегистрирован: 11 дек 2010, 11:33

Пред.

Вернуться в BEAM роботы

Кто сейчас на конференции

Сейчас этот форум просматривают: нет зарегистрированных пользователей и гости: 1

cron