
|  | roboforum.ruТехнический форум по робототехнике. |  | 

 . а вчём проблема его спользования и куда циплять на + или на землю диода
 . а вчём проблема его спользования и куда циплять на + или на землю диода 


Vooon писал(а):Master писал(а):Бороться с фотодиодами можно только одним способом. Ставь ТСОП. Но и с ним есть свои проблемы.
ты на БИМА поставиш ТСОП??? мдяяяя....
а бороться - нужны подстоечники, крутиш их и добиваешся одинаковости





Master писал(а):А что мешает на БИМЕ ставить МК?

Vooon писал(а):Master писал(а):А что мешает на БИМЕ ставить МК?
да я не про МК а про то что с ТСОПом на свет не походиш - посмотри его устройство
---
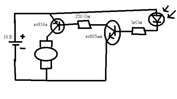
а что килоомник в базе заменить на подстроечник уже сказали, хотя лучше не заменять а поставить параллельно с ~500 омным резистором - защита от "дурака".
---
что-то сомневаюсь что транзистор в правой схеме будет открываться, помоделируй.
 
 
Master писал(а):А в чем помоделировать? Могу в протеусе тока там как фотодиод моделировать.

Myp писал(а):например заменить его кнопкой с сопротивлением =)


Сейчас этот форум просматривают: нет зарегистрированных пользователей и гости: 0