![]() |
roboforum.ruТехнический форум по робототехнике. |
|
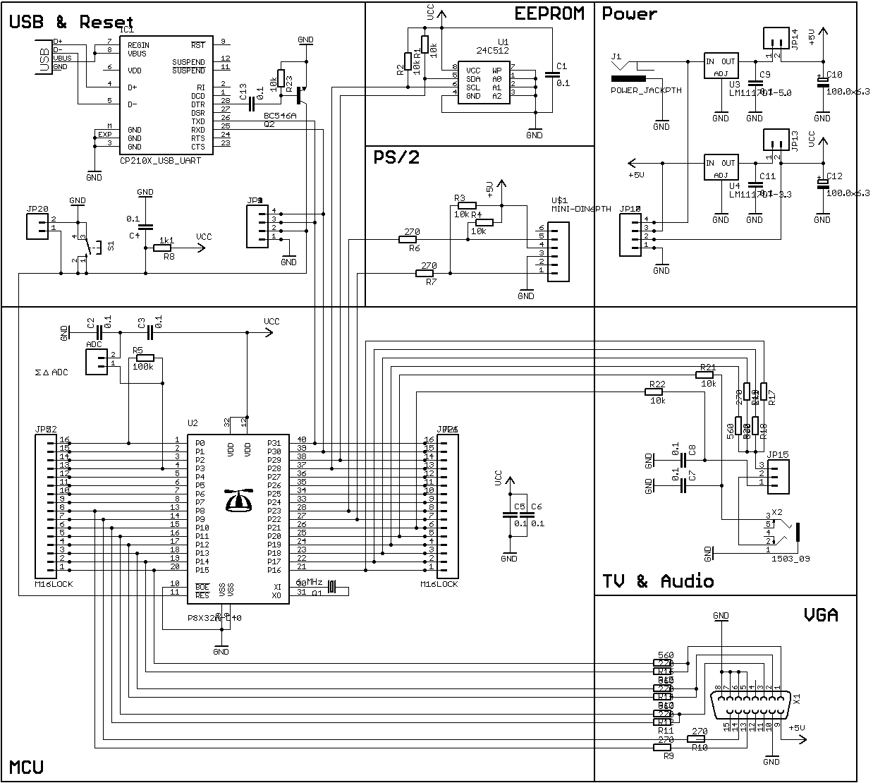
blindman писал(а):Крутил-вертел по-всякому, не получается все разъемы и кнопку на одну строну вывести, или хотя бы на две смежных, без значительного увеличения габаритов. Добавлю только разъем USB

blindman писал(а):P.S. Grem, будешь коверкать мой ник - рассержусь
Сейчас этот форум просматривают: нет зарегистрированных пользователей и гости: 4