USB-осциллограф TNP Duo

Обсуждаем рождающиеся мысли и результаты экспериментов.

USB-осциллограф TNP Duo

Сообщение blindman » 11 окт 2009, 10:11

Выделено из темы USB-осциллограф, где шли в основном теоретические рассуждения, на чем делать, какая должна быть структура и т.д. Все это там и оставлено. Эта тема будет ближе к практике. Здесь будет обсуждение схемы, конструкции, программного обеспечения проекта под рабочим названием "TNP Duo".


Предлагаю вот такую схему:
PropScope.png
PropScope.png (7.94 КиБ) Просмотров: 11391

Пропеллер складывает сэмплы в память, отрисовывает экран, общается с ПК. ATMega служит расширителем ввода-вывода, и выполняет ещё одну важную функцию, про которую пока не буду говорить. Можно получить 20 MSPS. Если весь ввод-вывод перенести на мегу, и занять все 8 процессоров пропеллера записью сэмплов, будет 40 MSPS.

Добавлено спустя 2 минуты 23 секунды:
Ну а если пропеллер до 100 МГц разогнать, то и 50 :)
Проект [[Open Robotics]] - универсальные модули для построения роботов
Модули Open Robotics можно приобрести в магазине shop.roboforum.ru

Day OFF? You must be pulling my leg! Stop making humor before someone sees you, fool!

Аватара пользователя
blindman
 
Сообщения: 4130
Зарегистрирован: 29 апр 2008, 21:15
Откуда: Хабаровск
прог. языки: C,C++,Assembler,PHP,Javascript,Ruby, SPIN,Java(?)
ФИО: Андрей Юрьевич

Re: USB-осциллограф

Сообщение EdGull » 11 окт 2009, 11:01

неплохо получается, осцилограф нам давно нужен! :good:
Аватара пользователя
EdGull
 
Сообщения: 10211
Зарегистрирован: 28 дек 2004, 20:33
Откуда: Тольятти
Skype: Ed_Gull
прог. языки: Bascom AVR Basic
ФИО: Гуль Эдуард Викторович

Re: USB-осциллограф

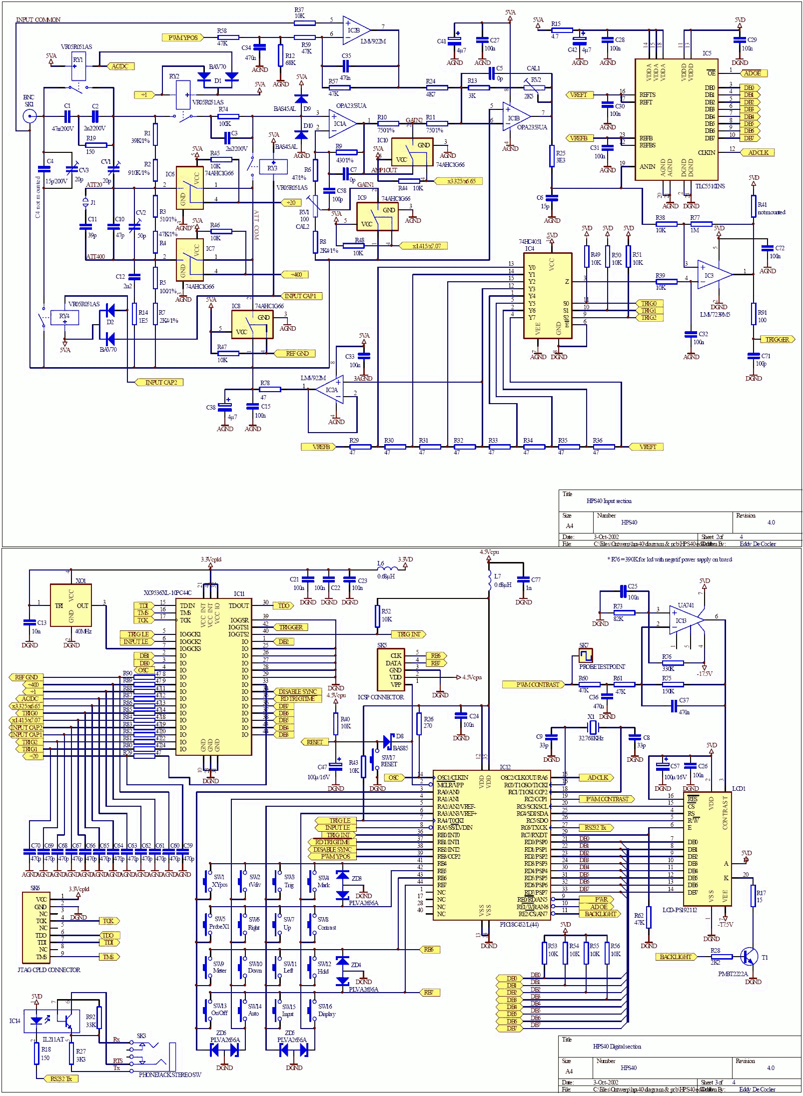
Сообщение blindman » 13 окт 2009, 10:16

Схема Velleman HPS40 (400 килобайт)
Velleman-HPS40.png

Добавлено спустя 1 час 34 минуты 38 секунд:
Документ с полной схемой
Вложения
HPS40_TD_V1.1.pdf
(718.04 КиБ) Скачиваний: 230
Проект [[Open Robotics]] - универсальные модули для построения роботов
Модули Open Robotics можно приобрести в магазине shop.roboforum.ru

Day OFF? You must be pulling my leg! Stop making humor before someone sees you, fool!

Аватара пользователя
blindman
 
Сообщения: 4130
Зарегистрирован: 29 апр 2008, 21:15
Откуда: Хабаровск
прог. языки: C,C++,Assembler,PHP,Javascript,Ruby, SPIN,Java(?)
ФИО: Андрей Юрьевич

Re: USB-осциллограф

Сообщение blindman » 16 окт 2009, 07:58

Черновик цифровой части схемы осциллографа.

Осциллограф будет в виде платы с разъёмами USB, 2 входа сигнала и вход внешней синхронизации. Бутербродом можно установить 16-канальный логический анализатор и/или ЖКИ с клавиатурой
Вложения
Scope.pdf
(79.23 КиБ) Скачиваний: 228
Проект [[Open Robotics]] - универсальные модули для построения роботов
Модули Open Robotics можно приобрести в магазине shop.roboforum.ru

Day OFF? You must be pulling my leg! Stop making humor before someone sees you, fool!

Аватара пользователя
blindman
 
Сообщения: 4130
Зарегистрирован: 29 апр 2008, 21:15
Откуда: Хабаровск
прог. языки: C,C++,Assembler,PHP,Javascript,Ruby, SPIN,Java(?)
ФИО: Андрей Юрьевич

Re: USB-осциллограф

Сообщение =DeaD= » 16 окт 2009, 08:44

А мега ЖКИ потянет - быстро отрисовывать графики?
Проект [[Open Robotics]] - Универсальные модули для построения роботов
Аватара пользователя
=DeaD=
 
Сообщения: 24218
Зарегистрирован: 06 окт 2004, 18:01
Откуда: Ебург
прог. языки: C++ / PHP / 1C
ФИО: Антон Ботов

Re: USB-осциллограф

Сообщение EdGull » 16 окт 2009, 08:57

питаться от чего будет?
Аватара пользователя
EdGull
 
Сообщения: 10211
Зарегистрирован: 28 дек 2004, 20:33
Откуда: Тольятти
Skype: Ed_Gull
прог. языки: Bascom AVR Basic
ФИО: Гуль Эдуард Викторович

Re: USB-осциллограф

Сообщение blindman » 16 окт 2009, 09:21

=DeaD= писал(а):А мега ЖКИ потянет - быстро отрисовывать графики?

Пока не знаю точно, но особых проблем вроде не предвидится. ЖКИ всё равно опционально, вполне вероятно что там будет свой процессор. Этот вопрос пока оставляю на будущее

Питание - батарейки или внешний сетевой адаптер

Добавлено спустя 7 минут 2 секунды:
Сначала думал про AT90USB162, чтобы избавиться от FT232, но получается проблематично сделать гальваническую развязку - AT90USB162 должна работать и при подключении к компьютеру, и без него. Можно поставить реле, которое при подключении ПК будет перекидывать питание AT90USB162 на USB порт, но как-то не очень нравится такой вариант
Проект [[Open Robotics]] - универсальные модули для построения роботов
Модули Open Robotics можно приобрести в магазине shop.roboforum.ru

Day OFF? You must be pulling my leg! Stop making humor before someone sees you, fool!

Аватара пользователя
blindman
 
Сообщения: 4130
Зарегистрирован: 29 апр 2008, 21:15
Откуда: Хабаровск
прог. языки: C,C++,Assembler,PHP,Javascript,Ruby, SPIN,Java(?)
ФИО: Андрей Юрьевич

Re: USB-осциллограф

Сообщение =DeaD= » 16 окт 2009, 09:22

Не хочешь сделать модульность осцика? :)

1. Плату аналоговой части
2. Плату оцифровки\первичной обработки\запоминания
3. Плату логического анализатора
4. Плату ввода-вывода (экран + клава)

Чтобы любой набор взял и собрал бутербродом :)

Добавлено спустя 1 минуту 35 секунд:
Или аналоговую часть сильно плохо через разъемы лишний раз гонять наверное?
Проект [[Open Robotics]] - Универсальные модули для построения роботов
Аватара пользователя
=DeaD=
 
Сообщения: 24218
Зарегистрирован: 06 окт 2004, 18:01
Откуда: Ебург
прог. языки: C++ / PHP / 1C
ФИО: Антон Ботов

Re: USB-осциллограф

Сообщение blindman » 16 окт 2009, 09:31

Так и планирую. Смысла отделять аналоговую часть не вижу, громоздко получится в сборе. А так - 3 платы - осциллограф, анализатор, экран. Собирать можно в разных комбинациях:
  • осциллограф - приставка к ПК
  • ЛА - приставка к ПК
  • осциллограф+ЛА - приставка к ПК
  • осциллограф автономный с ЖКИ
  • ЛА автономный с ЖКИ
  • осциллограф+ЛА автономный с ЖКИ
Проект [[Open Robotics]] - универсальные модули для построения роботов
Модули Open Robotics можно приобрести в магазине shop.roboforum.ru

Day OFF? You must be pulling my leg! Stop making humor before someone sees you, fool!

Аватара пользователя
blindman
 
Сообщения: 4130
Зарегистрирован: 29 апр 2008, 21:15
Откуда: Хабаровск
прог. языки: C,C++,Assembler,PHP,Javascript,Ruby, SPIN,Java(?)
ФИО: Андрей Юрьевич

Re: USB-осциллограф

Сообщение =DeaD= » 16 окт 2009, 09:36

А может можно спроектировать тогда аналоговую часть от осцика на 1 половине платы, а остальное на другой? Чтобы при перепроектировании на другой проц (скажем ARM) или еще куда - просто взять готовые пол платы? Или даже сделать 2 платы встык? А сколько линий надо кидать между аналоговой частью и цифровой?
Проект [[Open Robotics]] - Универсальные модули для построения роботов
Аватара пользователя
=DeaD=
 
Сообщения: 24218
Зарегистрирован: 06 окт 2004, 18:01
Откуда: Ебург
прог. языки: C++ / PHP / 1C
ФИО: Антон Ботов

Re: USB-осциллограф

Сообщение executer » 16 окт 2009, 09:38

Мелочь по схеме - мини УСБ - такое Гэ... Jsxysq УСБ-Б гораздо надежнее. Мини после трех месяцев аккуратной эксплуатации отваливатся начинает когда ему вздумается :(
Аватара пользователя
executer
 
Сообщения: 784
Зарегистрирован: 30 янв 2009, 01:24
Откуда: Запорожье
прог. языки: Си, AvrASM, STL, САС, учу Си++
ФИО: Павел

Re: USB-осциллограф

Сообщение blindman » 16 окт 2009, 09:39

Само собой аналоговая часть будет отдельно на плате расположена. На канал надо 6 линий управления, 1 - сигнал, ну и питание.
Проект [[Open Robotics]] - универсальные модули для построения роботов
Модули Open Robotics можно приобрести в магазине shop.roboforum.ru

Day OFF? You must be pulling my leg! Stop making humor before someone sees you, fool!

Аватара пользователя
blindman
 
Сообщения: 4130
Зарегистрирован: 29 апр 2008, 21:15
Откуда: Хабаровск
прог. языки: C,C++,Assembler,PHP,Javascript,Ruby, SPIN,Java(?)
ФИО: Андрей Юрьевич

Re: USB-осциллограф

Сообщение galex1981 » 16 окт 2009, 09:40

Ну не скажи, у меня и мини USB и USB B при действительно аккуратной эксплуатации живые...
if(!Operate) Read(pDatasheet);
Аватара пользователя
galex1981
 
Сообщения: 4363
Зарегистрирован: 04 дек 2008, 22:44
Откуда: Камышин
Skype: galk-aleksandr1
прог. языки: Kotlin, Java, C, C++, Assm, BasCom, VB, php
ФИО: Галкин Александр Владимирович

Re: USB-осциллограф

Сообщение blindman » 16 окт 2009, 09:42

2executer: ну не знаю, я на КПК активно его юзаю больше года, вроде не отваливается. Но как вариант - рассмотрю, спасибо.
Проект [[Open Robotics]] - универсальные модули для построения роботов
Модули Open Robotics можно приобрести в магазине shop.roboforum.ru

Day OFF? You must be pulling my leg! Stop making humor before someone sees you, fool!

Аватара пользователя
blindman
 
Сообщения: 4130
Зарегистрирован: 29 апр 2008, 21:15
Откуда: Хабаровск
прог. языки: C,C++,Assembler,PHP,Javascript,Ruby, SPIN,Java(?)
ФИО: Андрей Юрьевич

Re: USB-осциллограф

Сообщение =DeaD= » 16 окт 2009, 09:45

executer писал(а):Мини после трех месяцев аккуратной эксплуатации отваливатся начинает когда ему вздумается :(

Разъем выпадает или контакты отходят?

Добавлено спустя 1 минуту 23 секунды:
blindman писал(а):Само собой аналоговая часть будет отдельно на плате расположена. На канал надо 6 линий управления, 1 - сигнал, ну и питание.

Очень хочется её отделить :pardon: а там какие требования к разъемам, чтобы это стало возможным? :)
Проект [[Open Robotics]] - Универсальные модули для построения роботов
Аватара пользователя
=DeaD=
 
Сообщения: 24218
Зарегистрирован: 06 окт 2004, 18:01
Откуда: Ебург
прог. языки: C++ / PHP / 1C
ФИО: Антон Ботов

След.

Вернуться в Идеи

Кто сейчас на конференции

Сейчас этот форум просматривают: нет зарегистрированных пользователей и гости: 0

cron