




но до его завершения еще ух как далеко...Шутить изволите ?Если самим разводить, более оптимизировано будет
Я с автоматом то
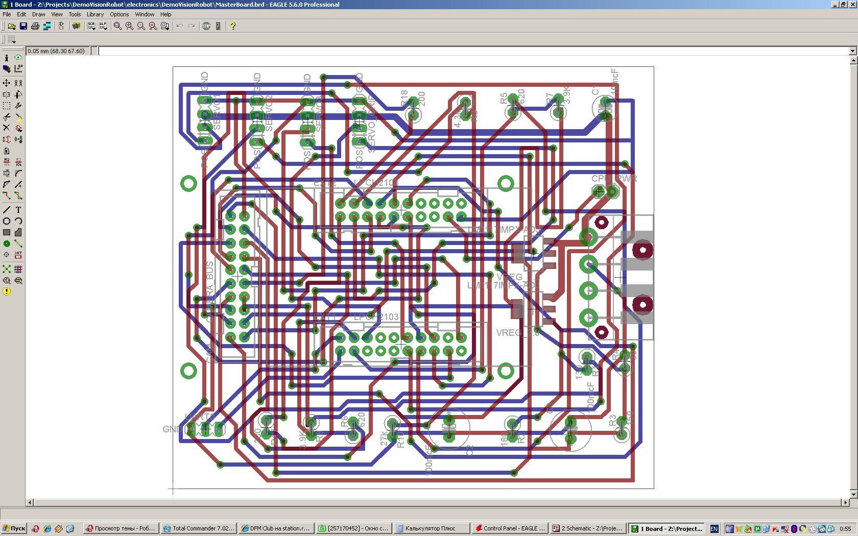
...кхм-кхм... вобщем, кое-как уложил в желаемые размеры. Я вообще не понимаю, какой нужно мегамозг иметь, чтобы такое вручную развести !
Буду думать, как объяснить иглу, чтобы он только с задней стороны подводил...
Нет уж, спасибо, я лучше на калькуляторе дифференциальные уравнения 100го порядка порешаю
Сейчас этот форум просматривают: нет зарегистрированных пользователей и гости: 0